NCL AMERICA
NCL 540, NCL 541
|
|
Data bus: 8-bit, ISA
Size: Half-length, full-height card
Hard drives supported: Up to seven SCSI devices
Floppy drives supported: NCL 540: Two 360KB, 720KB, 1.2MB, or 1.44MB
NCL 541: None
Maximum heads/cyl.: 16 heads and 2048 cylinders
|
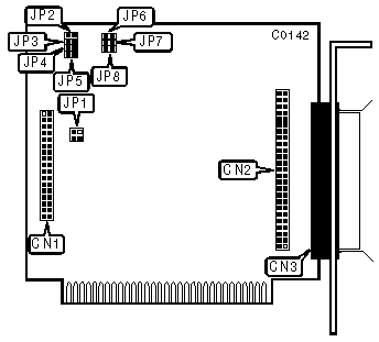
CONNECTIONS | |
|
Function |
Location |
|
34-pin data cable connector-floppy drive (NCL 540 only) |
CN1 |
|
50-pin SCSI connector-internal |
CN2 |
|
25-pin SCSI connector-external |
CN3 |
|
USER CONFIGURABLE SETTINGS | |||
|
Function |
Location |
Setting | |
| » |
Floppy drive port address is 3F2-3F7h (540 only) |
JP1 |
pins 1 & 2 closed |
|
Floppy drive port address is 372-377h (540 only) |
JP1 |
pins 1 & 2 open | |
| » |
Factory configured - do not alter |
JP1 |
pins 3 & 4 closed |
| » |
Zero wait state disabled |
JP5 |
open |
|
Zero wait state enabled |
JP5 |
closed | |
|
INTERRUPT REQUEST | ||||
|
IRQ |
Jumper JP2 |
Jumper JP3 |
Jumper JP4 | |
| » |
IRQ 2 |
open |
open |
closed |
|
IRQ5 |
open |
closed |
open | |
|
IRQ7 |
closed |
open |
open | |
|
BIOS ADDRESS | ||||
|
Address |
Jumper JP6 |
Jumper JP7 |
Jumper JP8 | |
| » |
C800h |
open |
open |
closed |
|
CC00h |
closed |
open |
closed | |
|
D800h |
open |
open |
open | |
|
DC00h |
closed |
open |
open | |
|
E000h |
open |
closed |
open | |
|
E400h |
closed |
closed |
open | |
|
D000h |
open |
closed |
closed | |
|
D400h |
closed |
closed |
closed | |