TANDY/RADIO SHACK
250-4161/250-4161A
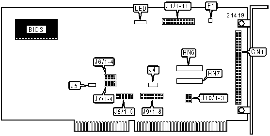
|
Card type |
Hard drive controller |
|
Hard Drives supported |
Up to 7 SCSI devices |
|
Floppy drives supported |
None |
|
Data Bus |
16-bit ISA |
|
Card Size |
Half-length, full-height card |
|
CONNECTIONS | |||
|
Function |
Location |
Function |
Location |
|
50-pin SCSI connector - internal |
CN1 |
Drive active LED |
LED |
|
USER CONFIGURABLE SETTINGS | |||
|
Function |
Label |
Position | |
| » |
TERMPWR supplied from host adapter to SCSI interface |
F1 |
Closed |
|
TERMPWR not supplied to SCSI interface |
F1 |
Open | |
| » |
Synchronous Negotiation disabled |
J1/1 |
Open |
|
Synchronous Negotiation enabled |
J1/1 |
Closed | |
| » |
Factory configured - do not alter |
J1/2 |
Open |
| » |
SCSI parity check enabled |
J1/3 |
Open |
|
SCSI parity check disabled |
J1/3 |
Closed | |
| » |
Zero wait states enabled |
J4 |
Open |
|
One wait state enabled |
J4 |
Closed | |
| » |
System computer is Tandy 4000 |
J5 |
Open |
|
System computer is Tandy 3000 |
J5 |
Closed | |
|
DMA CHANNEL SELECTION | ||||||
|
Channel |
J1/7 |
J1/8 |
J6/1 |
J6/2 |
J6/3 | |
|
0 |
Closed |
Closed |
Closed |
Open |
Open | |
| » |
5 |
Open |
Closed |
Open |
Closed |
Open |
|
6 |
Closed |
Open |
Open |
Open |
Closed | |
|
7 |
Open |
Open |
Open |
Open |
Open | |
|
DMA CHANNEL SELECTION (CONTINUED) | ||||||
|
Channel |
J6/4 |
J7/1 |
J7/2 |
J7/3 |
J7/4 | |
|
0 |
Open |
Closed |
Open |
Open |
Open | |
| » |
5 |
Open |
Open |
Closed |
Open |
Open |
|
6 |
Open |
Open |
Open |
Closed |
Open | |
|
7 |
Closed |
Open |
Open |
Open |
Closed | |
|
INTERRUPT SELECTION | ||||||
|
Setting |
J1/9 |
J1/10 |
J1/11 |
J8/1 |
J8/2 | |
|
9 |
Open |
Open |
Open |
Closed |
Open | |
|
10 |
Closed |
Open |
Open |
Open |
Closed | |
| » |
11 |
Open |
Closed |
Open |
Open |
Open |
|
13 |
Closed |
Closed |
Open |
Open |
Open | |
|
14 |
Open |
Open |
Closed |
Open |
Open | |
|
15 |
Closed |
Open |
Closed |
Open |
Open | |
|
INTERRUPT SELECTION (CONTINUED) | |||||
|
Setting |
J8/3 |
J8/4 |
J8/5 |
J8/6 | |
|
9 |
Open |
Open |
Open |
Open | |
|
10 |
Open |
Open |
Open |
Open | |
| » |
11 |
Closed |
Open |
Open |
Open |
|
13 |
Open |
Closed |
Open |
Open | |
|
14 |
Open |
Open |
Closed |
Open | |
|
15 |
Open |
Open |
Open |
Closed | |
|
BIOS ADDRESS SELECTION | ||||
|
Address |
J10/1 |
J10/2 |
J10/3 | |
|
C0000h |
Closed |
Closed |
Closed | |
|
C4000h |
Closed |
Closed |
Open | |
|
C8000h |
Closed |
Open |
Closed | |
|
CC000h |
Closed |
Open |
Open | |
|
D0000h |
Open |
Closed |
Closed | |
|
D4000h |
Open |
Closed |
Open | |
|
D8000h |
Open |
Open |
Closed | |
| » |
DC000h |
Open |
Open |
Open |
|
BASE I/O ADDRESS SELECTION | |||||||||
|
Setting |
J9/1 |
J9/2 |
J9/3 |
J9/4 |
J9/5 |
J9/6 |
J9/7 |
J9/8 | |
|
004h |
Closed |
Open |
Open |
Open |
Open |
Open |
Open |
Open | |
|
008h |
Open |
Closed |
Open |
Open |
Open |
Open |
Open |
Open | |
|
00Ch |
Closed |
Closed |
Open |
Open |
Open |
Open |
Open |
Open | |
|
010h |
Open |
Open |
Closed |
Open |
Open |
Open |
Open |
Open | |
|
014h |
Closed |
Open |
Closed |
Open |
Open |
Open |
Open |
Open | |
| » |
330h |
Open |
Open |
Closed |
Closed |
Open |
Open |
Closed |
Closed |
|
3F0h |
Open |
Open |
Closed |
Closed |
Closed |
Closed |
Closed |
Closed | |
|
3F4h |
Closed |
Open |
Open |
Open |
Open |
Open |
Closed |
Closed | |
|
3F8h |
Open |
Open |
Open |
Open |
Open |
Open |
Closed |
Closed | |
|
3FCh |
Open |
Closed |
Closed |
Closed |
Closed |
Closed |
Closed |
Closed | |
|
3FFh |
Closed |
Closed |
Closed |
Closed |
Closed |
Closed |
Closed |
Closed | |
|
Note: The switches are a binary representation of the decimal memory addresses. SW1/8 is the Most Significant Bit and switch SW1/1 is the Least Significant Bit. The switches have the following decimal values: SW1/8=512, SW1/7=256, SW1/6=128, SW1/5=64, SW1/4=32, SW1/3=16, SW1/2=8, SW1/1=4. Add the values of the closed jumpers to obtain the correct memory address. (Closed=1, Open=0) | |||||||||
|
ID SELECTION | ||||
|
SCSI ID |
J1/4 |
J1/5 |
J1/6 | |
|
0 |
Closed |
Closed |
Closed | |
| » |
1 |
Open |
Closed |
Closed |
|
2 |
Closed |
Open |
Closed | |
|
3 |
Open |
Open |
Closed | |
|
4 |
Closed |
Closed |
Open | |
|
5 |
Open |
Closed |
Open | |
|
6 |
Closed |
Open |
Open | |
|
7 |
Open |
Open |
Open | |
|
TERMINATION SELECTION | |||
|
Setting |
RN6 |
RN7 | |
| » |
Termination enabled |
Installed |
Installed |
|
Termination disabled |
Removed |
Removed | |
|
Note: Terminators should be removed if inline terminators are used or the host adapter is not at the end of the SCSI bus. | |||