B & B ELECTRONICS
PCWDT
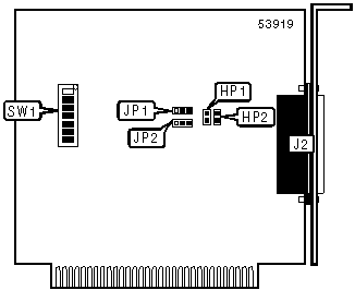
|
Card Type |
Serial card |
|
Chip Set |
Unidentified |
|
Data Bus |
8-bit ISA |
|
CONNECTIONS | |||
|
Function |
Label |
Function |
Label |
|
Reset switch |
HP1 |
25-pin serial port |
J2 |
|
Reset switch |
HP2 | ||
|
USER CONFIGURABLE SETTINGS | ||
|
Function |
Label |
Position |
|
Watchdog timer reset select computer reboot |
JP1 |
Pins 1 & 2 closed |
|
Watchdog timer reset select relay remains energized |
JP1 |
Pins 2 & 3 closed |
|
Timer reset select program reset |
JP2 |
Pins 1 & 2 closed |
|
Timer reset select external reset (requires trigger connected through J2) |
JP2 |
Pins 2 & 3 closed |
|
ADDRESS SELECTION | |||||||
|
Address |
SW1/1 |
SW1/2 |
SW1/3 |
SW1/4 |
SW1/5 |
SW1/6 |
SW1/7 |
|
200 |
On |
On |
On |
On |
On |
On |
Off |
|
208 |
Off |
On |
On |
On |
On |
On |
Off |
|
300 |
On |
On |
On |
On |
On |
Off |
Off |
|
308 |
Off |
On |
On |
On |
On |
Off |
Off |
|
310 |
On |
Off |
On |
On |
On |
Off |
Off |
|
318 |
Off |
Off |
On |
On |
On |
Off |
Off |
|
380 |
On |
On |
On |
On |
Off |
Off |
Off |
|
388 |
Off |
On |
On |
On |
Off |
Off |
Off |
|
3A0 |
On |
On |
Off |
On |
Off |
Off |
Off |
|
3A8 |
Off |
On |
Off |
On |
Off |
Off |
Off |
|
MISCELLANEOUS TECHNICAL NOTE |
|
The PCWDT can be used to re-boot the host computer by connecting HP1 & HP2. For further information about this process, see B & B electronics documentation. |