PROCOM TECHNOLOGY

PICDL HOST ADAPTER

Card Type

CD-ROM interface card

Chip Set

Unidentified

Maximum Onboard Memory

Unidentified

I/O Options

CD-ROM interface, DC power connector, audio in

Hard Drives supported

None

Floppy drives supported

None

Data Bus

8-bit ISA

Card Size

Half-length

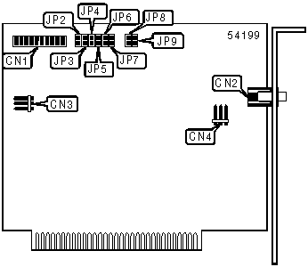
CONNECTIONS

Function

Label

Function

Label

16-pin internal drive connector

CN1

DC power connector

CN3

Audio in

CN2

Internal audio connector

CN4

BASE I/O ADDRESS SELECTION

Setting

JP8

JP9

 

300h

Closed

Closed

 

310h

Open

Closed

 

330h

Closed

Open

»

340h

Open

Open

IRQ INTERRUPT SELECTION

IRQ

JP2

JP3

JP4

JP5

JP6

JP7

 

IRQ2

Closed

Open

Open

Open

Open

Open

 

IRQ3

Open

Closed

Open

Open

Open

Open

 

IRQ4

Open

Open

Closed

Open

Open

Open

 

IRQ5

Open

Open

Open

Closed

Open

Open

 

IRQ6

Open

Open

Open

Open

Closed

Open

»

IRQ7

Open

Open

Open

Open

Open

Closed

MISCELLANEOUS TECHNICAL NOTES

For use with the PROCOM TECHNOLOGY, PICDL CD-ROM drive