STB SYSTEMS, INC.

DSP 550

Card Type

Multi I/O Card

Chip Set

Unidentified

Maximum Onboard Memory

N/A

I/O Options

Parallel port, serial ports (2)

Data Bus

8-bit ISA

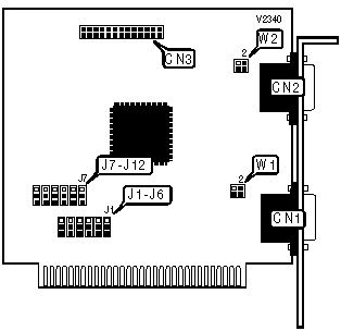
CONNECTIONS

Function

Label

Function

Label

Serial port 1

CN1

Parallel port

CN3

Serial port 2

CN2

   

USER CONFIGURABLE SETTINGS

Function

Label

Position

»

Ring indicator signal supplied to serial port 1

W1

Pins 1 & 2 closed

 

+5 volt signal supplied to serial port 1

W1

Pins 3 & 4 closed

»

Ring indicator signal supplied to serial port 2

W2

Pins 1 & 2 closed

 

+5 volt signal supplied to serial port 2

W2

Pins 3 & 4 closed

Note: Jumpers W1 and W2 are used for ensuring compatibility with specialty serial devices and older mouse systems.

PARALLEL PORT ADDRESS SELECTION

Setting

J11

J12

278h

Pins 1 & 2 closed

Pins 2 & 3 closed

378h

Pins 1 & 2 closed

Pins 1 & 2 closed

Disabled

Pins 2 & 3 closed

Pins 2 & 3 closed

SERIAL PORT 1 ADDRESS SELECTION

Setting

J7

J8

 

2F8h

Pins 2 & 3 closed

Pins 1 & 2 closed

 

3E8h

Pins 1 & 2 closed

Pins 2 & 3 closed

»

3F8h

Pins 1 & 2 closed

Pins 1 & 2 closed

 

Disabled

Pins 2 & 3 closed

Pins 2 & 3 closed

SERIAL PORT 2 ADDRESS SELECTION

Setting

J9

J10

 

2E8h

Pins 1 & 2 closed

Pins 2 & 3 closed

»

2F8h

Pins 1 & 2 closed

Pins 1 & 2 closed

 

3E8h

Pins 2 & 3 closed

Pins 1 & 2 closed

 

Disabled

Pins 2 & 3 closed

Pins 2 & 3 closed

SERIAL PORT 1 INTERRUPT SELECTION

IRQ

J2

J3

 

IRQ2

Open

Pins 1 & 2 closed

 

IRQ3

Pins 1 & 2 closed

Open

»

IRQ4

Pins 2 & 3 closed

Open

 

IRQ5

Open

Pins 2 & 3 closed

SERIAL PORT 2 INTERRUPT SELECTION

IRQ

J4

J5

 

IRQ2

Open

Pins 1 & 2 closed

»

IRQ3

Pins 1 & 2 closed

Open

 

IRQ4

Pins 2 & 3 closed

Open

 

IRQ5

Open

Pins 2 & 3 closed

PARALLEL PORT INTERRUPT SELECTION

IRQ

J1

»

IRQ7

Pins 1 & 2 closed

 

IRQ5

Pins 2 & 3 closed

PARALLEL PORT MODE SELECTION

Setting

J6

Uni-directional

Pins 2 & 3 open

Bi-Directional (EPP/ECP)

Pins 2 & 3 closed