ACER, INC.
AX6F
|
Device Type |
Mainboard |
|
Processor |
Pentium II |
|
Processor Speed |
200/233/266MHz |
|
Chip Set |
Intel |
|
Video Chip Set |
None |
|
Maximum Onboard Memory |
512MB (EDO supported) |
|
Maximum Video Memory |
None |
|
Cache |
256/512KB (located on Pentium II CPU) |
|
BIOS |
Award |
|
Dimensions |
305mm x 244mm |
|
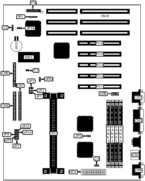
I/O Options |
32-bit PCI slots (5), floppy drive interface, green PC connector, IDE interfaces (2), parallel port, PS/2 mouse port, serial ports (2), IR connector, USB connectors (2), ATX power connector |
|
NPU Options |
None |
|
CONNECTIONS | |||
|
Purpose |
Location |
Purpose |
Location |
|
ATX power connector |
ATX |
Parallel port |
CN2 |
|
Power LED & keylock |
C1/pins 1 - 5 |
PS/2 mouse port |
CN3 |
|
Speaker |
C1/pins 7 - 10 |
Serial port 1 |
CN4 |
|
Green PC LED |
C1/pins 12 & 13 |
Floppy drive interface |
CN6 |
|
Green PC connector |
C1/pins 15 - 17 |
IDE interface 1 |
CN7 |
|
Reset switch |
C1/pins 19 & 20 |
IDE interface 2 |
CN8 |
|
IDE interface LED |
C2 |
IR connector |
IR1 |
|
Soft off power supply |
C3 |
32-bit PCI slots |
PC1 - PC5 |
|
CPU fan power |
C4 |
USB connector |
USB |
|
Serial port 2 |
CN1 | ||
|
USER CONFIGURABLE SETTINGS | |||
|
Function |
Label |
Position | |
|
» |
Factory configured - do not alter |
JP7 |
Open |
|
» |
Factory configured - do not alter |
JP8 |
Open |
|
» |
Factory configured - do not alter |
JP9 |
Open |
|
» |
Factory configured - do not alter |
JP10 |
Open |
|
» |
Factory configured - do not alter |
JP11 |
Open |
|
» |
CMOS memory normal operation |
JP14 |
Pins 1 & 2 closed |
|
CMOS memory clear |
JP14 |
Pins 2 & 3 closed | |
|
SIMM CONFIGURATION | ||||
|
Size |
Bank 0 |
Bank 1 |
Bank 2 |
Bank 3 |
|
8MB |
(2) 1M x 36 |
None |
None |
None |
|
16MB |
(2) 2M x 36 |
None |
None |
None |
|
16MB |
(2) 1M x 36 |
(2) 1M x 36 |
None |
None |
|
24MB |
(2) 2M x 36 |
(2) 1M x 36 |
None |
None |
|
24MB |
(2) 1M x 36 |
(2) 1M x 36 |
(2) 1M x 36 |
None |
|
32MB |
(2) 4M x 36 |
None |
None |
None |
|
32MB |
(2) 2M x 36 |
(2) 2M x 36 |
None |
None |
|
32MB |
(2) 1M x 36 |
(2) 1M x 36 |
(2) 1M x 36 |
(2) 1M x 36 |
|
40MB |
(2) 4M x 36 |
(2) 1M x 36 |
None |
None |
|
48MB |
(2) 4M x 36 |
(2) 2M x 36 |
None |
None |
|
48MB |
(2) 2M x 36 |
(2) 2M x 36 |
(2) 2M x 36 |
None |
|
64MB |
(2) 2M x 36 |
(2) 2M x 36 |
(2) 2M x 36 |
(2) 2M x 36 |
|
64MB |
(2) 8M x 36 |
None |
None |
None |
|
SIMM CONFIGURATION (CON'T) | ||||
|
Size |
Bank 0 |
Bank 1 |
Bank 2 |
Bank 3 |
|
64MB |
(2) 4M x 36 |
(2) 4M x 36 |
None |
None |
|
72MB |
(2) 8M x 36 |
(2) 1M x 36 |
None |
None |
|
80MB |
(2) 8M x 36 |
(2) 2M x 36 |
None |
None |
|
96MB |
(2) 8M x 36 |
(2) 4M x 36 |
None |
None |
|
96MB |
(2) 4M x 36 |
(2) 4M x 36 |
(2) 4M x 36 |
None |
|
128MB |
(2) 16M x 36 |
None |
None |
None |
|
128MB |
(2) 8M x 36 |
(2) 8M x 36 |
None |
None |
|
128MB |
(2) 4M x 36 |
(2) 4M x 36 |
(2) 4M x 36 |
(2) 4M x 36 |
|
136MB |
(2) 16M x 36 |
(2) 1M x 36 |
None |
None |
|
144MB |
(2) 16M x 36 |
(2) 2M x 36 |
None |
None |
|
152MB |
(2) 16M x 36 |
(2) 1M x 36 |
(2) 1M x 36 |
(2) 1M x 36 |
|
160MB |
(2) 16M x 36 |
(2) 4M x 36 |
None |
None |
|
176MB |
(2) 16M x 36 |
(2) 2M x 36 |
(2) 2M x 36 |
(2) 2M x 36 |
|
192MB |
(2) 16M x 36 |
(2) 8M x 36 |
None |
None |
|
192MB |
(2) 8M x 36 |
(2) 8M x 36 |
(2) 8M x 36 |
None |
|
224MB |
(2) 16M x 36 |
(2) 4M x 36 |
(2) 4M x 36 |
(2) 4M x 36 |
|
256MB |
(2) 16M x 36 |
(2) 16M x 36 |
None |
None |
|
256MB |
(2) 8M x 36 |
(2) 8M x 36 |
(2) 8M x 36 |
(2) 8M x 36 |
|
272MB |
(2) 16M x 36 |
(2) 16M x 36 |
(2) 1M x 36 |
(2) 1M x 36 |
|
288MB |
(2) 16M x 36 |
(2) 16M x 36 |
(2) 2M x 36 |
(2) 2M x 36 |
|
320MB |
(2) 16M x 36 |
(2) 16M x 36 |
(2) 4M x 36 |
(2) 4M x 36 |
|
320MB |
(2) 16M x 36 |
(2) 8M x 36 |
(2) 8M x 36 |
(2) 8M x 36 |
|
384MB |
(2) 16M x 36 |
(2) 16M x 36 |
(2) 16M x 36 |
None |
|
512MB |
(2) 16M x 36 |
(2) 16M x 36 |
(2) 16M x 36 |
(2) 16M x 36 |
|
Note: Board accepts EDO memory. | ||||
|
CACHE CONFIGURATION |
|
Note: 256KB/512KB cache is located on the Pentium II CPU. |
|
CPU SPEED SELECTION | |||||||
|
CPU speed |
Clock speed |
Multiplier |
JP1 |
JP2 |
JP3 |
JP5 |
JP6 |
|
200MHz |
66MHz |
3x |
1 & 2 |
2 & 3 |
1 & 2 |
1 & 2 |
1 & 2 |
|
233MHz |
66MHz |
3.5x |
1 & 2 |
2 & 3 |
2 & 3 |
1 & 2 |
1 & 2 |
|
266MHz |
66MHz |
4x |
2 & 3 |
1 & 2 |
1 & 2 |
1 & 2 |
1 & 2 |
|
Note: Pins designated should be in the closed position. | |||||||