DELL COMPUTER CORPORATION

DIMENSION XPS PRO XXXN

Processor

Pentium Pro

Processor Speed

150/180/200MHz

Chip Set

Intel

Video Chip Set

None

Maximum Onboard Memory

128MB (EDO supported)

Maximum Video Memory

None

Cache

256/512KB (located on Pentium Pro CPU)

BIOS

Unidentified

Dimensions

305mm x 244mm

I/O Options

32-bit PCI slots (4), floppy drive interface, IDE interfaces (2), parallel port, PS/2 mouse port, serial ports (2), ATX power connector

NPU Options

None

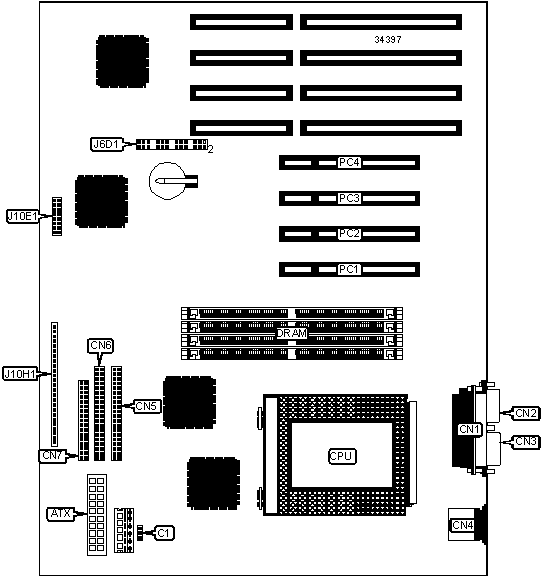
CONNECTIONS

Purpose

Location

Purpose

Location

ATX power connector

ATX

IDE interface 1

CN6

Parallel port

CN1

Floppy drive interface

CN7

Serial port 2

CN2

Front panel connector

J10E1

Serial port 1

CN3

Front panel connector

J10H1

PS/2 mouse port

CN4

32-bit PCI slots

PC1 – PC4

IDE interface 2

CN5

   

USER CONFIGURABLE SETTINGS

Function

Label

Position

»

Factory configured - do not alter

C1

Unidentified

»

Factory configured - do not alter

J67D1

Pins 4 & 6 closed

»

CMOS memory normal operation

J67D1

Pins 20 & 22 closed

 

CMOS memory clear

J67D1

Pins 18 & 20 closed

»

Password enabled

J67D1

Pins 27 & 29 closed

 

Password disabled

J67D1

Pins 25 & 27 closed

»

Setup access enabled

J67D1

Pins 28 & 30 closed

 

Setup access disabled

J67D1

Pins 26 & 28 closed

DRAM CONFIGURATION (NON PARITY SIMMS)

Size

Bank 0

Bank 1

8MB

(2) 1M x 32

None

16MB

(2) 2M x 32

None

16MB

(2) 1M x 32

(2) 1M x 32

24MB

(2) 2M x 32

(2) 1M x 32

32MB

(2) 4M x 32

None

32MB

(2) 2M x 32

(2) 2M x 32

40MB

(2) 4M x 32

(2) 1M x 32

48MB

(2) 4M x 32

(2) 2M x 32

64MB

(2) 8M x 32

None

64MB

(2) 4M x 32

(2) 4M x 32

72MB

(2) 8M x 32

(2) 1M x 32

80MB

(2) 8M x 32

(2) 2M x 32

96MB

(2) 8M x 32

(2) 4M x 32

128MB

(2) 8M x 32

(2) 8M x 32

DRAM CONFIGURATION (PARITY SIMMS)

Size

Bank 0

Bank 1

32MB

(2) 4M x 36

None

64MB

(2) 8M x 36

None

64MB

(2) 4M x 36

(2) 4M x 36

128MB

(2) 8M x 36

(2) 8M x 36

CACHE CONFIGURATION

Note: 256KB/512KB cache is located on the Pentium Pro CPU.

CPU SPEED SELECTION

CPU speed

Clock speed

Multiplier

J6D1

150MHz

60MHz

2.5x

10 & 12, 11 & 13, 17 & 19

180MHz

60MHz

3x

9 & 11, 12 & 14, 17 & 19

200MHz

66MHz

3x

9 & 11, 12 & 14, 19 & 21

Note: Pins designated should be in the closed position.