DELL COMPUTER CORPORATION

POWEREDGE XL 5133-4

Processor

Pentium

Processor Speed

133MHz

Chip Set

Intel

Video Chip Set

Cirrus Logic

Maximum Onboard Memory

768MB (EDO supported)

Maximum Video Memory

1MB

Cache

512/1024/2048/4096KB

BIOS

Unidentified

Dimensions

305mm x 244mm

I/O Options

External memory cards (2), 32-bit PCI slots (5), floppy drive interface, IDE interface, Ultra Wide SCSI interfaces (2), parallel port, PS/2 mouse port, serial ports (2), VGA port

NPU Options

None

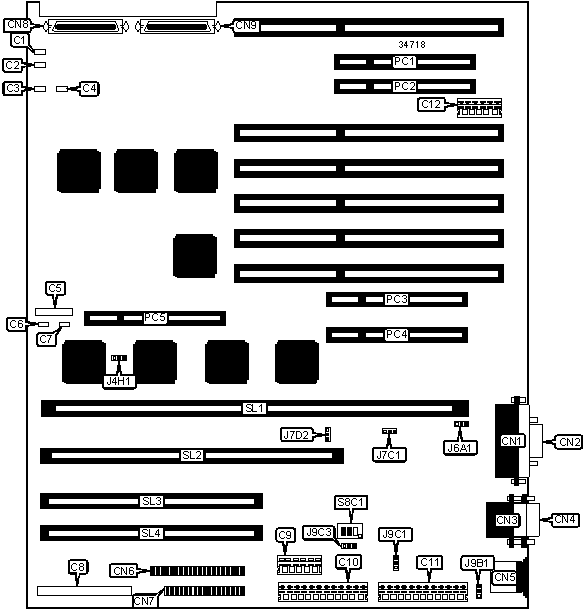
CONNECTIONS

Purpose

Location

Purpose

Location

I2C connector

C1

VGA port

CN2

I2C connector

C2

Serial port 1

CN3

Chassis fan power

C3

Serial port 2

CN4

IDE interface LED 2

C4

PS/2 mouse port

CN5

SMM connector

C5

IDE interface

CN6

Chassis fan power

C6

Floppy drive interface

CN7

IDE interface LED 1

C7

Ultra Wide SCSI interface

CN8

Front panel connector

C8

Ultra Wide SCSI interface

CN9

3.3v auxiliary power

C9

32-bit PCI slots

PC1 – PC5

Power connector

C10

CPU slot 2

SL1

Power connector

C11

CPU slot 1

SL2

3.3v auxiliary power

C12

Memory slot

SL3

Parallel port

CN1

Memory slot

SL4

USER CONFIGURABLE SETTINGS

Function

Label

Position

»

CPU slot 2 to TDV module enabled

J4H1

Pins 1 & 2 closed

 

CPU slot 2 to TDV module disabled

J4H1

Pins 2 & 3 closed

»

Video sleep address select 03C3H

J6A1

Pins 2 & 3 closed

 

Video sleep address select 46E8H

J6A1

Pins 1 & 2 closed

»

BIOS write protect disabled

J7C1

Pins 1 & 2 closed

 

BIOS write protect enabled

J7C1

Pins 2 & 3 closed

»

BIOS normal operation

J7D2

Pins 1 & 2 closed

 

BIOS recovery mode

J7D2

Pins 2 & 3 closed

 

RTC power control disabled

J9C3

Pins 1 & 2 closed

 

RTC power control enabled

J9C3

Pins 2 & 3 closed

»

CMOS memory normal operation

S8C1/1

Off

 

CMOS memory clear

S8C1/1

On

»

Password enabled

S8C1/2

Off

 

Password disabled

S8C1/2

On

»

Flash write enabled

S8C1/3

On

 

Flash write disabled

S8C1/3

Off

SIMM CONFIGURATION 1

Size

Bank 0

Bank 1

Bank 2

8MB

(2) 1M x 36

None

None

16MB

(2) 1M x 36

(2) 1M x 36

None

16MB

(2) 2M x 36

None

None

24MB

(2) 1M x 36

(2) 1M x 36

(2) 1M x 36

32MB

(2) 2M x 36

(2) 2M x 36

None

32MB

(2) 4M x 36

None

None

48MB

(2) 2M x 36

(2) 2M x 36

(2) 2M x 36

64MB

(2) 4M x 36

(2) 4M x 36

None

64MB

(2) 8M x 36

None

None

96MB

(2) 4M x 36

(2) 4M x 36

(2) 4M x 36

128MB

(2) 8M x 36

(2) 8M x 36

None

128MB

(2) 16M x 36

None

None

192MB

(2) 8M x 36

(2) 8M x 36

(2) 8M x 36

256MB

(2) 16M x 36

(2) 16M x 36

None

256MB

(2) 32M x 36

None

None

384MB

(2) 16M x 36

(2) 16M x 36

(2) 16M x 36

Note: Board accepts EDO memory. To install the maximum memory, fully populate configuration 1 & configuration 2.

SIMM CONFIGURATION 2

Size

Bank 3

Bank 4

Bank 5

8MB

(2) 1M x 36

None

None

16MB

(2) 1M x 36

(2) 1M x 36

None

16MB

(2) 2M x 36

None

None

24MB

(2) 1M x 36

(2) 1M x 36

(2) 1M x 36

32MB

(2) 2M x 36

(2) 2M x 36

None

32MB

(2) 4M x 36

None

None

48MB

(2) 2M x 36

(2) 2M x 36

(2) 2M x 36

64MB

(2) 4M x 36

(2) 4M x 36

None

64MB

(2) 8M x 36

None

None

96MB

(2) 4M x 36

(2) 4M x 36

(2) 4M x 36

128MB

(2) 8M x 36

(2) 8M x 36

None

128MB

(2) 16M x 36

None

None

192MB

(2) 8M x 36

(2) 8M x 36

(2) 8M x 36

256MB

(2) 16M x 36

(2) 16M x 36

None

256MB

(2) 32M x 36

None

None

384MB

(2) 16M x 36

(2) 16M x 36

(2) 16M x 36

Note: Board accepts EDO memory. Memory is located on external memory cards.

CACHE CONFIGURATION

Note: The location of the cache is unidentified.

VIDEO MEMORY CONFIGURATION

Note: 1MB video memory is factory installed and is not configurable. The location is unidentified.

FLOPPY DRIVE SELECTION

Setting

J9B1

J9C1

2.88MB floppy disabled

Pins 1 & 2 closed

Pins 1 & 2 closed

Automatic size detection enabled

Pins 2 & 3 closed

Pins 2 & 3 closed