COMPAQ COMPUTER CORPORATION
PROLIANT 6000
|
Device Type |
Mainboard |
|
Processor |
Pentium Pro |
|
Processor Speed |
200MHz |
|
Chip Set |
Unidentified |
|
Video Chip Set |
Unidentified |
|
Maximum Onboard Memory |
4096MB (EDO supported) |
|
Maximum Video Memory |
Unidentified |
|
Cache |
512KB (located on Pentium Pro CPU) |
|
BIOS |
Unidentified |
|
Dimensions |
305mm x 244mm |
|
I/O Options |
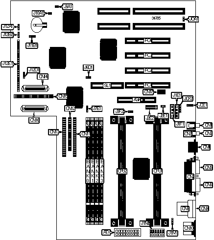
32-bit PCI slots (9), riser slot, VRM connectors (4) |
|
NPU Options |
None |
|
CONNECTIONS | |||
|
Purpose |
Location |
Purpose |
Location |
|
VRM connectors |
VRM1 – VRM4 |
Riser slot |
SL1 |
|
Note: The types of all other connectors are unidentified. | |||
|
USER CONFIGURABLE SETTINGS | |||
|
Function |
Label |
Position | |
|
» |
Factory configured - do not alter |
SW7 |
Unidentified |
|
» |
Factory configured - do not alter |
SW9 |
Unidentified |
|
DIMM CONFIGURATION | ||||
|
Size |
Bank 0 |
Bank 1 |
Bank 2 |
Bank 3 |
|
64MB |
(4) 2M x 64 |
None |
None |
None |
|
128MB |
(4) 2M x 64 |
(4) 2M x 64 |
None |
None |
|
128MB |
(4) 4M x 64 |
None |
None |
None |
|
192MB |
(4) 2M x 64 |
(4) 2M x 64 |
(4) 2M x 64 |
None |
|
256MB |
(4) 2M x 64 |
(4) 2M x 64 |
(4) 2M x 64 |
(4) 2M x 64 |
|
256MB |
(4) 4M x 64 |
(4) 4M x 64 |
None |
None |
|
256MB |
(4) 8M x 64 |
None |
None |
None |
|
384MB |
(4) 4M x 64 |
(4) 4M x 64 |
(4) 4M x 64 |
None |
|
512MB |
(4) 4M x 64 |
(4) 4M x 64 |
(4) 4M x 64 |
(4) 4M x 64 |
|
512MB |
(4) 8M x 64 |
(4) 8M x 64 |
None |
None |
|
768MB |
(4) 8M x 64 |
(4) 8M x 64 |
(4) 8M x 64 |
None |
|
1024MB |
(4) 8M x 64 |
(4) 8M x 64 |
(4) 8M x 64 |
(4) 8M x 64 |
|
1024MB |
(4) 32M x 64 |
None |
None |
None |
|
2048MB |
(4) 32M x 64 |
(4) 32M x 64 |
None |
None |
|
3072MB |
(4) 32M x 64 |
(4) 32M x 64 |
(4) 32M x 64 |
None |
|
4096MB |
(4) 32M x 64 |
(4) 32M x 64 |
(4) 32M x 64 |
(4) 32M x 64 |
|
Note: Board accepts EDO memory. | ||||
|
CACHE CONFIGURATION |
|
Note: 512KB cache is located on the Pentium Pro CPU. |
|
CPU BUS CLOCK FREQUENCY SELECTION | |||||
|
CPU speed |
Clock speed |
Multiplier |
SW6/1 |
SW6/2 |
SW6/3 |
|
200MHz |
66MHz |
3x |
Off |
On |
On |
|
CPU SPEED SELECTION | ||||||
|
CPU speed |
Clock speed |
Multiplier |
SW1/1 |
SW1/2 |
SW1/3 |
SW1/4 |
|
200MHz |
66MHz |
3x |
On |
On |
Off |
On |
|
CPU SPEED SELECTION (CON’T) | ||||||
|
CPU speed |
Clock speed |
Multiplier |
SW2/1 |
SW2/2 |
SW2/3 |
SW2/4 |
|
200MHz |
66MHz |
3x |
On |
On |
Off |
On |
|
CPU SPEED SELECTION (CON’T) | ||||||
|
CPU speed |
Clock speed |
Multiplier |
SW3/1 |
SW3/2 |
SW3/3 |
SW3/4 |
|
200MHz |
66MHz |
3x |
On |
On |
Off |
On |
|
CPU SPEED SELECTION (CON’T) | ||||||
|
CPU speed |
Clock speed |
Multiplier |
SW4/1 |
SW4/2 |
SW4/3 |
SW4/4 |
|
200MHz |
66MHz |
3x |
On |
On |
Off |
On |
|
CONNECTIONS | |
|
Purpose |
Location |
|
32-bit PCI slots |
PC1 – PC9 |
|
Note: The types of all other connectors are unidentified. | |
|
USER CONFIGURABLE SETTINGS | |||
|
Function |
Label |
Position | |
|
» |
On board video enabled |
SW1/1 |
Off |
|
On board video disabled |
SW1/1 |
On | |
|
» |
Factory configured - do not alter |
SW1/2 |
Off |
|
» |
System setup as a tower configuration |
SW1/3 |
Off |
|
System setup as a rack configuration |
SW1/3 |
On | |
|
» |
Boot from floppy enabled |
SW1/4 |
Off |
|
Boot from floppy disabled |
SW1/4 |
On | |
|
» |
Password normal operation |
SW1/5 |
Off |
|
Password clear |
SW1/5 |
On | |
|
» |
CMOS memory normal operation |
SW1/6 |
Off |
|
CMOS memory clear |
SW1/6 |
On | |