DTK COMPUTER, INC.

PRM-0076I (VER. 1.05)

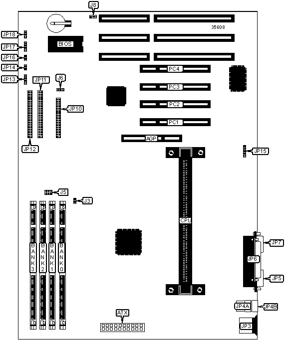
Device Type

Mainboard

Processor

Pentium II/Celeron

Processor Speed

233/266/300/333MHz

Chip Set

Intel 440LX

Maximum Onboard Memory

512MB (EDO & SDRAM supported)

Cache

0/128/256/512KB (located on the CPU)

BIOS

Award/AMI

Dimensions

305mm x 217mm

I/O Options

32-bit PCI slots (4), floppy drive interface, IDE interface, parallel port, PS/2 mouse port, serial ports (2), USB connectors (2), IR connector

CONNECTIONS

Purpose

Location

Purpose

Location

ATX power connector

ATX

IDE interface 2

JP12

PS/2 mouse port

JP3

IDE interface LED

JP13

USB connector 1

JP4A

Power switch

JP14

USB connector 2

JP4B

IR connector

JP15

Serial port 1

JP5

Reset switch

JP16

Parallel port

JP6

Speaker

JP17

Serial port 2

JP7

Power LED

JP18

Floppy drive interface

JP10

32-bit PCI slots

PC1 - PC4

IDE interface 1

JP11

   

USER CONFIGURABLE SETTINGS

Function

Label

Position

»

CMOS memory normal operation

J6

Pins 1 & 2 closed

 

CMOS memory clear

J6

Pins 2 & 3 closed

»

Flash BIOS voltage select 5v

J8

Pins 1 & 2 closed

 

Flash BIOS voltage select 12v

J8

Pins 2 & 3 closed

DRAM CONFIGURATION

Size

Bank 0

Bank 1

Bank 2

Bank 3

8MB

(1) 1MB x 64

None

None

None

16MB

(1) 1MB x 64

(1) 1MB x 64

None

None

16MB

(1) 2MB x 64

None

None

None

24MB

(1) 1MB x 64

(1) 1MB x 64

(1) 1MB x 64

None

24MB

(1) 2MB x 64

(1) 1MB x 64

None

None

32MB

(1) 1MB x 64

(1) 1MB x 64

(1) 1MB x 64

(1) 1MB x 64

32MB

(1) 2MB x 64

(1) 2MB x 64

None

None

32MB

(1) 4MB x 64

None

None

None

32MB

(1) 2MB x 64

(1) 1MB x 64

(1) 1MB x 64

None

48MB

(1) 2MB x 64

(1) 2MB x 64

(1) 2MB x 64

None

48MB

(1) 4MB x 64

(1) 2MB x 64

None

None

64MB

(1) 2MB x 64

(1) 2MB x 64

(1) 2MB x 64

(1) 2MB x 64

64MB

(1) 4MB x 64

(1) 4MB x 64

None

None

64MB

(1) 8MB x 64

None

None

None

64MB

(1) 4MB x 64

(1) 2MB x 64

(1) 2MB x 64

None

96MB

(1) 4MB x 64

(1) 4MB x 64

(1) 4MB x 64

None

96MB

(1) 8MB x 64

(1) 4MB x 64

None

None

120MB

(1) 8MB x 64

(1) 4MB x 64

(1) 2MB x 64

(1) 1MB x 64

128MB

(1) 4MB x 64

(1) 4MB x 64

(1) 4MB x 64

(1) 4MB x 64

128MB

(1) 8MB x 64

(1) 8MB x 64

None

None

128MB

(1) 16MB x 64

None

None

None

128MB

(1) 8MB x 64

(1) 4MB x 64

(1) 4MB x 64

None

192MB

(1) 8MB x 64

(1) 8MB x 64

(1) 8MB x 64

None

192MB

(1) 16MB x 64

(1) 8MB x 64

None

None

DRAM CONFIGURATION (CONT.)

Size

Bank 0

Bank 1

Bank 2

Bank 3

240MB

(1) 16MB x 64

(1) 8MB x 64

(1) 4MB x 64

(1) 2MB x 64

256MB

(1) 8MB x 64

(1) 8MB x 64

(1) 8MB x 64

(1) 8MB x 64

256MB

(1) 16MB x 64

(1) 16MB x 64

None

None

256MB

(1) 32MB x 64

None

None

None

256MB

(1) 16MB x 64

(1) 8MB x 64

(1) 8MB x 64

None

384MB

(1) 16MB x 64

(1) 16MB x 64

(1) 16MB x 64

None

384MB

(1) 32MB x 64

(1) 16MB x 64

None

None

448MB

(1) 32MB x 64

(1) 16MB x 64

(1) 8MB x 64

(1) 4MB x 64

512MB

(1) 16MB x 64

(1) 16MB x 64

(1) 16MB x 64

(1) 16MB x 64

CPU SPEED SELECTION

CPU Speed

Clock Speed

Mutliplier

JP5/pins 1 & 2

JP5/pins 3 & 4

JP5/pins 5 & 6

233MHz

66MHz

3.5x

Open

Open

Closed

266MHz

66MHz

4x

Closed

Closed

Open

300MHz

66MHv

4.5x

Open

Closed

Open

333MHz

66MHz

5x

Closed

Open

Open

366MHz

66MHz

5.5x

Open

Open

Open