CHAINTECH COMPUTER COMPANY, LTD.
CT-6BTA
|
Device Type |
Mainboard |
|
Processor |
Pentium II/Celeron |
|
Processor Speed |
233/266/300/333/350/366/400/450MHz |
|
Chip Set |
Intel 440BX |
|
Video Chip Set |
None |
|
Maximum Onboard Memory |
384MB (SDRAM supported) |
|
Maximum Video Memory |
None |
|
Cache |
0/128/256/512KB (located on the CPU) |
|
BIOS |
Award |
|
Dimensions |
305mm x 190mm |
|
I/O Options |
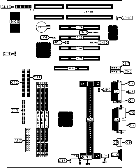
32-bit PCI slots (4), floppy drive interface, game/MIDI port, green PC connector, IDE interfaces (2), parallel port, PS/2 mouse port, serial ports (2), IR connector, USB connectors (2), ATX power connector, AGP slot, line in, line out, microphone in, audio in - CD-ROMs (2), SB-link connector, wake on LAN connector |

|
CONNECTIONS |
|||
|
Purpose |
Location |
Purpose |
Location |
|
AGP slot |
AGP |
CPU fan power |
C16 |
|
ATX power connector |
ATX |
Audio in - CD-ROM |
CN6 |
|
Game/MIDI port |
C1 |
Audio in - CD-ROM |
CN7 |
|
Microphone in |
C2 |
IR connector |
CN9 |
|
Line in |
C3 |
Wake on LAN connector |
CN10 |
|
Line out |
C4 |
Chassis intrusion connector |
CN11 |
|
Parallel port |
C5 |
Power LED & keylock |
CN13/pins 1 - 5 |
|
Serial port 2 |
C6 |
Speaker |
CN13/pins 7 - 10 |
|
Serial port 1 |
C7 |
Soft off power supply |
CN13/pins 11 & 12 |
|
USB connector 1 |
C8 |
Turbo LED |
CN13/pins 13 & 14 |
|
USB connector 2 |
C9 |
Green PC connector |
CN13/pins 16 & 17 |
|
PS/2 mouse port |
C10 |
Green PC LED |
CN13/pins 18 & 19 |
|
IDE interface 2 |
C11 |
Reset switch |
CN13/pins 21 & 22 |
|
IDE interface 1 |
C12 |
IDE interface LED |
CN13/pins 23 & 24 |
|
Floppy drive interface |
C13 |
SB-link connector |
JP3 |
|
Chassis fan power |
C14 |
32-bit PCI slots |
PC1 - PC4 |
|
Chassis fan power |
C15 |
|
|
|
USER CONFIGURABLE SETTINGS |
|||
|
Function |
Label |
Position |
|
|
» |
Keyboard power on disabled |
JP1 |
Pins 1 & 2 closed |
|
|
Keyboard power on enabled |
JP1 |
Pins 2 & 3 closed |
|
» |
CMOS memory normal operation |
JP4 |
Pins 1 & 2 closed |
|
|
CMOS memory clear |
JP4 |
Pins 2 & 3 closed |
|
» |
On board audio enabled |
JP10 |
Pins 1 & 2 closed |
|
|
On board audio disabled |
JP10 |
Pins 2 & 3 closed |
|
DIMM CONFIGURATION |
|||
|
Size |
Bank 0 |
Bank 1 |
Bank 2 |
|
16MB |
(1) 2M x 64 |
None |
None |
|
32MB |
(1) 4M x 64 |
None |
None |
|
32MB |
(1) 2M x 64 |
(1) 2M x 64 |
None |
|
48MB |
(1) 4M x 64 |
(1) 2M x 64 |
None |
|
48MB |
(1) 2M x 64 |
(1) 2M x 64 |
(1) 2M x 64 |
|
64MB |
(1) 8M x 64 |
None |
None |
|
DIMM CONFIGURATION (CON'T) |
|||
|
Size |
Bank 0 |
Bank 1 |
Bank 2 |
|
64MB |
(1) 4M x 64 |
(1) 2M x 64 |
(1) 2M x 64 |
|
64MB |
(1) 4M x 64 |
(1) 4M x 64 |
None |
|
80MB |
(1) 8M x 64 |
(1) 2M x 64 |
None |
|
80MB |
(1) 4M x 64 |
(1) 4M x 64 |
(1) 2M x 64 |
|
96MB |
(1) 8M x 64 |
(1) 2M x 64 |
(1) 2M x 64 |
|
96MB |
(1) 8M x 64 |
(1) 4M x 64 |
None |
|
96MB |
(1) 4M x 64 |
(1) 4M x 64 |
(1) 4M x 64 |
|
112MB |
(1) 8M x 64 |
(1) 4M x 64 |
(1) 2M x 64 |
|
128MB |
(1) 16M x 64 |
None |
None |
|
128MB |
(1) 8M x 64 |
(1) 4M x 64 |
(1) 4M x 64 |
|
128MB |
(1) 8M x 64 |
(1) 8M x 64 |
None |
|
144MB |
(1) 16M x 64 |
(1) 2M x 64 |
None |
|
144MB |
(1) 8M x 64 |
(1) 8M x 64 |
(1) 2M x 64 |
|
160MB |
(1) 16M x 64 |
(1) 2M x 64 |
(1) 2M x 64 |
|
160MB |
(1) 16M x 64 |
(1) 4M x 64 |
None |
|
160MB |
(1) 8M x 64 |
(1) 8M x 64 |
(1) 4M x 64 |
|
176MB |
(1) 16M x 64 |
(1) 4M x 64 |
(1) 2M x 64 |
|
192MB |
(1) 16M x 64 |
(1) 4M x 64 |
(1) 4M x 64 |
|
192MB |
(1) 16M x 64 |
(1) 8M x 64 |
None |
|
192MB |
(1) 8M x 64 |
(1) 8M x 64 |
(1) 8M x 64 |
|
208MB |
(1) 16M x 64 |
(1) 8M x 64 |
(1) 2M x 64 |
|
224MB |
(1) 16M x 64 |
(1) 8M x 64 |
(1) 4M x 64 |
|
256MB |
(1) 16M x 64 |
(1) 8M x 64 |
(1) 8M x 64 |
|
384MB |
(1) 16M x 64 |
(1) 16M x 64 |
(1) 16M x 64 |
|
Note: Board accepts SDRAM memory. |
|||
|
CACHE CONFIGURATION |
|
Note: 256KB/512KB cache is located on the Pentium II CPU. 128KB cache is located on the Celeron 300A & 333 CPU. |
|
CPU SPEED CONFIGURATION |
||
|
Speed |
JP9 |
|
|
» |
Determined by CPU |
Pins 2 & 3 closed |
|
|
100MHz |
Pins 1 & 2 closed |