HEWLETT-PACKARD COMPANY

HP VECTRA 486T PC Series

Processor

80486DX

Processor Speed

25/33MHz

Chip Set

HP

Max. Onboard DRAM

64MB

Cache

None

BIOS

HP

Dimensions

320mm x 112mm

I/O Options

32-bit local bus backplane connector, bus mouse port, serial mouse port

NPU Options

80387/3167

CONNECTIONS

Purpose

Location

32-bit local bus backplane

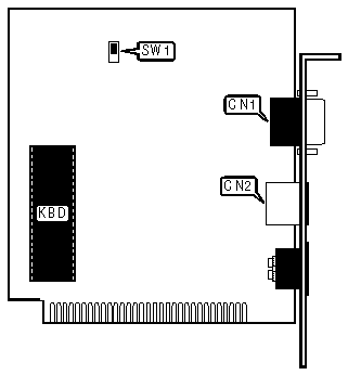
CN1

USER CONFIGURABLE SETTINGS

Function

Jumper

Position

»

CMOS memory normal operation

JP1

pins 2 & 3 closed

 

CMOS memory clear

JP1

pins 1 & 2 closed

Note:Jumper is available on the HP Vectra 486/33T PC only.

CONNECTIONS

Purpose

Location

Purpose

Location

Serial mouse port

CN1

Bus mouse port

CN2

USER CONFIGURABLE SETTINGS

Function

Switch

Position

»

Password check enabled

SW1

position 1

 

Password check disabled

SW1

position 0

SINGLE DENSITY SIMM DRAM CONFIGURATION

Size

Bank 0

Bank 1

Bank 2

Bank 3

2MB

(2) 256K x 36

NONE

NONE

NONE

4MB

(2) 256K x 36

(2) 256K x 36

NONE

NONE

6MB

(2) 256K x 36

(2) 256K x 36

(2) 256K x 36

NONE

8MB

(2) 256K x 36

(2) 256K x 36

(2) 256K x 36

(2) 256K x 36

8MB

(2) 1M x 36

NONE

NONE

NONE

10MB

(2) 1M x 36

(2) 256K x 36

NONE

NONE

12MB

(2) 1M x 36

(2) 256K x 36

(2) 256K x 36

NONE

14MB

(2) 1M x 36

(2) 256K x 36

(2) 256K x 36

(2) 256K x 36

16MB

(2) 1M x 36

(2) 1M x 36

NONE

NONE

18MB

(2) 1M x 36

(2) 1M x 36

(2) 256K x 36

NONE

20MB

(2) 1M x 36

(2) 1M x 36

(2) 256K x 36

(2) 256K x 36

24MB

(2) 1M x 36

(2) 1M x 36

(2) 1M x 36

NONE

26MB

(2) 1M x 36

(2) 1M x 36

(2) 1M x 36

(2) 256K x 36

32MB

(2) 1M x 36

(2) 1M x 36

(2) 1M x 36

(2) 1M x 36

Note:Single-Density and Double-Density 36-bit SIMMs may not be mixed when configuring memory.

DOUBLE DENSITY SIMM DRAM CONFIGURATION

Size

Bank 0

Bank 1

Bank 2

Bank 3

4MB

(2) 512K x 36

NONE

NONE

NONE

8MB

(2) 512K x 36

(2) 512K x 36

NONE

NONE

12MB

(2) 512K x 36

(2) 512K x 36

(2) 512K x 36

NONE

16MB

(2) 512K x 36

(2) 512K x 36

(2) 512K x 36

(2) 512K x 36

20MB

(2) 2M x 36

(2) 512K x 36

NONE

NONE

24MB

(2) 2M x 36

(2) 512K x 36

(2) 512K x 36

NONE

28MB

(2) 2M x 36

(2) 512K x 36

(2) 512K x 36

(2) 512K x 36

32MB

(2) 2M x 36

(2) 2M x 36

NONE

NONE

36MB

(2) 2M x 36

(2) 2M x 36

(2) 512K x 36

NONE

40MB

(2) 2M x 36

(2) 2M x 36

(2) 512K x 36

(2) 512K x 36

48MB

(2) 2M x 36

(2) 2M x 36

(2) 2M x 36

NONE

52MB

(2) 2M x 36

(2) 2M x 36

(2) 2M x 36

(2) 512K x 36

64MB

(2) 2M x 36

(2) 2M x 36

(2) 2M x 36

(2) 2M x 36

Note:Single-Density and Double-Density 36-bit SIMMs may not be mixed when configuring memory.