ELITEGROUP COMPUTER SYSTEMS, INC.

P5HX-A (VER. 1.0)

Processor

CX M1/Pentium

Processor Speed

75/90/100/120/133/150/166/200MHz

Chip Set

Intel

Video Chip Set

None

Maximum Onboard Memory

256MB (EDO supported)

Maximum Video Memory

None

Cache

256/512KB

BIOS

Unidentified

Dimensions

330mm x 218mm

I/O Options

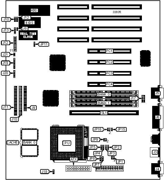
32-bit PCI slots (4), floppy drive interface, green PC connector, IDE interfaces (2), parallel port, PS/2 mouse port, serial ports (2), cache slot, IR connectors (2), USB connector, ATX power connector, soft on/off power switch

NPU Options

None

CONNECTIONS

Purpose

Location

Purpose

Location

ATX power connector

ATX

Power LED & keylock

J12 pins 11 - 15

PS/2 mouse port

J3

Speaker

J12 pins 17 - 20

Serial port 1

J4

IDE interface LED

J13

Serial port 2

J5

USB connector

J17

Parallel port

J6

Chassis fan power

J18

Green PC LED

J8

IR connector (fast)

J19

Floppy drive interface

J9

IR connector

J20

IDE interface 1

J10

Soft on/off power switch

J21

IDE interface 2

J11

32-bit PCI slots

PC1 - PC4

Green PC connector

J12 pins 4 & 5

Cache slot

SL1

Reset switch

J12 pins 9 & 10

   

USER CONFIGURABLE SETTINGS

Function

Label

Position

 

Flash BIOS voltage select 12v

JP10

Pins 2 & 3 closed

 

Flash BIOS voltage select 5v

JP10

Pins 1 & 2 closed

»

CMOS memory normal operation

JP11

Pins 2 & 3 closed

 

CMOS memory clear

JP11

Pins 1 & 2 closed

 

Flash BIOS normal operation

JP12

Pins 2 & 3 closed

 

Flash BIOS recovery mode

JP12

Pins 1 & 2 closed

»

Factory configured - do not alter

JP16

Unidentified

DRAM CONFIGURATION

Size

Bank 0

Bank 1

8MB

(2) 1M x 36

None

16MB

(2) 2M x 36

None

16MB

(2) 1M x 36

(2) 1M x 36

24MB

(2) 2M x 36

(2) 1M x 36

32MB

(2) 4M x 36

None

32MB

(2) 2M x 36

(2) 2M x 36

40MB

(2) 4M x 36

(2) 1M x 36

48MB

(2) 4M x 36

(2) 2M x 36

64MB

(2) 8M x 36

None

64MB

(2) 4M x 36

(2) 4M x 36

72MB

(2) 8M x 36

(2) 1M x 36

80MB

(2) 8M x 36

(2) 2M x 36

96MB

(2) 8M x 36

(2) 4M x 36

128MB

(2) 8M x 36

(2) 8M x 36

128MB

(2) 16M x 36

None

136MB

(2) 16M x 36

(2) 1M x 36

DRAM CONFIGURATION (CON’T)

Size

Bank 0

Bank 1

144MB

(2) 16M x 36

(2) 2M x 36

160MB

(2) 16M x 36

(2) 4M x 36

192MB

(2) 16M x 36

(2) 8M x 36

256MB

(2) 16M x 36

(2) 16M x 36

Note: Board accepts EDO memory.

CACHE CONFIGURATION

Size

Bank 0

SL1

256KB (A)

None

256KB module installed

256KB (B)

(2) 32K x 32

Not installed

512KB (A)

None

512KB module installed

512KB (B)

(2) 32K x 32

256KB module installed

512KB (C)

(2) 64K x 32

Not installed

CACHE JUMPER CONFIGURATION

Size

JP15

256KB (A)

Open

256KB (B)

Closed

512KB (A)

Open

512KB (B)

Closed

512KB (C)

Open

CPU SPEED SELECTION (CYRIX)

CPU speed

Clock speed

Multiplier

JP7

JP8

JP9

120MHz

50MHz

2x

Open

2 & 3

1 & 2, 3 & 4

133MHz

55MHz

2x

Open

2 & 3

Open

150MHz

60MHz

2x

Open

2 & 3

3 & 4

166MHz

66MHz

2x

Open

2 & 3

1 & 2

Note: Pins designated should be in the closed position.

CPU SPEED SELECTION (INTEL)

CPU speed

Clock speed

Multiplier

JP7

JP8

JP9

75MHz

50MHz

1.5x

1 & 2

1 & 2

1 & 2, 3 & 4

90MHz

60MHz

1.5x

1 & 2

1 & 2

3 & 4

100MHz

66MHz

1.5x

1 & 2

1 & 2

1 & 2

120MHz

60MHz

2x

1 & 2

2 & 3

3 & 4

133MHz

66MHz

2x

1 & 2

2 & 3

1 & 2

150MHz *

60MHz

2.5x

2 & 3

2 & 3

3 & 4

166MHz *

66MHz

2.5x

2 & 3

2 & 3

1 & 2

200MHz

66MHz

3x

2 & 3

1 & 2

1 & 2

Note: Pins designated should be in the closed position. *If P55C is used, install U37.

CPU VOLTAGE SELECTION

Voltage

JP1

JP2

JP3

JP4

JP5

»

3.3v

1 & 2

1 & 2

1 & 2

1 & 2

1 & 2

 

3.52v

3 & 4

3 & 4

3 & 4

3 & 4

3 & 4

 

Intel P55C

1 & 2

2 & 3

2 & 3

2 & 3

2 & 3

Note: Pins designated should be in the closed position.