FORCOM TECHNOLOGY CORPORATION
FT-1338A
|
Processor |
80486SX/AM486DX/80486DX/AM486DX2/AM486DX2(WB)/ AM486DX2(WT)/80486DX2/AM486DX4/AM486DX4(WB)/ AM486DX4(WT(/80486DX4/CXM7/STM7/IBMM7/TIM7/CX5X86(WB)/ CX5X86(WT)/ST5X86(WB)/ST5X86(WT)/IBM5X86(WB)/IBM5X86(WT)/ TI5X86(WB)/TI5X86(WT)/ AM5X86(WB)/AM5X86(WT) |
|
Processor Speed |
25/33/40/50(internal)/50/66(internal)/75(internal)/100(internal)MHz |
|
Chip Set |
SIS |
|
Video Chip Set |
Cirrus Logic |
|
Maximum Onboard Memory |
128MB (EDO supported) |
|
Maximum Video Memory |
2MB |
|
Cache |
128/256/512KB |
|
BIOS |
Award |
|
Dimensions |
220mm x 220mm |
|
I/O Options |
Floppy drive interface, green PC connector, IDE interfaces (2), parallel port, PS/2 mouse interface, serial ports (2), VGA feature connector, VGA port, riser slot, IR connector |
|
NPU Options |
None |
|
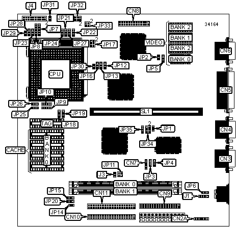
CONNECTIONS | |||
|
Purpose |
Location |
Purpose |
Location |
|
PS/2 mouse interface |
CN2A |
External battery |
J1 |
|
Serial port 1 |
CN3 |
Green PC connector |
J3 |
|
Serial port 2 |
CN4 |
Speaker |
J4 pins 1/3/5/7 |
|
Parallel port |
CN5 |
Reset switch |
J4 pins 2 & 4 |
|
VGA port |
CN6 |
IDE interface LED |
J4 pins 6 & 8 |
|
IR connector |
CN7 |
Power LED & keylock |
J4 pins 11/13/15/17/19 |
|
VGA feature connector |
CN8 |
Turbo LED |
J4 pins 12 & 14 |
|
Floppy drive interface |
CN9 |
Turbo switch |
J4 pins 16/18/20 |
|
IDE interface 1 |
CN10 |
Riser slot |
SL1 |
|
IDE interface 2 |
CN11 | ||
|
USER CONFIGURABLE SETTINGS | |||
|
Function |
Label |
Position | |
|
» |
Factory configured - do not alter |
JP1 |
Unidentified |
|
» |
Factory configured - do not alter |
JP2 |
Unidentified |
|
» |
On board video enabled |
JP5 |
Pins 1 & 2 closed |
|
On board video disabled |
JP5 |
Pins 2 & 3 closed | |
|
» |
CMOS memory normal operation |
JP6 |
Pins 1 & 2 closed |
|
CMOS memory clear |
JP6 |
Pins 2 & 3 closed | |
|
» |
Factory configured - do not alter |
JP11 |
Unidentified |
|
» |
Factory configured - do not alter |
JP12 |
Unidentified |
|
Monitor type select color |
JP14 |
Closed | |
|
Monitor type select monochrome |
JP14 |
Open | |
|
» |
Factory configured - do not alter |
JP15 |
Unidentified |
|
» |
Power good signal detect from board |
JP20 |
Pins 2 & 3 closed |
|
Power good signal detect from power supply |
JP20 |
Pins 1 & 2 closed | |
|
Buzzer enabled |
JP31 |
Closed | |
|
Buzzer disabled |
JP31 |
Open | |
|
» |
Factory configured - do not alter |
JP34 |
Unidentified |
|
» |
Factory configured - do not alter |
JP35 |
Unidentified |
|
DRAM CONFIGURATION | ||
|
Size |
Bank 0 |
Bank 1 |
|
1MB |
(1) 256K x 36 |
None |
|
2MB |
(1) 512K x 36 |
None |
|
2MB |
(1) 256K x 36 |
(1) 256K x 36 |
|
3MB |
(1) 512K x 36 |
(1) 256K x 36 |
|
4MB |
(1) 1M x 36 |
None |
|
4MB |
(1) 512K x 36 |
(1) 512K x 36 |
|
DRAM CONFIGURATION (CON’T) | ||
|
Size |
Bank 0 |
Bank 1 |
|
5MB |
(1) 1M x 36 |
(1) 256K x 36 |
|
6MB |
(1) 1M x 36 |
(1) 512K x 36 |
|
8MB |
(1) 2M x 36 |
None |
|
8MB |
(1) 1M x 36 |
(1) 1M x 36 |
|
9MB |
(1) 2M x 36 |
(1) 256K x 36 |
|
10MB |
(1) 2M x 36 |
(1) 512K x 36 |
|
12MB |
(1) 2M x 36 |
(1) 1M x 36 |
|
16MB |
(1) 4M x 36 |
None |
|
16MB |
(1) 2M x 36 |
(1) 2M x 36 |
|
17MB |
(1) 4M x 36 |
(1) 256K x 36 |
|
18MB |
(1) 4M x 36 |
(1) 512K x 36 |
|
20MB |
(1) 4M x 36 |
(1) 1M x 36 |
|
24MB |
(1) 4M x 36 |
(1) 2M x 36 |
|
32MB |
(1) 8M x 36 |
None |
|
32MB |
(1) 4M x 36 |
(1) 4M x 36 |
|
33MB |
(1) 8M x 36 |
(1) 256K x 36 |
|
34MB |
(1) 8M x 36 |
(1) 512K x 36 |
|
36MB |
(1) 8M x 36 |
(1) 1M x 36 |
|
40MB |
(1) 8M x 36 |
(1) 2M x 36 |
|
48MB |
(1) 8M x 36 |
(1) 4M x 36 |
|
64MB |
(1) 8M x 36 |
(1) 8M x 36 |
|
64MB |
(1) 16M x 36 |
None |
|
128MB |
(1) 16M x 36 |
(1) 16M x 36 |
|
Note: Board accepts EDO memory. Banks are interchangeable. | ||
|
CACHE CONFIGURATION | ||
|
Size |
Bank 0 |
TAG |
|
128KB |
(4) 32K x 8 |
(1) 8K x 8 |
|
256KB |
(4) 64K x 8 |
(1) 32K x 8 |
|
512KB |
(4) 128K x 8 |
(1) 32K x 8 |
|
CACHE JUMPER CONFIGURATION | ||
|
Size |
JP18 |
JP19 |
|
128KB |
Pins 1 & 2 closed |
Pins 1 & 2 closed |
|
256KB |
Pins 1 & 2 closed |
Pins 2 & 3 closed |
|
512KB |
Pins 2 & 3 closed |
Pins 2 & 3 closed |
|
VIDEO MEMORY CONFIGURATION | |||
|
Size |
Bank 0 |
Bank 1 |
Bank 2 |
|
512KB |
512MB |
None |
None |
|
1MB |
512MB |
512MB |
None |
|
2MB |
512MB |
512MB |
1MB |
|
CPU SPEED SELECTION | ||
|
Speed |
JP13 |
JP17 |
|
25MHz |
Pins 1 & 2 closed |
Open |
|
33MHz |
Pins 1 & 2 closed |
Pins 1 & 2, 3 & 4 closed |
|
40MHz |
Pins 2 & 3 closed |
Pins 1 & 2 closed |
|
50iMHz |
Pins 1 & 2 closed |
Open |
|
50MHz |
Pins 2 & 3 closed |
Pins 3 & 4 closed |
|
66iMHz |
Pins 1 & 2 closed |
Pins 1 & 2, 3 & 4 closed |
|
75iMHz |
Pins 1 & 2 closed |
Open |
|
100iMHz |
Pins 1 & 2 closed |
Pins 1 & 2, 3 & 4 closed |
|
CPU TYPE SELECTION | |||||
|
Type |
JP7 |
JP8 |
JP9 |
JP10 |
JP16 |
|
80486SX |
4 & 5 |
Open |
2 & 3 |
Open |
1 & 2 |
|
AM486DX |
4 & 5 |
Open |
1 & 2, 3 & 4 |
Open |
1 & 2 |
|
80486DX |
4 & 5 |
Open |
1 & 2, 3 & 4 |
Open |
1 & 2 |
|
AM486DX2 |
4 & 5 |
Open |
1 & 2, 3 & 4 |
Open |
1 & 2 |
|
AM486DX2 (V8B, WB, 2x) |
4 & 5 |
4 & 5 |
1 & 2, 3 & 4 |
1 & 2, 3 & 4 |
1 & 2 |
|
AM486DX2 (V8B, WB, 3x) |
4 & 5 |
4 & 5 |
1 & 2, 3 & 4 |
1 & 2, 3 & 4 |
1 & 2 |
|
AM486DX2 (V8B, WT, 2x) |
4 & 5 |
4 & 5 |
1 & 2, 3 & 4 |
1 & 2, 3 & 4 |
1 & 2 |
|
AM486DX2 (V8B, WT, 3x) |
4 & 5 |
4 & 5 |
1 & 2, 3 & 4 |
1 & 2, 3 & 4 |
1 & 2 |
|
AM486DX2 (V8T) |
4 & 5 |
Open |
1 & 2, 3 & 4 |
Open |
1 & 2 |
|
80486DX2 |
4 & 5 |
Open |
1 & 2, 3 & 4 |
Open |
1 & 2 |
|
AM486DX4 (2x) |
4 & 5 |
4 & 5 |
1 & 2, 3 & 4 |
3 & 4 |
1 & 2 |
|
AM486DX4 (3x) |
4 & 5 |
4 & 5 |
1 & 2, 3 & 4 |
3 & 4 |
1 & 2 |
|
AM486DX4 (V8B, WB, 2x) |
4 & 5 |
4 & 5 |
1 & 2, 3 & 4 |
1 & 2, 3 & 4 |
1 & 2 |
|
AM486DX4 (V8B, WB, 3x) |
4 & 5 |
4 & 5 |
1 & 2, 3 & 4 |
1 & 2, 3 & 4 |
1 & 2 |
|
AM486DX4 (V8B, WT, 2x) |
4 & 5 |
4 & 5 |
1 & 2, 3 & 4 |
1 & 2, 3 & 4 |
1 & 2 |
|
AM486DX4 (V8B, WT, 3x) |
4 & 5 |
4 & 5 |
1 & 2, 3 & 4 |
1 & 2, 3 & 4 |
1 & 2 |
|
AM486DX4 (V8T) |
4 & 5 |
Open |
1 & 2, 3 & 4 |
Open |
1 & 2 |
|
80486DX4 (2x) |
4 & 5 |
4 & 5 |
1 & 2, 3 & 4 |
3 & 4 |
1 & 2 |
|
80486DX4 (2.5x) |
4 & 5 |
4 & 5 |
1 & 2, 3 & 4 |
3 & 4 |
1 & 2 |
|
80486DX4 (3x) |
4 & 5 |
4 & 5 |
1 & 2, 3 & 4 |
3 & 4 |
1 & 2 |
|
CX M7 |
4 & 5 |
2 & 3 |
1 & 2, 3 & 4 |
2 & 3 |
1 & 2 |
|
ST M7 |
4 & 5 |
2 & 3 |
1 & 2, 3 & 4 |
2 & 3 |
1 & 2 |
|
IBM M7 |
4 & 5 |
2 & 3 |
1 & 2, 3 & 4 |
2 & 3 |
1 & 2 |
|
TI M7 |
4 & 5 |
2 & 3 |
1 & 2, 3 & 4 |
2 & 3 |
1 & 2 |
|
CX 5X86 (WB, 2x) |
4 & 5 |
4 & 5 |
1 & 2, 3 & 4 |
1 & 2, 3 & 4 |
1 & 2 |
|
CX 5X86 (WT, 2x) |
4 & 5 |
4 & 5 |
1 & 2, 3 & 4 |
1 & 2, 3 & 4 |
1 & 2 |
|
CX 5X86 (WB, 3x) |
4 & 5 |
4 & 5 |
1 & 2, 3 & 4 |
1 & 2, 3 & 4 |
1 & 2 |
|
CX 5X86 (WT, 3x) |
4 & 5 |
4 & 5 |
1 & 2, 3 & 4 |
1 & 2, 3 & 4 |
1 & 2 |
|
ST 5X86 (WB, 2x) |
4 & 5 |
4 & 5 |
1 & 2, 3 & 4 |
1 & 2, 3 & 4 |
1 & 2 |
|
ST 5X86 (WT, 2x) |
4 & 5 |
4 & 5 |
1 & 2, 3 & 4 |
1 & 2, 3 & 4 |
1 & 2 |
|
CPU TYPE SELECTION (CON’T) | |||||
|
Type |
JP7 |
JP8 |
JP9 |
JP10 |
JP16 |
|
ST 5X86 (WB, 3x) |
4 & 5 |
4 & 5 |
1 & 2, 3 & 4 |
1 & 2, 3 & 4 |
1 & 2 |
|
ST 5X86 (WT, 3x) |
4 & 5 |
4 & 5 |
1 & 2, 3 & 4 |
1 & 2, 3 & 4 |
1 & 2 |
|
IBM 5X86 (WB, 2x) |
4 & 5 |
4 & 5 |
1 & 2, 3 & 4 |
1 & 2, 3 & 4 |
1 & 2 |
|
IBM 5X86 (WT, 2x) |
4 & 5 |
4 & 5 |
1 & 2, 3 & 4 |
1 & 2, 3 & 4 |
1 & 2 |
|
IBM 5X86 (WB, 3x) |
4 & 5 |
4 & 5 |
1 & 2, 3 & 4 |
1 & 2, 3 & 4 |
1 & 2 |
|
IBM 5X86 (WT, 3x) |
4 & 5 |
4 & 5 |
1 & 2, 3 & 4 |
1 & 2, 3 & 4 |
1 & 2 |
|
TI 5X86 (WB, 2x) |
4 & 5 |
4 & 5 |
1 & 2, 3 & 4 |
1 & 2, 3 & 4 |
1 & 2 |
|
TI 5X86 (WT, 2x) |
4 & 5 |
4 & 5 |
1 & 2, 3 & 4 |
1 & 2, 3 & 4 |
1 & 2 |
|
TI 5X86 (WB, 3x) |
4 & 5 |
4 & 5 |
1 & 2, 3 & 4 |
1 & 2, 3 & 4 |
1 & 2 |
|
TI 5X86 (WT, 3x) |
4 & 5 |
4 & 5 |
1 & 2, 3 & 4 |
1 & 2, 3 & 4 |
1 & 2 |
|
AM 5X86 (WB, 3x) |
4 & 5 |
4 & 5 |
1 & 2, 3 & 4 |
1 & 2, 3 & 4 |
1 & 2 |
|
AM 5X86 (WT, 4x) |
4 & 5 |
4 & 5 |
1 & 2, 3 & 4 |
1 & 2, 3 & 4 |
1 & 2 |
|
AM 5X86 (WB, 3x) |
4 & 5 |
4 & 5 |
1 & 2, 3 & 4 |
1 & 2, 3 & 4 |
1 & 2 |
|
AM 5X86 (WT, 4x) |
4 & 5 |
4 & 5 |
1 & 2, 3 & 4 |
1 & 2, 3 & 4 |
1 & 2 |
|
Note: Pins designated should be in the closed position. | |||||
|
CPU TYPE SELECTION (CON’T) | |||||
|
Type |
JP21 |
JP22 |
JP23 |
JP24 |
JP25 |
|
80486SX |
Open |
Open |
Open |
Open |
Open |
|
AM486DX |
Open |
Open |
Open |
Open |
2 & 3 |
|
80486DX |
Open |
Open |
Open |
Open |
2 & 3 |
|
AM486DX2 |
Open |
Open |
Open |
Open |
2 & 3 |
|
AM486DX2 (V8B, WB, 2x) |
1 & 2 |
Open |
2 & 3 |
2 & 3 |
2 & 3 |
|
AM486DX2 (V8B, WB, 3x) |
1 & 2 |
Open |
Open |
2 & 3 |
2 & 3 |
|
AM486DX2 (V8B, WT, 2x) |
1 & 2 |
Open |
2 & 3 |
2 & 3 |
2 & 3 |
|
AM486DX2 (V8B, WT, 3x) |
1 & 2 |
Open |
Open |
2 & 3 |
2 & 3 |
|
AM486DX2 (V8T) |
Open |
Open |
Open |
Open |
2 & 3 |
|
80486DX2 |
Open |
Open |
Open |
Open |
2 & 3 |
|
AM486DX4 (2x) |
Open |
Open |
2 & 3 |
Open |
2 & 3 |
|
AM486DX4 (3x) |
Open |
Open |
Open |
Open |
2 & 3 |
|
AM486DX4 (V8B, WB, 2x) |
1 & 2 |
Open |
2 & 3 |
2 & 3 |
2 & 3 |
|
AM486DX4 (V8B, WB, 3x) |
1 & 2 |
Open |
Open |
2 & 3 |
2 & 3 |
|
AM486DX4 (V8B, WT, 2x) |
1 & 2 |
Open |
2 & 3 |
2 & 3 |
2 & 3 |
|
AM486DX4 (V8B, WT, 3x) |
1 & 2 |
Open |
Open |
2 & 3 |
2 & 3 |
|
AM486DX4 (V8T) |
Open |
Open |
Open |
Open |
2 & 3 |
|
80486DX4 (2x) |
Open |
Open |
2 & 3 |
Open |
2 & 3 |
|
80486DX4 (2.5x) |
Open |
Open |
1 & 2 |
Open |
2 & 3 |
|
80486DX4 (3x) |
Open |
Open |
Open |
Open |
2 & 3 |
|
CX M7 |
2 & 3 |
2 & 3 |
Open |
Open |
2 & 3 |
|
ST M7 |
2 & 3 |
2 & 3 |
Open |
Open |
2 & 3 |
|
IBM M7 |
2 & 3 |
2 & 3 |
Open |
Open |
2 & 3 |
|
CPU TYPE SELECTION (CON’T) | |||||
|
Type |
JP21 |
JP22 |
JP23 |
JP24 |
JP25 |
|
TI M7 |
2 & 3 |
2 & 3 |
Open |
Open |
2 & 3 |
|
CX 5X86 (WB, 2x) |
1 & 2 |
Open |
2 & 3 |
2 & 3 |
2 & 3 |
|
CX 5X86 (WT, 2x) |
1 & 2 |
Open |
2 & 3 |
2 & 3 |
2 & 3 |
|
CX 5X86 (WB, 3x) |
1 & 2 |
Open |
Open |
2 & 3 |
2 & 3 |
|
CX 5X86 (WT, 3x) |
1 & 2 |
Open |
Open |
2 & 3 |
2 & 3 |
|
ST 5X86 (WB, 2x) |
1 & 2 |
Open |
2 & 3 |
2 & 3 |
2 & 3 |
|
ST 5X86 (WT, 2x) |
1 & 2 |
Open |
2 & 3 |
2 & 3 |
2 & 3 |
|
ST 5X86 (WB, 3x) |
1 & 2 |
Open |
Open |
2 & 3 |
2 & 3 |
|
ST 5X86 (WT, 3x) |
1 & 2 |
Open |
Open |
2 & 3 |
2 & 3 |
|
IBM 5X86 (WB, 2x) |
1 & 2 |
Open |
2 & 3 |
2 & 3 |
2 & 3 |
|
IBM 5X86 (WT, 2x) |
1 & 2 |
Open |
2 & 3 |
2 & 3 |
2 & 3 |
|
IBM 5X86 (WB, 3x) |
1 & 2 |
Open |
Open |
2 & 3 |
2 & 3 |
|
IBM 5X86 (WT, 3x) |
1 & 2 |
Open |
Open |
2 & 3 |
2 & 3 |
|
TI 5X86 (WB, 2x) |
1 & 2 |
Open |
2 & 3 |
2 & 3 |
2 & 3 |
|
TI 5X86 (WT, 2x) |
1 & 2 |
Open |
2 & 3 |
2 & 3 |
2 & 3 |
|
TI 5X86 (WB, 3x) |
1 & 2 |
Open |
Open |
2 & 3 |
2 & 3 |
|
TI 5X86 (WT, 3x) |
1 & 2 |
Open |
Open |
2 & 3 |
2 & 3 |
|
AM 5X86 (WB, 3x) |
1 & 2 |
Open |
Open |
2 & 3 |
2 & 3 |
|
AM 5X86 (WT, 4x) |
1 & 2 |
Open |
2 & 3 |
2 & 3 |
2 & 3 |
|
AM 5X86 (WB, 3x) |
1 & 2 |
Open |
Open |
2 & 3 |
2 & 3 |
|
AM 5X86 (WT, 4x) |
1 & 2 |
Open |
2 & 3 |
2 & 3 |
2 & 3 |
|
Note: Pins designated should be in the closed position. | |||||
|
CPU TYPE SELECTION (CON’T) | |||||
|
Type |
JP26 |
JP27 |
JP28 |
JP29 |
JP30 |
|
80486SX |
Open |
Open |
Open |
Open |
Open |
|
AM486DX |
Open |
Open |
Open |
Open |
Open |
|
80486DX |
Open |
Open |
Open |
Open |
Open |
|
AM486DX2 |
Open |
Open |
Open |
Open |
Open |
|
AM486DX2 (V8B, WB, 2x) |
2 & 3 |
Open |
1 & 2 |
Open |
Closed |
|
AM486DX2 (V8B, WB, 3x) |
2 & 3 |
Open |
1 & 2 |
Open |
Closed |
|
AM486DX2 (V8B, WT, 2x) |
2 & 3 |
Open |
2 & 3 |
Open |
Closed |
|
AM486DX2 (V8B, WT, 3x) |
2 & 3 |
Open |
2 & 3 |
Open |
Closed |
|
AM486DX2 (V8T) |
Open |
Open |
2 & 3 |
Open |
Closed |
|
80486DX2 |
Open |
Open |
Open |
Open |
Open |
|
AM486DX4 (2x) |
2 & 3 |
Open |
Open |
Open |
Closed |
|
AM486DX4 (3x) |
2 & 3 |
Open |
Open |
Open |
Closed |
|
AM486DX4 (V8B, WB, 2x) |
2 & 3 |
Open |
1 & 2 |
Open |
Closed |
|
AM486DX4 (V8B, WB, 3x) |
2 & 3 |
Open |
1 & 2 |
Open |
Closed |
|
AM486DX4 (V8B, WT, 2x) |
2 & 3 |
Open |
2 & 3 |
Open |
Closed |
|
AM486DX4 (V8B, WT, 3x) |
2 & 3 |
Open |
2 & 3 |
Open |
Closed |
|
CPU TYPE SELECTION (CON’T) | |||||
|
Type |
JP26 |
JP27 |
JP28 |
JP29 |
JP30 |
|
AM486DX4 (V8T) |
Open |
Open |
1 & 2 |
Open |
Closed |
|
80486DX4 (2x) |
2 & 3 |
Open |
Open |
Open |
Closed |
|
80486DX4 (2.5x) |
2 & 3 |
Open |
Open |
Open |
Closed |
|
80486DX4 (3x) |
2 & 3 |
Open |
Open |
Open |
Closed |
|
CX M7 |
1 & 2 |
Open |
Open |
Open |
Closed |
|
ST M7 |
1 & 2 |
Open |
Open |
Open |
Closed |
|
IBM M7 |
1 & 2 |
Open |
Open |
Open |
Closed |
|
TI M7 |
1 & 2 |
Open |
Open |
Open |
Closed |
|
CX 5X86 (WB, 2x) |
2 & 3 |
Open |
1 & 2 |
Open |
Closed |
|
CX 5X86 (WT, 2x) |
2 & 3 |
Open |
2 & 3 |
Open |
Closed |
|
CX 5X86 (WB, 3x) |
2 & 3 |
Open |
1 & 2 |
Open |
Closed |
|
CX 5X86 (WT, 3x) |
2 & 3 |
Open |
2 & 3 |
Open |
Closed |
|
ST 5X86 (WB, 2x) |
2 & 3 |
Open |
1 & 2 |
Open |
Closed |
|
ST 5X86 (WT, 2x) |
2 & 3 |
Open |
2 & 3 |
Open |
Closed |
|
ST 5X86 (WB, 3x) |
2 & 3 |
Open |
1 & 2 |
Open |
Closed |
|
ST 5X86 (WT, 3x) |
2 & 3 |
Open |
2 & 3 |
Open |
Closed |
|
IBM 5X86 (WB, 2x) |
2 & 3 |
Open |
1 & 2 |
Open |
Closed |
|
IBM 5X86 (WT, 2x) |
2 & 3 |
Open |
2 & 3 |
Open |
Closed |
|
IBM 5X86 (WB, 3x) |
2 & 3 |
Open |
1 & 2 |
Open |
Closed |
|
IBM 5X86 (WT, 3x) |
2 & 3 |
Open |
2 & 3 |
Open |
Closed |
|
TI 5X86 (WB, 2x) |
2 & 3 |
Open |
1 & 2 |
Open |
Closed |
|
TI 5X86 (WT, 2x) |
2 & 3 |
Open |
2 & 3 |
Open |
Closed |
|
TI 5X86 (WB, 3x) |
2 & 3 |
Open |
1 & 2 |
Open |
Closed |
|
TI 5X86 (WT, 3x) |
2 & 3 |
Open |
2 & 3 |
Open |
Closed |
|
AM 5X86 (WB, 3x) |
2 & 3 |
Open |
1 & 2 |
Open |
Closed |
|
AM 5X86 (WT, 4x) |
2 & 3 |
Open |
2 & 3 |
Open |
Closed |
|
AM 5X86 (WB, 3x) |
2 & 3 |
Open |
1 & 2 |
Open |
Closed |
|
AM 5X86 (WT, 4x) |
2 & 3 |
Open |
2 & 3 |
Open |
Closed |
|
Note: Pins designated should be in the closed position. | |||||
|
CPU VOLTAGE SELECTION | ||
|
Voltage |
JP32 |
JP33 |
|
3.3v |
Pins 1 & 2 closed |
Pins 1 & 3, 2 & 4 closed |
|
3.45v |
Pins 3 & 4 closed |
Pins 1 & 3, 2 & 4 closed |
|
4v |
Pins 5 & 6 closed |
Pins 1 & 3, 2 & 4 closed |
|
5v |
N/A |
Pins 1 & 2, 3 & 4 closed |
|
IR SELECTION | ||
|
Setting |
JP3 |
JP4 |
|
U3 is 665IR, IR via CN7 |
Pins 1 & 2 closed |
Pins 1 & 2 closed |
|
U3 uses 665GT/669 or 665IR without IR |
Pins 2 & 3 closed |
Pins 2 & 3 closed |