EPOX COMPUTER CO., LTD.
P55-VP3
|
Device Type |
Mainboard |
|
Processor |
CX 6X86L/IBM 6X86L/CX 686MX/IBM 6X86MX/AM K5/ AM K6/Pentium/Pentium MMX |
|
Processor Speed |
90/100/120/133/150/166/188/200/225/233/266/300/333MHz |
|
Chip Set |
VIA |
|
Video Chip Set |
None |
|
Maximum Onboard Memory |
384MB (EDO & SDRAM supported) |
|
Maximum Video Memory |
None |
|
Cache |
512KB |
|
BIOS |
Award |
|
Dimensions |
305mm x 244mm |
|
I/O Options |
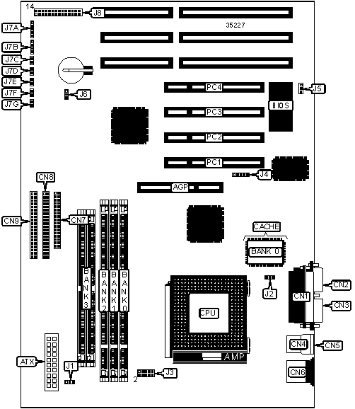
32-bit PCI slots (4), floppy drive interface, IDE interfaces (2), parallel port, PS/2 mouse port, serial ports (2), IR connector, USB connectors (2), ATX power connector, AGP slot |
|
NPU Options |
None |
|
CONNECTIONS | |||
|
Purpose |
Location |
Purpose |
Location |
|
AGP slot |
AGP |
CPU fan power |
J2 |
|
ATX power connector |
ATX |
IR connector |
J4 |
|
Parallel port |
CN1 |
Power LED & keylock |
J7A |
|
Serial port 2 |
CN2 |
Speaker |
J7B |
|
Serial port 1 |
CN3 |
Reset switch |
J7C |
|
USB connector 1 |
CN4 |
Green PC LED |
J7D |
|
USB connector 2 |
CN5 |
Turbo LED |
J7E |
|
PS/2 mouse port |
CN6 |
IDE interface LED |
J7F |
|
Floppy drive interface |
CN7 |
Soft off power supply |
J7G |
|
IDE interface 1 |
CN8 |
32-bit PCI slots |
PC1 – PC4 |
|
IDE interface 2 |
CN9 | ||
|
USER CONFIGURABLE SETTINGS | |||
|
Function |
Label |
Position | |
|
Keyboard power on disabled |
J1 |
Pins 1 & 2 closed | |
|
Keyboard power on enabled |
J1 |
Pins 2 & 3 closed | |
|
» |
Factory configured - do not alter |
J5 |
Unidentified |
|
» |
Factory configured - do not alter |
J6 |
Unidentified |
|
SIMM CONFIGURATION | |
|
Size |
Bank 3 |
|
8MB |
(2) 1M x 36 |
|
16MB |
(2) 2M x 36 |
|
32MB |
(2) 4M x 36 |
|
64MB |
(2) 8M x 36 |
|
128MB |
(2) 16M x 36 |
|
Note: Board accepts EDO memory. | |
|
DIMM CONFIGURATION | |||
|
Size |
Bank 0 |
Bank 1 |
Bank 2 |
|
8MB |
(1) 1M x 64 |
None |
None |
|
16MB |
(1) 2M x 64 |
None |
None |
|
16MB |
(1) 1M x 64 |
(1) 1M x 64 |
None |
|
24MB |
(1) 2M x 64 |
(1) 1M x 64 |
None |
|
24MB |
(1) 1M x 64 |
(1) 1M x 64 |
(1) 1M x 64 |
|
32MB |
(1) 4M x 64 |
None |
None |
|
32MB |
(1) 2M x 64 |
(1) 1M x 64 |
(1) 1M x 64 |
|
DIMM CONFIGURATION (CON’T) | |||
|
Size |
Bank 0 |
Bank 1 |
Bank 2 |
|
32MB |
(1) 2M x 64 |
(1) 2M x 64 |
None |
|
40MB |
(1) 4M x 64 |
(1) 1M x 64 |
None |
|
40MB |
(1) 2M x 64 |
(1) 2M x 64 |
(1) 1M x 64 |
|
48MB |
(1) 4M x 64 |
(1) 1M x 64 |
(1) 1M x 64 |
|
48MB |
(1) 4M x 64 |
(1) 2M x 64 |
None |
|
48MB |
(1) 2M x 64 |
(1) 2M x 64 |
(1) 2M x 64 |
|
64MB |
(1) 8M x 64 |
None |
None |
|
64MB |
(1) 4M x 64 |
(1) 2M x 64 |
(1) 2M x 64 |
|
64MB |
(1) 4M x 64 |
(1) 4M x 64 |
None |
|
72MB |
(1) 8M x 64 |
(1) 1M x 64 |
None |
|
80MB |
(1) 8M x 64 |
(1) 1M x 64 |
(1) 1M x 64 |
|
80MB |
(1) 4M x 64 |
(1) 4M x 64 |
(1) 2M x 64 |
|
88MB |
(1) 8M x 64 |
(1) 2M x 64 |
(1) 1M x 64 |
|
96MB |
(1) 8M x 64 |
(1) 4M x 64 |
None |
|
96MB |
(1) 4M x 64 |
(1) 4M x 64 |
(1) 4M x 64 |
|
112MB |
(1) 8M x 64 |
(1) 4M x 64 |
(1) 2M x 64 |
|
128MB |
(1) 8M x 64 |
(1) 4M x 64 |
(1) 4M x 64 |
|
128MB |
(1) 8M x 64 |
(1) 8M x 64 |
None |
|
136MB |
(1) 16M x 64 |
(1) 1M x 64 |
None |
|
136MB |
(1) 8M x 64 |
(1) 8M x 64 |
(1) 1M x 64 |
|
144MB |
(1) 8M x 64 |
(1) 8M x 64 |
(1) 2M x 64 |
|
152MB |
(1) 16M x 64 |
(1) 2M x 64 |
(1) 1M x 64 |
|
160MB |
(1) 16M x 64 |
(1) 2M x 64 |
(1) 2M x 64 |
|
160MB |
(1) 16M x 64 |
(1) 4M x 64 |
None |
|
160MB |
(1) 8M x 64 |
(1) 8M x 64 |
(1) 4M x 64 |
|
168MB |
(1) 16M x 64 |
(1) 4M x 64 |
(1) 1M x 64 |
|
176MB |
(1) 16M x 64 |
(1) 4M x 64 |
(1) 2M x 64 |
|
192MB |
(1) 16M x 64 |
(1) 8M x 64 |
None |
|
192MB |
(1) 8M x 64 |
(1) 8M x 64 |
(1) 8M x 64 |
|
200MB |
(1) 16M x 64 |
(1) 8M x 64 |
(1) 1M x 64 |
|
208MB |
(1) 16M x 64 |
(1) 8M x 64 |
(1) 2M x 64 |
|
224MB |
(1) 16M x 64 |
(1) 8M x 64 |
(1) 4M x 64 |
|
256MB |
(1) 16M x 64 |
(1) 8M x 64 |
(1) 8M x 64 |
|
384MB |
(1) 16M x 64 |
(1) 16M x 64 |
(1) 16M x 64 |
|
Note: Board accepts SDRAM memory. | |||
|
CACHE CONFIGURATION | |
|
Size |
Bank 0 |
|
512KB |
(1) 64K x 64 |
|
CPU SPEED SELECTION (CX 6X86L) | |||
|
CPU speed |
Clock speed |
Multiplier |
JP3 |
|
150MHz |
60MHz |
2.5x |
Pins 3 & 4 closed |
|
166MHz |
66MHz |
2.5x |
Pins 5 & 6 closed |
|
200MHz |
75MHz |
3x |
Pins 7 & 8 closed |
|
CPU SPEED SELECTION (IBM 6X86L) | |||
|
CPU speed |
Clock speed |
Multiplier |
JP3 |
|
150MHz |
60MHz |
2.5x |
Pins 3 & 4 closed |
|
166MHz |
66MHz |
2.5x |
Pins 5 & 6 closed |
|
200MHz |
75MHz |
3x |
Pins 7 & 8 closed |
|
CPU SPEED SELECTION (CX 6X86MX) | |||
|
CPU speed |
Clock speed |
Multiplier |
JP3 |
|
166MHz |
66MHz |
2x |
Pins 5 & 6 closed |
|
166MHz |
60MHz |
2.5x |
Pins 9 & 10 closed |
|
200MHz |
75MHz |
2x |
Pins 7 & 8 closed |
|
200MHz |
66MHz |
2.5x |
Pins 11 & 12 closed |
|
233MHz |
75MHz |
2.5x |
Pins 13 & 14 closed |
|
233MHz |
66MHz |
3x |
Pins 15 & 16 closed |
|
266MHz |
75MHz |
3x |
Pins 17 & 18 closed |
|
266MHz |
66MHz |
3.5x |
Pins 19 & 20 closed |
|
CPU SPEED SELECTION (IBM 6X86MX) | |||
|
CPU speed |
Clock speed |
Multiplier |
JP3 |
|
166MHz |
66MHz |
2x |
Pins 5 & 6 closed |
|
166MHz |
60MHz |
2.5x |
Pins 9 & 10 closed |
|
200MHz |
75MHz |
2x |
Pins 7 & 8 closed |
|
200MHz |
66MHz |
2.5x |
Pins 11 & 12 closed |
|
233MHz |
75MHz |
2.5x |
Pins 13 & 14 closed |
|
233MHz |
66MHz |
3x |
Pins 15 & 16 closed |
|
266MHz |
75MHz |
3x |
Pins 17 & 18 closed |
|
266MHz |
66MHz |
3.5x |
Pins 19 & 20 closed |
|
CPU SPEED SELECTION (AM K5) | |||
|
CPU speed |
Clock speed |
Multiplier |
JP3 |
|
90MHz |
60MHz |
1.5x |
Pins 27 & 28 closed |
|
100MHz |
66MHz |
1.5x |
Pins 1 & 2 closed |
|
120MHz |
60MHz |
2x |
Pins 3 & 4 closed |
|
133MHz |
66MHz |
2x |
Pins 5 & 6 closed |
|
150MHz |
60MHz |
2.5x |
Pins 9 & 10 closed |
|
166MHz |
66MHz |
2.5x |
Pins 11 & 12 closed |
|
188MHz |
75MHz |
2.5x |
Pins 13 & 14 closed |
|
200MHz |
66MHz |
3x |
Pins 15 & 16 closed |
|
CPU SPEED SELECTION (AM K6) | |||
|
CPU speed |
Clock speed |
Multiplier |
JP3 |
|
166MHz |
66MHz |
2.5x |
Pins 11 & 12 closed |
|
200MHz |
66MHz |
3x |
Pins 15 & 16 closed |
|
225MHz |
75MHz |
3x |
Pins 17 & 18 closed |
|
233MHz |
66MHz |
3.5x |
Pins 19 & 20 closed |
|
266MHz |
66MHz |
4x |
Pins 21 & 22 closed |
|
300MHz |
66MHz |
4.5x |
Pins 23 & 24 closed |
|
333MHz |
66MHz |
5x |
Pins 25 & 26 closed |
|
CPU SPEED SELECTION (INTEL) | |||
|
CPU speed |
Clock speed |
Multiplier |
JP3 |
|
90MHz |
60MHz |
1.5x |
Pins 27 & 28 closed |
|
100MHz |
66MHz |
1.5x |
Pins 1 & 2 closed |
|
120MHz |
60MHz |
2x |
Pins 3 & 4 closed |
|
133MHz |
66MHz |
2x |
Pins 5 & 6 closed |
|
150MHz |
60MHz |
2.5x |
Pins 9 & 10 closed |
|
166MHz |
66MHz |
2.5x |
Pins 11 & 12 closed |
|
188MHz |
75MHz |
2.5x |
Pins 13 & 14 closed |
|
200MHz |
66MHz |
3x |
Pins 15 & 16 closed |
|
CPU SPEED SELECTION (INTEL MMX) | |||
|
CPU speed |
Clock speed |
Multiplier |
JP3 |
|
166MHz |
66MHz |
2.5x |
Pins 11 & 12 closed |
|
200MHz |
66MHz |
3x |
Pins 15 & 16 closed |
|
225MHz |
75MHz |
3x |
Pins 17 & 18 closed |
|
233MHz |
66MHz |
3.5x |
Pins 19 & 20 closed |
|
266MHz |
66MHz |
4x |
Pins 21 & 22 closed |
|
300MHz |
66MHz |
4.5x |
Pins 23 & 24 closed |
|
333MHz |
66MHz |
5x |
Pins 25 & 26 closed |
|
CPU VOLTAGE SELECTION | ||
|
Voltage |
JP2 | |
|
2.1v |
Pins 1 & 2 closed | |
|
2.2v |
Pins 3 & 4 closed | |
| » |
2.8v |
Pins 5 & 6 closed |
|
2.9v |
Pins 7 & 8 closed | |
|
3.2v |
Pins 9 & 10 closed | |