FREE COMPUTER TECHNOLOGY, INC.
P6F94
|
Device Type |
Mainboard |
|
Processor |
Pentium II/Celeron |
|
Processor Speed |
233/266/300/333MHz |
|
Chip Set |
Intel 440LX |
|
Video Chip Set |
None |
|
Maximum Onboard Memory |
256MB (SDRAM supported) |
|
Maximum Video Memory |
None |
|
Cache |
512KB (located on Pentium II CPU) |
|
BIOS |
Award |
|
Dimensions |
245mm x 190mm |
|
I/O Options |
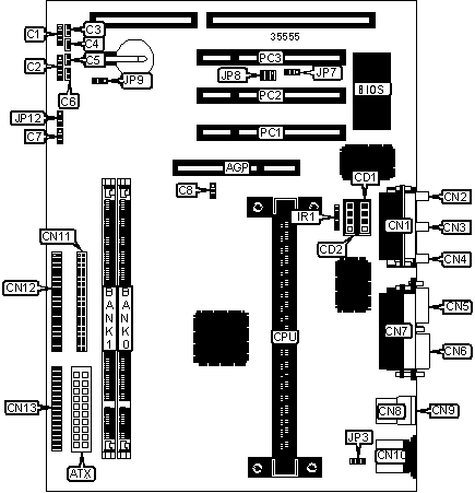
32-bit PCI slots (3), floppy drive interface, game/MIDI port, IDE interfaces (2), parallel port, PS/2 mouse port, IR connector, USB connectors (2), ATX power connector, AGP slot, line in, line out, microphone in, SB-link connector, wake on LAN connector |
|
CONNECTIONS | |||
|
Purpose |
Location |
Purpose |
Location |
|
AGP slot |
AGP |
Line out |
CN4 |
|
ATX power connector |
ATX |
Serial port 1 |
CN5 |
|
Speaker |
C1 |
Serial port 2 |
CN6 |
|
Power LED & keylock |
C2 |
Parallel port |
CN7 |
|
IDE interface LED |
C3 |
USB connector 1 |
CN8 |
|
Standby LED |
C4 |
USB connector 2 |
CN9 |
|
Reset switch |
C5 |
PS/2 mouse port |
CN10 |
|
Soft off power supply |
C6 |
IDE interface 2 |
CN11 |
|
Chassis fan power |
C7 |
IDE interface 1 |
CN12 |
|
CPU fan power |
C8 |
Floppy drive interface |
CN13 |
|
Audio in – CD-ROM |
CD1 |
IR connector |
IR1 |
|
Audio in – CD-ROM |
CD2 |
Wake on LAN connector |
JP7 |
|
Game/MIDI port |
CN1 |
SB-link connector |
JP8 |
|
Microphone in |
CN2 |
32-bit PCI slots |
PC1 – PC3 |
|
Line in |
CN3 | ||
|
USER CONFIGURABLE SETTINGS | |||
|
Function |
Label |
Position | |
|
Keyboard/mouse voltage select +5v |
JP3 |
Pins 1 & 2 closed | |
|
Keyboard/mouse voltage select +5vsb |
JP3 |
Pins 2 & 3 closed | |
|
» |
CMOS memory normal operation |
JP9 |
Pins 1 & 2 closed |
|
CMOS memory clear |
JP9 |
Pins 2 & 3 closed | |
|
» |
Auto power on disabled |
JP12 |
Pins 2 & 3 closed |
|
Auto power on enabled |
JP12 |
Pins 1 & 2 closed | |
|
DIMM CONFIGURATION | ||
|
Size |
Bank 0 |
Bank 1 |
|
8MB |
(1) 1M x 64 |
None |
|
16MB |
(1) 2M x 64 |
None |
|
16MB |
(1) 1M x 64 |
(1) 1M x 64 |
|
24MB |
(1) 2M x 64 |
(1) 1M x 64 |
|
32MB |
(1) 4M x 64 |
None |
|
32MB |
(1) 2M x 64 |
(1) 2M x 64 |
|
40MB |
(1) 4M x 64 |
(1) 1M x 64 |
|
48MB |
(1) 4M x 64 |
(1) 2M x 64 |
|
64MB |
(1) 8M x 64 |
None |
|
64MB |
(1) 4M x 64 |
(1) 4M x 64 |
|
DIMM CONFIGURATION (CON’T) | ||
|
Size |
Bank 0 |
Bank 1 |
|
72MB |
(1) 8M x 64 |
(1) 1M x 64 |
|
80MB |
(1) 8M x 64 |
(1) 2M x 64 |
|
96MB |
(1) 8M x 64 |
(1) 4M x 64 |
|
128MB |
(1) 16M x 64 |
None |
|
128MB |
(1) 8M x 64 |
(1) 8M x 64 |
|
136MB |
(1) 16M x 64 |
(1) 1M x 64 |
|
144MB |
(1) 16M x 64 |
(1) 2M x 64 |
|
160MB |
(1) 16M x 64 |
(1) 4M x 64 |
|
192MB |
(1) 16M x 64 |
(1) 8M x 64 |
|
256MB |
(1) 16M x 64 |
(1) 16M x 64 |
|
Note: Board accepts SDRAM memory. | ||
|
CACHE CONFIGURATION |
|
Note: 512KB cache is located on the Pentium II CPU. |