FREETECH CORPORATION
P5F98A
|
Device Type |
Mainboard |
|
Processor |
CX 6X86L/CX 6X86 MX/CX MII/AM K6/Pentium/Pentium MMX |
|
Processor Speed |
100/120/133/150/166/180/200/233/266/300MHz |
|
Chip Set |
SIS 5598 |
|
Video Chip Set |
SIS |
|
Audio Chip Set |
Advanced Logic |
|
Maximum Onboard Memory |
384MB (EDO & SDRAM supported), UMA (Unified Memory Architecture) |
|
Cache |
512KB |
|
BIOS |
Unidentified |
|
Dimensions |
247mm x 220mm |
|
I/O Options |
32-bit PCI slots (3), floppy drive interface, game interface, IDE interfaces (2), parallel port, PS/2 mouse interface, serial ports (2), VGA feature connector, VGA port, IR connector, USB connector, ATX power connector, line in, line out, microphone in |
|
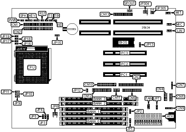
CONNECTIONS | |||
|
Purpose |
Location |
Purpose |
Location |
|
ATX power connector |
ATX |
CPU fan power |
FAN |
|
IDE interface 1 |
CN1 |
IDE interface LED |
HD |
|
IDE interface 2 |
CN2 |
Power LED & keylock |
KEY |
|
Floppy drive interface |
CN3 |
Line in |
LIN |
|
Serial port 1 |
CN4 |
Microphone in |
MIC |
|
Serial port 2 |
CN5 |
32-bit PCI slots |
PC1 - PC3 |
|
Parallel port |
CN6 |
Soft off power supply |
PWR |
|
IR connector |
CN7 |
Reset switch |
RST |
|
PS/2 mouse interface |
CN9 |
Speaker |
SPK |
|
VGA connector |
CN10 |
Line out |
SPOUT |
|
USB connector |
CN11 |
Turbo LED |
TB |
|
VGA feature connector |
CN12 |
Turbo switch |
TS |
|
Game interface |
CN13 | ||
|
USER CONFIGURABLE SETTINGS | |||
|
Function |
Label |
Position | |
|
Flash BIOS voltage select 12v |
JP13 |
Pins 2 & 3 closed | |
|
Flash BIOS voltage select 5v |
JP13 |
Pins 1 & 2 closed | |
|
» |
CMOS memory normal operation |
JP15 |
Pins 1 & 2 closed |
|
CMOS memory clear |
JP15 |
Pins 2 & 3 closed | |
|
SIMM CONFIGURATION | ||
|
Size |
Bank 0 |
Bank 1 |
|
4MB |
(2) 1MB x 32 |
None |
|
8MB |
(2) 1MB x 32 |
(2) 1MB x 32 |
|
8MB |
(2) 2MB x 32 |
None |
|
12MB |
(2) 2MB x 32 |
(2) 1MB x 32 |
|
16MB |
(2) 2MB x 32 |
(2) 2MB x 32 |
|
16MB |
(2) 4MB x 32 |
None |
|
24MB |
(2) 4MB x 32 |
(2) 2MB x 32 |
|
32MB |
(2) 4MB x 32 |
(2) 4MB x 32 |
|
32MB |
(2) 8MB x 32 |
None |
|
48MB |
(2) 8MB x 32 |
(2) 4MB x 32 |
|
64MB |
(2) 8MB x 32 |
(2) 8MB x 32 |
|
64MB |
(2) 16MB x 32 |
None |
|
96MB |
(2) 16MB x 32 |
(2) 8MB x 32 |
|
128MB |
(2) 16MB x 32 |
(2) 16MB x 32 |
|
128MB |
(2) 32MB x 32 |
None |
|
192MB |
(2) 32MB x 32 |
(2) 16MB x 32 |
|
256MB |
(2) 32MB x 32 |
(2) 32MB x 32 |
|
Note: Both SIMMs and DIMMs may be used at the same time, however the SIMM BANK 0 and the DIMM BANK 2 can not both be used at the same time. | ||
|
DIMM CONFIGURATION | ||
|
Size |
Bank 2 |
Bank 3 |
|
8MB |
(1) 1MB x 64 |
None |
|
16MB |
(1) 1MB x 64 |
(1) 1MB x 64 |
|
16MB |
(1) 2MB x 64 |
None |
|
24MB |
(1) 2MB x 64 |
(1) 1MB x 64 |
|
32MB |
(1) 2MB x 64 |
(1) 2MB x 64 |
|
32MB |
(1) 4MB x 64 |
None |
|
48MB |
(1) 4MB x 64 |
(1) 2MB x 64 |
|
64MB |
(1) 4MB x 64 |
(1) 4MB x 64 |
|
64MB |
(1) 8MB x 64 |
None |
|
96MB |
(1) 8MB x 64 |
(1) 4MB x 64 |
|
128MB |
(1) 8MB x 64 |
(1) 8MB x 64 |
|
128MB |
(1) 16MB x 64 |
None |
|
192MB |
(1) 16MB x 64 |
(1) 8MB x 64 |
|
256MB |
(1) 16MB x 64 |
(1) 16MB x 64 |
|
Note: Both SIMMs and DIMMs may be used at the same time, however the SIMM BANK 0 and the DIMM BANK 2 can not both be used at the same time. | ||
|
DIMM VOLTAGE SELECTION | |
|
Voltage |
JP6 |
|
3.3v |
Pins 3 & 5, 4 & 6 closed |
|
5v |
Pins 1 & 3, 2 & 4 closed |
|
SOUND OUTPUT SELECTION | ||
|
Sound Output |
JP304 |
JP305 |
|
Line out |
1 & 3, 2 & 4 |
Open |
|
Speaker out |
3 & 5, 4 & 6 |
1 & 2, 3 & 4 |
|
Note: Pins designated are in the closed position. | ||
|
VGA SELECTION | |||
|
VGA Selection |
JP1 |
JP2 |
JP12 |
|
Onboard VGA enabled |
1 & 2 |
1 & 2 |
Closed |
|
Onboard VGA disabled |
2 & 3 |
2 & 3 |
Open |
|
Note: Pins designated are in the closed position. | |||
|
CPU SPEED SELECTION (CX 6X86L) | ||||||||
|
CPU speed |
Clock speed |
Multiplier |
JP3 |
JP4 |
JP5 |
JP9 |
JP10 |
JP11 |
|
150MHz |
60MHz |
2x |
2 & 3 |
1 & 2 |
2 & 3 |
1 & 2 |
2 & 3 |
1 & 2 |
|
166MHz |
66MHz |
2x |
2 & 3 |
2 & 3 |
1 & 2 |
1 & 2 |
2 & 3 |
1 & 2 |
|
200MHz |
75MHz |
3x |
1 & 2 |
1 & 2 |
2 & 3 |
1 & 2 |
2 & 3 |
1 & 2 |
|
Note: Pins designated are in the closed position. | ||||||||
|
CPU SPEED SELECTION (CX 6X86MX) | ||||||||
|
CPU speed |
Clock speed |
Multiplier |
JP3 |
JP4 |
JP5 |
JP9 |
JP10 |
JP11 |
|
166MHz |
60MHz |
2.5x |
2 & 3 |
1 & 2 |
2 & 3 |
1 & 2 |
2 & 3 |
2 & 3 |
|
166MHz |
66MHz |
2x |
2 & 3 |
2 & 3 |
1 & 2 |
1 & 2 |
2 & 3 |
1 & 2 |
|
200MHz |
66MHz |
2.5x |
2 & 3 |
2 & 3 |
1 & 2 |
1 & 2 |
2 & 3 |
2 & 3 |
|
233MHz |
75MHz |
2.5x |
1 & 2 |
1 & 2 |
2 & 3 |
1 & 2 |
2 & 3 |
2 & 3 |
|
233MHz |
66MHz |
3x |
2 & 3 |
2 & 3 |
1 & 2 |
1 & 2 |
1 & 2 |
2 & 3 |
|
Note: Pins designated are in the closed position. | ||||||||
|
CPU SPEED SELECTION (CX MII) | ||||||||
|
CPU speed |
Clock speed |
Multiplier |
JP3 |
JP4 |
JP5 |
JP9 |
JP10 |
JP11 |
|
233MHz |
75MHz |
2.5x |
1 & 2 |
1 & 2 |
2 & 3 |
1 & 2 |
2 & 3 |
2 & 3 |
|
233MHz |
66MHz |
3x |
2 & 3 |
2 & 3 |
1 & 2 |
1 & 2 |
1 & 2 |
2 & 3 |
|
300MHz |
75MHz |
3x |
1 & 2 |
1 & 2 |
2 & 3 |
1 & 2 |
1 & 2 |
2 & 3 |
|
Note: Pins designated are in the closed position. | ||||||||
|
CPU SPEED SELECTION (IBM 6X86L) | ||||||||
|
CPU speed |
Clock speed |
Multiplier |
JP3 |
JP4 |
JP5 |
JP9 |
JP10 |
JP11 |
|
150MHz |
60MHz |
2x |
2 & 3 |
1 & 2 |
2 & 3 |
1 & 2 |
2 & 3 |
1 & 2 |
|
166MHz |
66MHz |
2x |
2 & 3 |
2 & 3 |
1 & 2 |
1 & 2 |
2 & 3 |
1 & 2 |
|
200MHz |
75MHz |
3x |
1 & 2 |
1 & 2 |
2 & 3 |
1 & 2 |
2 & 3 |
1 & 2 |
|
Note: Pins designated are in the closed position. | ||||||||
|
CPU SPEED SELECTION (IBM 6X86MX) | ||||||||
|
CPU speed |
Clock speed |
Multiplier |
JP3 |
JP4 |
JP5 |
JP9 |
JP10 |
JP11 |
|
166MHz |
60MHz |
2.5x |
2 & 3 |
1 & 2 |
2 & 3 |
1 & 2 |
2 & 3 |
2 & 3 |
|
166MHz |
66MHz |
2x |
2 & 3 |
2 & 3 |
1 & 2 |
1 & 2 |
2 & 3 |
1 & 2 |
|
200MHz |
66MHz |
2.5x |
2 & 3 |
2 & 3 |
1 & 2 |
1 & 2 |
2 & 3 |
2 & 3 |
|
233MHz |
75MHz |
2.5x |
1 & 2 |
1 & 2 |
2 & 3 |
1 & 2 |
2 & 3 |
2 & 3 |
|
233MHz |
66MHz |
3x |
2 & 3 |
2 & 3 |
1 & 2 |
1 & 2 |
1 & 2 |
2 & 3 |
|
Note: Pins designated are in the closed position. | ||||||||
|
CPU SPEED SELECTION (IBM MII) | ||||||||
|
CPU speed |
Clock speed |
Multiplier |
JP3 |
JP4 |
JP5 |
JP9 |
JP10 |
JP11 |
|
233MHz |
75MHz |
2.5x |
1 & 2 |
1 & 2 |
2 & 3 |
1 & 2 |
2 & 3 |
2 & 3 |
|
233MHz |
66MHz |
3x |
2 & 3 |
2 & 3 |
1 & 2 |
1 & 2 |
1 & 2 |
2 & 3 |
|
300MHz |
75MHz |
3x |
1 & 2 |
1 & 2 |
2 & 3 |
1 & 2 |
1 & 2 |
2 & 3 |
|
Note: Pins designated are in the closed position. | ||||||||
|
CPU SPEED SELECTION (AM K6) | ||||||||
|
CPU speed |
Clock speed |
Multiplier |
JP3 |
JP4 |
JP5 |
JP9 |
JP10 |
JP11 |
|
166MHz |
66MHz |
2.5x |
2 & 3 |
2 & 3 |
1 & 2 |
1 & 2 |
2 & 3 |
2 & 3 |
|
200MHz |
66MHz |
3x |
2 & 3 |
2 & 3 |
1 & 2 |
1 & 2 |
1 & 2 |
2 & 3 |
|
233MHz |
66MHz |
3.5x |
2 & 3 |
2 & 3 |
1 & 2 |
1 & 2 |
1 & 2 |
1 & 2 |
|
266MHz |
66MHz |
4x |
2 & 3 |
2 & 3 |
1 & 2 |
2 & 3 |
2 & 3 |
1 & 2 |
|
300MHz |
66MHz |
4.5x |
2 & 3 |
2 & 3 |
1 & 2 |
2 & 3 |
2 & 3 |
2 & 3 |
|
Note: Pins designated are in the closed position. | ||||||||
|
CPU SPEED SELECTION (INTEL) | ||||||||
|
CPU speed |
Clock speed |
Multiplier |
JP3 |
JP4 |
JP5 |
JP9 |
JP10 |
JP11 |
|
100MHz |
66MHz |
1.5x |
2 & 3 |
2 & 3 |
1 & 2 |
1 & 2 |
1 & 2 |
1 & 2 |
|
133MHz |
66MHz |
2x |
2 & 3 |
2 & 3 |
1 & 2 |
1 & 2 |
2 & 3 |
1 & 2 |
|
166MHz |
66MHz |
2.5x |
2 & 3 |
2 & 3 |
1 & 2 |
1 & 2 |
2 & 3 |
2 & 3 |
|
200MHz |
66MHz |
3x |
2 & 3 |
2 & 3 |
1 & 2 |
1 & 2 |
1 & 2 |
2 & 3 |
|
Note: Pins designated are in the closed position. | ||||||||
|
CPU SPEED SELECTION (INTEL MMX) | ||||||||
|
CPU speed |
Clock speed |
Multiplier |
JP3 |
JP4 |
JP5 |
JP9 |
JP10 |
JP11 |
|
166MHz |
66MHz |
2.5x |
2 & 3 |
2 & 3 |
1 & 2 |
1 & 2 |
2 & 3 |
2 & 3 |
|
200MHz |
66MHz |
3x |
2 & 3 |
2 & 3 |
1 & 2 |
1 & 2 |
1 & 2 |
2 & 3 |
|
233MHz |
66MHz |
3.5x |
2 & 3 |
2 & 3 |
1 & 2 |
1 & 2 |
1 & 2 |
1 & 2 |
|
Note: Pins designated are in the closed position. | ||||||||
|
CPU VOLTAGE SELECTION | ||||
|
V Core |
JP16 |
JP17 |
JP18 |
JP19 |
|
2.2v |
Open |
Open |
Closed |
Closed |
|
2.5v |
Open |
Closed |
Closed |
Closed |
|
2.8v |
Closed |
Open |
Open |
Open |
|
2.9v |
Closed |
Open |
Open |
Closed |
|
3.2v |
Closed |
Closed |
Open |
Open |
|
3.3v |
Closed |
Closed |
Open |
Closed |
|
3.5v |
Closed |
Closed |
Closed |
Closed |