FREE COMPUTER TECHNOLOGY, INC.
P5F88
|
Device Type |
Mainboard |
|
Processor |
CX 6X86L/IBM 6X86L/CX 686MX/IBM 6X86MX/AM K5/ AM K6/Pentium/Pentium MMX |
|
Processor Speed |
75/90/100/120/133/150/166/200/233/266/300/MHz |
|
Chip Set |
VIA Apollo VP3 |
|
Video Chip Set |
None |
|
Maximum Onboard Memory |
1GB (EDO & SDRAM supported) |
|
Maximum Video Memory |
None |
|
Cache |
512KB |
|
BIOS |
Award |
|
Dimensions |
305mm x 185mm |
|
I/O Options |
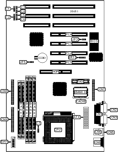
32-bit PCI slots (4), floppy drive interface, IDE interfaces (2), parallel port, PS/2 mouse port, serial ports (2), IR connector, USB connectors (2), AGP slot, wake on LAN connector |
|
CONNECTIONS | |||
|
Purpose |
Location |
Purpose |
Location |
|
AGP slot |
AGP |
Serial port 2 |
CN3 |
|
ATX power connector |
ATX |
USB connector 1 |
CN4 |
|
Speaker |
C1 |
USB connector 2 |
CN5 |
|
Power LED & keylock |
C2 |
PS/2 mouse port |
CN6 |
|
IDE interface LED |
C3 |
Floppy drive interface |
CN7 |
|
Standby LED |
C4 |
IDE interface 1 |
CN8 |
|
Reset switch |
C5 |
IDE interface 2 |
CN9 |
|
Soft off power supply |
C6 |
IR connector |
IR1 |
|
Chassis fan power |
C7 |
Wake on LAN connector |
JP3 |
|
Parallel port |
CN1 |
32-bit PCI slots |
PC1 – PC4 |
|
Serial port 1 |
CN2 | ||
|
USER CONFIGURABLE SETTINGS | |||
|
Function |
Label |
Position | |
|
» |
CMOS memory normal operation |
JP5 |
Pins 1 & 2 closed |
|
CMOS memory clear |
JP5 |
Pins 2 & 3 closed | |
|
SIMM CONFIGURATION | |
|
Size |
Bank 3 |
|
8MB |
(2) 1M x 36 |
|
16MB |
(2) 2M x 36 |
|
32MB |
(2) 4M x 36 |
|
64MB |
(2) 8M x 36 |
|
128MB |
(2) 16M x 36 |
|
256MB |
(2) 32M x 36 |
|
Note: Board accepts EDO memory. | |
|
DIMM CONFIGURATION | |||
|
Size |
Bank 0 |
Bank 1 |
Bank 2 |
|
8MB |
(1) 1M x 64 |
None |
None |
|
16MB |
(1) 2M x 64 |
None |
None |
|
16MB |
(1) 1M x 64 |
(1) 1M x 64 |
None |
|
24MB |
(1) 2M x 64 |
(1) 1M x 64 |
None |
|
24MB |
(1) 1M x 64 |
(1) 1M x 64 |
(1) 1M x 64 |
|
32MB |
(1) 4M x 64 |
None |
None |
|
DIMM CONFIGURATION (CON’T) | |||
|
Size |
Bank 0 |
Bank 1 |
Bank 2 |
|
32MB |
(1) 2M x 64 |
(1) 1M x 64 |
(1) 1M x 64 |
|
32MB |
(1) 2M x 64 |
(1) 2M x 64 |
None |
|
40MB |
(1) 4M x 64 |
(1) 1M x 64 |
None |
|
40MB |
(1) 2M x 64 |
(1) 2M x 64 |
(1) 1M x 64 |
|
48MB |
(1) 4M x 64 |
(1) 1M x 64 |
(1) 1M x 64 |
|
48MB |
(1) 4M x 64 |
(1) 2M x 64 |
None |
|
48MB |
(1) 2M x 64 |
(1) 2M x 64 |
(1) 2M x 64 |
|
56MB |
(1) 4M x 64 |
(1) 2M x 64 |
(1) 1M x 64 |
|
64MB |
(1) 8M x 64 |
None |
None |
|
64MB |
(1) 4M x 64 |
(1) 2M x 64 |
(1) 2M x 64 |
|
64MB |
(1) 4M x 64 |
(1) 4M x 64 |
None |
|
72MB |
(1) 8M x 64 |
(1) 1M x 64 |
None |
|
72MB |
(1) 4M x 64 |
(1) 4M x 64 |
(1) 1M x 64 |
|
80MB |
(1) 8M x 64 |
(1) 1M x 64 |
(1) 1M x 64 |
|
80MB |
(1) 8M x 64 |
(1) 2M x 64 |
None |
|
80MB |
(1) 4M x 64 |
(1) 4M x 64 |
(1) 2M x 64 |
|
88MB |
(1) 8M x 64 |
(1) 2M x 64 |
(1) 1M x 64 |
|
96MB |
(1) 8M x 64 |
(1) 2M x 64 |
(1) 2M x 64 |
|
96MB |
(1) 8M x 64 |
(1) 4M x 64 |
None |
|
96MB |
(1) 4M x 64 |
(1) 4M x 64 |
(1) 4M x 64 |
|
104MB |
(1) 8M x 64 |
(1) 4M x 64 |
(1) 1M x 64 |
|
112MB |
(1) 8M x 64 |
(1) 4M x 64 |
(1) 2M x 64 |
|
128MB |
(1) 16M x 64 |
None |
None |
|
128MB |
(1) 8M x 64 |
(1) 4M x 64 |
(1) 4M x 64 |
|
128MB |
(1) 8M x 64 |
(1) 8M x 64 |
None |
|
136MB |
(1) 16M x 64 |
(1) 1M x 64 |
None |
|
136MB |
(1) 8M x 64 |
(1) 8M x 64 |
(1) 1M x 64 |
|
144MB |
(1) 16M x 64 |
(1) 1M x 64 |
(1) 1M x 64 |
|
144MB |
(1) 16M x 64 |
(1) 2M x 64 |
None |
|
144MB |
(1) 8M x 64 |
(1) 8M x 64 |
(1) 2M x 64 |
|
152MB |
(1) 16M x 64 |
(1) 2M x 64 |
(1) 1M x 64 |
|
160MB |
(1) 16M x 64 |
(1) 2M x 64 |
(1) 2M x 64 |
|
160MB |
(1) 16M x 64 |
(1) 4M x 64 |
None |
|
160MB |
(1) 8M x 64 |
(1) 8M x 64 |
(1) 4M x 64 |
|
DIMM CONFIGURATION (CON’T) | |||
|
Size |
Bank 0 |
Bank 1 |
Bank 2 |
|
168MB |
(1) 16M x 64 |
(1) 4M x 64 |
(1) 1M x 64 |
|
176MB |
(1) 16M x 64 |
(1) 4M x 64 |
(1) 2M x 64 |
|
192MB |
(1) 16M x 64 |
(1) 4M x 64 |
(1) 4M x 64 |
|
192MB |
(1) 16M x 64 |
(1) 8M x 64 |
None |
|
192MB |
(1) 8M x 64 |
(1) 8M x 64 |
(1) 8M x 64 |
|
200MB |
(1) 16M x 64 |
(1) 8M x 64 |
(1) 1M x 64 |
|
208MB |
(1) 16M x 64 |
(1) 8M x 64 |
(1) 2M x 64 |
|
224MB |
(1) 16M x 64 |
(1) 8M x 64 |
(1) 4M x 64 |
|
256MB |
(1) 32M x 64 |
None |
None |
|
256MB |
(1) 16M x 64 |
(1) 8M x 64 |
(1) 8M x 64 |
|
264MB |
(1) 32M x 64 |
(1) 1M x 64 |
None |
|
272MB |
(1) 32M x 64 |
(1) 1M x 64 |
(1) 1M x 64 |
|
272MB |
(1) 32M x 64 |
(1) 2M x 64 |
None |
|
288MB |
(1) 32M x 64 |
(1) 2M x 64 |
(1) 2M x 64 |
|
288MB |
(1) 32M x 64 |
(1) 4M x 64 |
None |
|
320MB |
(1) 32M x 64 |
(1) 4M x 64 |
(1) 4M x 64 |
|
320MB |
(1) 32M x 64 |
(1) 8M x 64 |
None |
|
384MB |
(1) 32M x 64 |
(1) 8M x 64 |
(1) 8M x 64 |
|
384MB |
(1) 32M x 64 |
(1) 16M x 64 |
None |
|
384MB |
(1) 16M x 64 |
(1) 16M x 64 |
(1) 16M x 64 |
|
384MB |
(1) 16M x 64 |
(1) 16M x 64 |
(1) 16M x 64 |
|
512MB |
(1) 32M x 64 |
(1) 16M x 64 |
(1) 16M x 64 |
|
512MB |
(1) 32M x 64 |
(1) 32M x 64 |
None |
|
768MB |
(1) 32M x 64 |
(1) 32M x 64 |
(1) 32M x 64 |
|
Note: Board accepts EDO & SDRAM memory. | |||
|
CACHE CONFIGURATION | |
|
Size |
Bank 0 |
|
512KB |
(1) 64K x 64 |
|
CPU SPEED SELECTION (CX 6X86L) | ||||||||
|
CPU speed |
Clock speed |
Multiplier |
SW1/1 |
SW1/2 |
SW1/3 |
SW1/4 |
SW1/5 |
SW1/6 |
|
133MHz |
55MHz |
2x |
On |
Off |
Off |
On |
On |
Off |
|
150MHz |
60MHz |
2x |
On |
Off |
Off |
On |
Off |
Off |
|
166MHz |
66MHz |
2x |
On |
Off |
Off |
Off |
Off |
Off |
|
CPU SPEED SELECTION (IBM 6X86L) | ||||||||
|
CPU speed |
Clock speed |
Multiplier |
SW1/1 |
SW1/2 |
SW1/3 |
SW1/4 |
SW1/5 |
SW1/6 |
|
133MHz |
55MHz |
2x |
On |
Off |
Off |
On |
On |
Off |
|
150MHz |
60MHz |
2x |
On |
Off |
Off |
On |
Off |
Off |
|
166MHz |
66MHz |
2x |
On |
Off |
Off |
Off |
Off |
Off |
|
CPU SPEED SELECTION (CX 6X86MX) | ||||||||
|
CPU speed |
Clock speed |
Multiplier |
SW1/1 |
SW1/2 |
SW1/3 |
SW1/4 |
SW1/5 |
SW1/6 |
|
166MHz |
60MHz |
2.5x |
On |
On |
Off |
On |
Off |
Off |
|
166MHz |
66MHz |
2x |
On |
Off |
Off |
Off |
Off |
Off |
|
200MHz |
66MHz |
2.5x |
On |
On |
Off |
Off |
Off |
Off |
|
233MHz |
66MHz |
3x |
Off |
On |
Off |
Off |
Off |
Off |
|
266MHz |
66MHz |
4x |
Off |
Off |
Off |
Off |
Off |
Off |
|
CPU SPEED SELECTION (IBM 6X86MX) | ||||||||
|
CPU speed |
Clock speed |
Multiplier |
SW1/1 |
SW1/2 |
SW1/3 |
SW1/4 |
SW1/5 |
SW1/6 |
|
166MHz |
60MHz |
2.5x |
On |
On |
Off |
On |
Off |
Off |
|
166MHz |
66MHz |
2x |
On |
Off |
Off |
Off |
Off |
Off |
|
200MHz |
66MHz |
2.5x |
On |
On |
Off |
Off |
Off |
Off |
|
233MHz |
66MHz |
3x |
Off |
On |
Off |
Off |
Off |
Off |
|
266MHz |
66MHz |
4x |
Off |
Off |
Off |
Off |
Off |
Off |
|
CPU SPEED SELECTION (AM K5) | ||||||||
|
CPU speed |
Clock speed |
Multiplier |
SW1/1 |
SW1/2 |
SW1/3 |
SW1/4 |
SW1/5 |
SW1/6 |
|
75MHz |
50MHz |
1.5x |
Off |
Off |
Off |
On |
On |
On |
|
90MHz |
60MHz |
1.5x |
Off |
Off |
Off |
On |
Off |
Off |
|
100MHz |
66MHz |
1.5x |
Off |
Off |
Off |
Off |
Off |
Off |
|
120MHz |
60MHz |
1.5x |
Off |
Off |
Off |
On |
Off |
Off |
|
133MHz |
66MHz |
1.5x |
Off |
Off |
Off |
Off |
Off |
Off |
|
150MHz |
60MHz |
1.75x |
On |
On |
Off |
On |
Off |
Off |
|
166MHz |
66MHz |
1.75x |
On |
On |
Off |
Off |
Off |
Off |
|
CPU SPEED SELECTION (AM K6) | ||||||||
|
CPU speed |
Clock speed |
Multiplier |
SW1/1 |
SW1/2 |
SW1/3 |
SW1/4 |
SW1/5 |
SW1/6 |
|
166MHz |
66MHz |
2.5x |
On |
On |
Off |
Off |
Off |
Off |
|
200MHz |
66MHz |
3x |
Off |
On |
Off |
Off |
Off |
Off |
|
233MHz |
66MHz |
3.5x |
Off |
Off |
Off |
Off |
Off |
Off |
|
266MHz |
66MHz |
4x |
On |
Off |
On |
Off |
Off |
Off |
|
300MHz |
66MHz |
4.5x |
On |
On |
On |
Off |
Off |
Off |
|
CPU SPEED SELECTION (INTEL) | ||||||||
|
CPU speed |
Clock speed |
Multiplier |
SW1/1 |
SW1/2 |
SW1/3 |
SW1/4 |
SW1/5 |
SW1/6 |
|
75MHz |
50MHz |
1.5x |
Off |
Off |
Off |
On |
On |
On |
|
90MHz |
60MHz |
1.5x |
Off |
Off |
Off |
On |
Off |
Off |
|
100MHz |
66MHz |
1.5x |
Off |
Off |
Off |
Off |
Off |
Off |
|
120MHz |
60MHz |
2x |
On |
Off |
Off |
On |
Off |
Off |
|
133MHz |
66MHz |
2x |
On |
Off |
Off |
Off |
Off |
Off |
|
150MHz |
60MHz |
2.5x |
On |
On |
Off |
On |
Off |
Off |
|
166MHz |
66MHz |
2.5x |
On |
On |
Off |
Off |
Off |
Off |
|
200MHz |
66MHz |
3x |
Off |
On |
Off |
Off |
Off |
Off |
|
CPU SPEED SELECTION (INTEL MMX) | ||||||||
|
CPU speed |
Clock speed |
Multiplier |
SW1/1 |
SW1/2 |
SW1/3 |
SW1/4 |
SW1/5 |
SW1/6 |
|
166MHz |
66MHz |
2.5x |
On |
On |
Off |
Off |
Off |
Off |
|
200MHz |
66MHz |
3x |
Off |
On |
Off |
Off |
Off |
Off |
|
233MHz |
66MHz |
3.5x |
Off |
Off |
Off |
Off |
Off |
Off |