ICL

ERGOLITE SL486

Processor

80486SX/80486DX/80486DX2

Processor Speed

25/33/66(internal)MHz

Chip Set

Acer

Max. Onboard DRAM

32MB

Cache

None

BIOS

Acer

Dimensions

430mm x 352mm

I/O Options

PS/2 mouse port, parallel port, serial ports (2), VGA port, floppy drive interface, IDE interface, riser slot

NPU Options

None

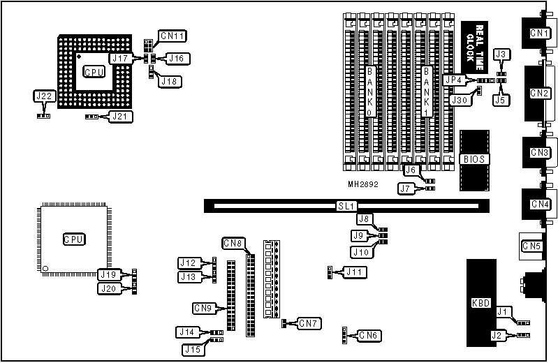
CONNECTIONS

Purpose

Location

Purpose

Location

VGA port

CN1

Chassis fan power

CN7

Parallel port

CN2

IDE interface

CN8

Serial port 1

CN3

Floppy drive interface

CN9

Serial port 2

CN4

External battery

JP4

PS/2 mouse port

CN5

Riser Card

SL1

IDE interface LED

CN6

   

USER CONFIGURABLE SETTINGS

Function

Jumper

Position

»

Factory configured - do not alter

J1

pins 2 & 3 closed

»

Password disabled

J2

pins 2 & 3 closed

 

Password enabled

J2

pins 1 & 2 closed

»

Factory configured - do not alter

J3

Open

»

Battery type select internal

J5

Closed

 

Battery type select external

J5

Open

»

IRQ 14 enabled

J6

Closed

 

IRQ 14 disabled

J6

Open

»

IRQ12 used for mouse

J7

Closed

 

IRQ12 disabled

J7

Open

»

Factory configured - do not alter

J8

Closed

»

Factory configured - do not alter

J9

Closed

»

Factory configured - do not alter

J10

Closed

»

On board VGA enabled

J11

pins 1 & 2 closed

 

On board VGA disabled

J11

pins 2 & 3 closed

»

Factory configured - do not alter

J12

pins 1 & 2 closed

»

Factory configured - do not alter

J13

pins 1 & 2 closed

»

Factory configured - do not alter

J14

pins 2 & 3 closed

»

Factory configured - do not alter

J15

pins 1 & 2 closed

»

80487SX not installed

J16

Open

 

80487SX installed

J16

Closed

»

Factory configured - do not alter

J18

pins 1 & 2 closed

»

Factory configured - do not alter

J19

pins 2 & 3 closed

»

Factory configured - do not alter

J20

pins 1 & 2 closed

»

Factory configured - do not alter

J21

pins 1 & 2 closed

»

Factory configured - do not alter

J22

pins 2 & 3 closed

»

Factory configured - do not alter

J30

N/A

DRAM CONFIGURATION

Size

Bank 0

Bank 1

4MB

(4) 1M x 9

NONE

8MB

(4) 1M x 9

(4) 1M x 9

16MB

(4) 4M x 9

NONE

32MB

(4) 4M x 9

(4) 4M x 9

CPU TYPE CONFIGURATION

Type

JP17

80486SX

Open

ODP486SX

Closed

80487SX

Open

80486DX

Closed

80486DX2

Closed

CPU SPEED CONFIGURATION

Speed

CN11

25MHz

Open

33MHz

pins 5 & 6 closed

66iMHz

pins 5 & 6 closed