IBM CORPORATION

PC SERVER 325 (TYPE 8639)

Processor

Pentium Pro

Processor Speed

166/180/200MHz

Chip Set

Unidentified

Video Chip Set

Unidentified

Maximum Onboard Memory

512MB (EDO supported)

Maximum Video Memory

1MB

Cache

256/512KB (located on Pentium Pro CPU)

BIOS

Unidentified

Dimensions

355mm x 304mm

I/O Options

32-bit PCI slots (5), Ethernet connectors (2), floppy drive interface, Ultra SCSI interfaces (2), parallel port, PS/2 mouse port, serial port, VGA port, IR connector, VRM connectors (2), CPU slot

NPU Options

None

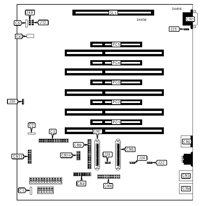
CONNECTIONS

Purpose

Location

Purpose

Location

Chassis fan power

C1

Ultra SCSI interface

CN5

Chassis fan power

C2

Parallel port

CN6

System management connector

C3

Ultra SCSI interface

CN7

C2 security cable connector

C4

Serial port

CN8

Speaker

C5

Floppy drive interface

CN9

VGA port

CN1

IR connector

CN10

PS/2 mouse port

CN2

Front panel connector

CN11

Ethernet connector

CN3

32-bit PCI slots

PC1 - PC5

Ethernet connector

CN4

CPU slot

SL1

USER CONFIGURABLE SETTINGS

Function

Label

Position

»

Factory configured - do not alter (system password)

J12

Pins 2 & 3 closed

»

Ethernet enabled

J22

Pins 2 & 3 closed

 

Ethernet disabled

J22

Pins 1 & 2 closed

»

On board video enabled

J25

Pins 1 & 2 closed

 

On board video disabled

J25

Pins 2 & 3 closed

»

SCSI enabled

J26

Pins 2 & 3 closed

 

SCSI disabled

J26

Pins 1 & 2 closed

»

SCSI type select 16-bit

J29

Pins 2 & 3 closed

 

SCSI type select 8-bit

J29

Pins 1 & 2 closed

»

Flash write enabled

J30

Pins 1 & 2 closed

 

Flash write disabled

J30

Pins 2 & 3 closed

»

System management adapter not installed

J49

Pins 2 & 3 closed

 

System management adapter installed

J49

Pins 1 & 2 closed

VIDEO MEMORY CONFIGURATION

Note: The location of the video memory is unidentified.

CONNECTIONS

Purpose

Location

Purpose

Location

VRM connector 1

CN2

Chassis fan power

J21

VRM connector 2

CN3

Chassis fan power

J22

USER CONFIGURABLE SETTINGS

Function

Label

Position

»

Factory configured - do not alter

CN1

Unidentified

»

Factory configured - do not alter

J9

Unidentified

»

Factory configured - do not alter

J10

Unidentified

»

Factory configured - do not alter

J12

Unidentified

DIMM CONFIGURATION

Size

Bank 0

Bank 1

Bank 2

Bank 3

16MB

(1) 2M x 64

None

None

None

32MB

(1) 2M x 64

(1) 2M x 64

None

None

32MB

(1) 4M x 64

None

None

None

48MB

(1) 2M x 64

(1) 2M x 64

(1) 2M x 64

None

64MB

(1) 2M x 64

(1) 2M x 64

(1) 2M x 64

(1) 2M x 64

64MB

(1) 4M x 64

(1) 4M x 64

None

None

64MB

(1) 8M x 64

None

None

None

96MB

(1) 4M x 64

(1) 4M x 64

(1) 4M x 64

None

128MB

(1) 4M x 64

(1) 4M x 64

(1) 4M x 64

(1) 4M x 64

128MB

(1) 8M x 64

(1) 8M x 64

None

None

128MB

(1) 16M x 64

None

None

None

192MB

(1) 8M x 64

(1) 8M x 64

(1) 8M x 64

None

256MB

(1) 8M x 64

(1) 8M x 64

(1) 8M x 64

(1) 8M x 64

256MB

(1) 16M x 64

(1) 16M x 64

None

None

384MB

(1) 16M x 64

(1) 16M x 64

(1) 16M x 64

None

512MB

(1) 16M x 64

(1) 16M x 64

(1) 16M x 64

(1) 16M x 64

Note: Board accepts EDO memory.

CACHE CONFIGURATION

Note: 256KB/512KB cache is located on the Pentium Pro CPU.

CPU SPEED SELECTION

CPU speed

Clock speed

Multiplier

J1

J17

J18

J20

166MHz

66MHz

2.5x

Closed

Open

Closed

Open

180MHz

60MHz

3x

Open

Closed

Open

Closed

200MHz

66MHz

3x

Closed

Open

Closed

Open

CPU SPEED SELECTION (CON'T)

CPU speed

Clock speed

Multiplier

J27

J28

J29

J30

166MHz

66MHz

2.5x

Closed

Open

Closed

Closed

180MHz

60MHz

3x

Closed

Closed

Open

Closed

200MHz

66MHz

3x

Closed

Closed

Open

Closed