KADATCO CO., LTD.

AM-606LX

Device Type

Mainboard

Processor

Pentium II

Processor Speed

233/266/300MHz

Chip Set

Intel

Video Chip Set

None

Maximum Onboard Memory

384MB (EDO & SDRAM supported)

Maximum Video Memory

None

Cache

256/512KB (located on Pentium II CPU)

BIOS

Award

Dimensions

305mm x 210mm

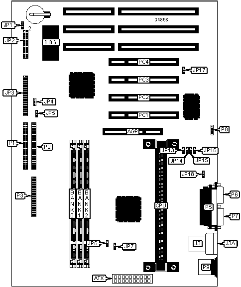
I/O Options

32-bit PCI slots (4), floppy drive interface, IDE interfaces (2), parallel port, PS/2 mouse port, serial ports (2), IR connector, USB connectors (2), ATX power connector, AGP slot

NPU Options

None

CONNECTIONS

Purpose

Location

Purpose

Location

AGP slot

AGP

Chassis fan power 2

JP4

ATX power connector

ATX

Chassis fan power 1

JP7

External battery

BT1

IDE interface 1

P1

USB connector 1

J3

IDE interface 2

P2

USB connector 2

J3A

Floppy drive interface

P3

Power LED & keylock

JP2/pins 1/3/5/7/9

Parallel port

P5

Soft off power supply

JP2/pins 12 & 14

Serial port 2

P6

Speaker

JP2/pins 13/15/17/19

Serial port 1

P7

Reset switch

JP2/pins 18 & 20

IR connector

P8

IDE interface LED

JP2/pins 23 & 24

PS/2 mouse port

P9

LM78 connector

JP3

32-bit PCI slots

PC1 - PC4

Note: The location of BT1 is unidentified.

USER CONFIGURABLE SETTINGS

Function

Label

Position

»

CMOS memory normal operation

JP1

Pins 1 & 2 closed

 

CMOS memory clear

JP1

Pins 2 & 3 closed

»

Factory configured - do not alter

JP5

Unidentified

»

Factory configured - do not alter

JP6

Unidentified

»

Factory configured - do not alter

JP17

Unidentified

»

Modem ring port select COM2

JP18

Pins 2 & 3 closed

 

Modem ring port select COM1

JP18

Pins 1 & 2 closed

DIMM CONFIGURATION

Size

Bank 0

Bank 1

Bank 2

8MB

(1) 1M x 64

None

None

16MB

(1) 2M x 64

None

None

16MB

(1) 1M x 64

(1) 1M x 64

None

24MB

(1) 2M x 64

(1) 1M x 64

None

24MB

(1) 1M x 64

(1) 1M x 64

(1) 1M x 64

32MB

(1) 4M x 64

None

None

32MB

(1) 2M x 64

(1) 1M x 64

(1) 1M x 64

32MB

(1) 2M x 64

(1) 2M x 64

None

40MB

(1) 4M x 64

(1) 1M x 64

None

40MB

(1) 2M x 64

(1) 2M x 64

(1) 1M x 64

48MB

(1) 4M x 64

(1) 1M x 64

(1) 1M x 64

48MB

(1) 4M x 64

(1) 2M x 64

None

48MB

(1) 2M x 64

(1) 2M x 64

(1) 2M x 64

DIMM CONFIGURATION (CON’T)

Size

Bank 0

Bank 1

Bank 2

56MB

(1) 4M x 64

(1) 2M x 64

(1) 1M x 64

64MB

(1) 8M x 64

None

None

64MB

(1) 4M x 64

(1) 2M x 64

(1) 2M x 64

64MB

(1) 4M x 64

(1) 4M x 64

None

72MB

(1) 4M x 64

(1) 4M x 64

(1) 1M x 64

80MB

(1) 8M x 64

(1) 1M x 64

(1) 1M x 64

80MB

(1) 8M x 64

(1) 2M x 64

None

80MB

(1) 4M x 64

(1) 4M x 64

(1) 2M x 64

88MB

(1) 8M x 64

(1) 2M x 64

(1) 1M x 64

96MB

(1) 8M x 64

(1) 2M x 64

(1) 2M x 64

96MB

(1) 8M x 64

(1) 4M x 64

None

96MB

(1) 4M x 64

(1) 4M x 64

(1) 4M x 64

104MB

(1) 8M x 64

(1) 4M x 64

(1) 1M x 64

112MB

(1) 8M x 64

(1) 4M x 64

(1) 2M x 64

128MB

(1) 16M x 64

None

None

128MB

(1) 8M x 64

(1) 4M x 64

(1) 4M x 64

128MB

(1) 8M x 64

(1) 8M x 64

None

136MB

(1) 16M x 64

(1) 1M x 64

None

136MB

(1) 8M x 64

(1) 8M x 64

(1) 1M x 64

144MB

(1) 16M x 64

(1) 1M x 64

(1) 1M x 64

144MB

(1) 16M x 64

(1) 2M x 64

None

144MB

(1) 8M x 64

(1) 8M x 64

(1) 2M x 64

152MB

(1) 16M x 64

(1) 2M x 64

(1) 1M x 64

160MB

(1) 16M x 64

(1) 2M x 64

(1) 2M x 64

160MB

(1) 16M x 64

(1) 4M x 64

None

160MB

(1) 8M x 64

(1) 8M x 64

(1) 4M x 64

168MB

(1) 16M x 64

(1) 4M x 64

(1) 1M x 64

176MB

(1) 16M x 64

(1) 4M x 64

(1) 2M x 64

192MB

(1) 16M x 64

(1) 4M x 64

(1) 4M x 64

192MB

(1) 16M x 64

(1) 8M x 64

None

192MB

(1) 8M x 64

(1) 8M x 64

(1) 8M x 64

200MB

(1) 16M x 64

(1) 8M x 64

(1) 1M x 64

208MB

(1) 16M x 64

(1) 8M x 64

(1) 2M x 64

224MB

(1) 16M x 64

(1) 8M x 64

(1) 4M x 64

256MB

(1) 16M x 64

(1) 8M x 64

(1) 8M x 64

384MB

(1) 16M x 64

(1) 16M x 64

(1) 16M x 64

Note: Board accepts EDO & SDRAM memory. Maximum SDRAM is 384MB. Maximum EDO is 192MB. Does not support x 32 SDRAM in bank 2 or x 8 SDRAM in banks 0 & 1.

CACHE CONFIGURATION

Note: 256KB/512KB cache is located on the Pentium II CPU.

CPU SPEED SELECTION

CPU speed

Clock speed

Multiplier

JP13

JP14

JP15

JP16

233MHz

66MHz

3.5x

1 & 2

2 & 3

2 & 3

1 & 2

266MHz

66MHz

4x

2 & 3

1 & 2

1 & 2

1 & 2

300MHz

66MHz

4.5x

2 & 3

1 & 2

2 & 3

1 & 2

Note: Pins designated should be in the closed position.