IWILL CORPORATION

BD100

Device Type

Mainboard

Processor

Pentium II

Processor Speed

233/266/300/333/400/450/500MHz

Chip Set

Intel

Video Chip Set

None

Maximum Onboard Memory

1GB (EDO & SDRAM supported)

Maximum Video Memory

None

Cache

256/512KB (located on Pentium II CPU)

BIOS

Award

Dimensions

305mm x 180mm

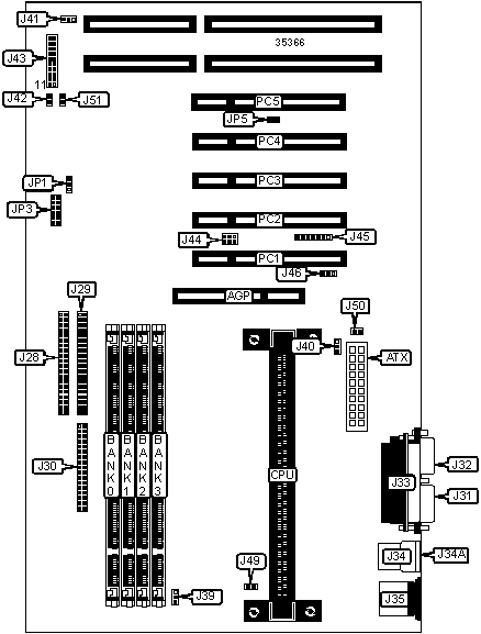
I/O Options (backplane)

32-bit PCI slots (5), floppy drive interface, IDE interfaces (2), parallel port, PS/2 mouse port, serial ports (2), IR connector, USB connectors (2), ATX power connector, AGP slot

NPU Options

None

CONNECTIONS

Purpose

Location

Purpose

Location

AGP slot

AGP

Chassis fan power

J41

ATX power connector

ATX

Soft off power supply

J42

IDE interface 1

J28

IDE interface LED

J43/pins 5 & 6

IDE interface 2

J29

Reset switch

J43/pins 9 & 10

Floppy drive interface

J30

Power LED & keylock

J43/pins 11 – 15

Serial port 1

J31

Speaker

J43/pins 17 - 20

Serial port 2

J32

SB link connector

J44

Parallel port

J33

IR connector

J45

USB connector 2

J34

Wake on LAN connector

J46

USB connector 1

J34A

Temperature sensor 1

J49

PS/2 mouse port

J35

Temperature sensor 2

J50

CPU fan power

J39

Temperature sensor 3

J51

Chassis fan power

J40

32-bit PCI slots

PC1 – PC5

USER CONFIGURABLE SETTINGS

Function

Label

Position

»

CMOS memory normal operation

JP1

Pins 1 & 2 closed

 

CMOS memory clear

JP1

Pins 2 & 3 closed

»

Factory configured - do not alter

JP5

Unidentified

DIMM CONFIGURATION

Size

Bank 0

Bank 1

Bank 2

Bank 3

8MB

(1) 1M x 64

None

None

None

16MB

(1) 2M x 64

None

None

None

16MB

(1) 1M x 64

(1) 1M x 64

None

None

24MB

(1) 2M x 64

(1) 1M x 64

None

None

24MB

(1) 1M x 64

(1) 1M x 64

(1) 1M x 64

None

32MB

(1) 4M x 64

None

None

None

32MB

(1) 2M x 64

(1) 2M x 64

None

None

32MB

(1) 1M x 64

(1) 1M x 64

(1) 1M x 64

(1) 1M x 64

40MB

(1) 4M x 64

(1) 1M x 64

None

None

48MB

(1) 4M x 64

(1) 2M x 64

None

None

48MB

(1) 2M x 64

(1) 2M x 64

(1) 2M x 64

None

64MB

(1) 2M x 64

(1) 2M x 64

(1) 2M x 64

(1) 2M x 64

64MB

(1) 8M x 64

None

None

None

DIMM CONFIGURATION (CON’T)

Size

Bank 0

Bank 1

Bank 2

Bank 3

64MB

(1) 4M x 64

(1) 4M x 64

None

None

72MB

(1) 8M x 64

(1) 1M x 64

None

None

80MB

(1) 8M x 64

(1) 2M x 64

None

None

96MB

(1) 8M x 64

(1) 4M x 64

None

None

96MB

(1) 4M x 64

(1) 4M x 64

(1) 4M x 64

None

128MB

(1) 16M x 64

None

None

None

128MB

(1) 8M x 64

(1) 8M x 64

None

None

128MB

(1) 4M x 64

(1) 4M x 64

(1) 4M x 64

(1) 4M x 64

136MB

(1) 16M x 64

(1) 1M x 64

None

None

144MB

(1) 16M x 64

(1) 2M x 64

None

None

152MB

(1) 16M x 64

(1) 1M x 64

(1) 1M x 64

(1) 1M x 64

160MB

(1) 16M x 64

(1) 4M x 64

None

None

176MB

(1) 16M x 64

(1) 2M x 64

(1) 2M x 64

(1) 2M x 64

192MB

(1) 16M x 64

(1) 8M x 64

None

None

192MB

(1) 8M x 64

(1) 8M x 64

(1) 8M x 64

None

224MB

(1) 16M x 64

(1) 4M x 64

(1) 4M x 64

(1) 4M x 64

256MB

(1) 32M x 64

None

None

None

256MB

(1) 16M x 64

(1) 16M x 64

None

None

256MB

(1) 8M x 64

(1) 8M x 64

(1) 8M x 64

(1) 8M x 64

272MB

(1) 16M x 64

(1) 16M x 64

(1) 1M x 64

(1) 1M x 64

280MB

(1) 32M x 64

(1) 1M x 64

(1) 1M x 64

(1) 1M x 64

288MB

(1) 16M x 64

(1) 16M x 64

(1) 2M x 64

(1) 2M x 64

304MB

(1) 32M x 64

(1) 2M x 64

(1) 2M x 64

(1) 2M x 64

320MB

(1) 16M x 64

(1) 16M x 64

(1) 4M x 64

(1) 4M x 64

320MB

(1) 16M x 64

(1) 8M x 64

(1) 8M x 64

(1) 8M x 64

352MB

(1) 32M x 64

(1) 4M x 64

(1) 4M x 64

(1) 4M x 64

384MB

(1) 16M x 64

(1) 16M x 64

(1) 16M x 64

None

448MB

(1) 32M x 64

(1) 8M x 64

(1) 8M x 64

(1) 8M x 64

512MB

(1) 32M x 64

(1) 32M x 64

None

None

512MB

(1) 16M x 64

(1) 16M x 64

(1) 16M x 64

(1) 16M x 64

640MB

(1) 32M x 64

(1) 16M x 64

(1) 16M x 64

(1) 16M x 64

768MB

(1) 32M x 64

(1) 32M x 64

(1) 32M x 64

None

1024MB

(1) 32M x 64

(1) 32M x 64

(1) 32M x 64

(1) 32M x 64

Note: Board accepts EDO & SDRAM memory.

CACHE CONFIGURATION

Note: 256KB/512KB cache is located on the Pentium II CPU.

CPU SPEED SELECTION

CPU speed

Clock speed

Multiplier

JP3

233MHz

66MHz

3.5x

1 & 2, 9 & 10

266MHz

66MHz

4x

3 & 4, 9 & 10

300MHz

66MHz

4.5x

5 & 6, 9 & 10

333MHz

66MHz

5x

7 & 8, 9 & 10

350MHz

100MHz

5.5x

1 & 2

400MHz

100MHz

6x

3 & 4

450MHz

100MHz

6.5x

5 & 6

500MHz

100MHz

7x

7 & 8

Note: Pins designated should be in the closed position.