KADATCO CO, LTD.

AM-608FX

Device Type

Mainboard

Processor

Pentium II

Processor Speed

200/233/266/300MHz

Chip Set

Intel 440FX

Video Chip Set

None

Maximum Onboard Memory

640MB (EDO supported)

Maximum Video Memory

None

Cache

256/512KB (located on Pentium II CPU)

BIOS

Award

Dimensions

305mm x 244mm

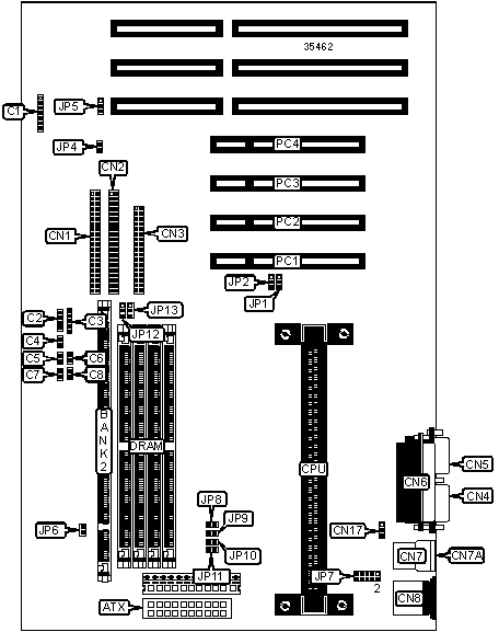
I/O Options

32-bit PCI slots (4), floppy drive interface, green PC interface, IDE interfaces (2), parallel port, PS/2 mouse port, serial ports (2), IR connector, USB connectors (2), ATX power connector

NPU Options

None

CONNECTIONS

Purpose

Location

Purpose

Location

ATX power connector

ATX

IDE interface 2

CN2

IR connector

C1

Floppy drive interface

CN3

Speaker

C2

Serial port 1

CN4

Power LED & keylock

C3

Serial port 2

CN5

Green PC connector

C4

Parallel port

CN6

IDE interface LED

C5

USB connector 1

CN7

CPU fan power

C6

USB connector 2

CN7A

Soft off power supply

C7

PS/2 mouse port

CN8

Reset switch

C8

32-bit PCI slots

PC1 – PC4

IDE interface 1

CN1

   

USER CONFIGURABLE SETTINGS

Function

Label

Position

»

Factory configured - do not alter

CN17

Unidentified

»

CMOS memory normal operation

JP4

Open

 

CMOS memory clear

JP4

Closed

»

Factory configured - do not alter

JP5

Unidentified

»

Power switch enabled

JP6

Closed

 

Power switch disabled

JP6

Open

SIMM CONFIGURATION

Size

Bank 0

Bank 1

8MB

(2) 1M x 36

None

16MB

(2) 2M x 36

None

16MB

(2) 1M x 36

(2) 1M x 36

24MB

(2) 2M x 36

(2) 1M x 36

32MB

(2) 4M x 36

None

32MB

(2) 2M x 36

(2) 2M x 36

40MB

(2) 4M x 36

(2) 1M x 36

48MB

(2) 4M x 36

(2) 2M x 36

64MB

(2) 8M x 36

None

64MB

(2) 4M x 36

(2) 4M x 36

72MB

(2) 8M x 36

(2) 1M x 36

80MB

(2) 8M x 36

(2) 2M x 36

96MB

(2) 8M x 36

(2) 4M x 36

SIMM CONFIGURATION (CON’T)

Size

Bank 0

Bank 1

128MB

(2) 8M x 36

(2) 8M x 36

128MB

(2) 16M x 36

None

136MB

(2) 16M x 36

(2) 1M x 36

144MB

(2) 16M x 36

(2) 2M x 36

160MB

(2) 16M x 36

(2) 4M x 36

192MB

(2) 16M x 36

(2) 8M x 36

256MB

(2) 16M x 36

(2) 16M x 36

256MB

(2) 32M x 36

None

264MB

(2) 32M x 36

(2) 1M x 36

272MB

(2) 32M x 36

(2) 2M x 36

288MB

(2) 32M x 36

(2) 4M x 36

320MB

(2) 32M x 36

(2) 8M x 36

384MB

(2) 32M x 36

(2) 16M x 36

512MB

(2) 32M x 36

(2) 32M x 36

Note: Board accepts EDO memory.

DIMM CONFIGURATION

Size

Bank 2

8MB

(1) 1M x 64

16MB

(1) 2M x 64

32MB

(1) 4M x 64

64MB

(1) 8M x 64

128MB

(1) 16M x 64

Note: Board accepts EDO memory.

DIMM VOLTAGE CONFIGURATION

Voltage

JP12

JP13

3.3v

Pins 1 & 2 closed

Pins 1 & 2 closed

5v

Pins 2 & 3 closed

Pins 2 & 3 closed

CACHE CONFIGURATION

Note: 256KB/512KB cache is located on the Pentium II CPU.

CPU SPEED SELECTION

CPU speed

Clock speed

Multiplier

JP1

JP2

JP8

JP9

JP10

JP11

200MHz

66MHz

3x

2 & 3

2 & 3

Closed

Open

Closed

Closed

233MHz

66MHz

3.5x

2 & 3

2 & 3

Open

Open

Closed

Closed

266MHz

66MHz

4x

2 & 3

2 & 3

Closed

Closed

Open

Closed

300MHz

66MHz

4.5x

2 & 3

2 & 3

Open

Closed

Open

Closed

Note: Pins designated should be in the closed position.

CPU VOLTAGE SELECTION

Voltage

JP7/pins 1 & 2

JP7/pins 3 & 4

JP7/pins 5 & 6

JP7/pins 7 & 8

JP7/pins 9 & 10

Auto

Open

Open

Open

Open

Open

1.8v

Open

Closed

Open

Closed

Closed

1.85v

Closed

Closed

Open

Closed

Closed

1.9v

Open

Open

Closed

Closed

Closed

1.95v

Closed

Open

Closed

Closed

Closed

2.0v

Open

Closed

Closed

Closed

Closed

2.05v

Closed

Closed

Closed

Closed

Closed

2.1v

Closed

Open

Open

Open

Open

2.2v

Open

Closed

Open

Open

Open

2.3v

Closed

Closed

Open

Open

Open

2.4v

Open

Open

Closed

Open

Open

2.5v

Closed

Open

Closed

Open

Open

2.6v

Open

Closed

Closed

Open

Open

2.7v

Closed

Closed

Closed

Open

Open

2.8v

Open

Open

Open

Closed

Open

2.9v

Closed

Open

Open

Closed

Open

3.0v

Open

Closed

Open

Closed

Open

3.1v

Closed

Closed

Open

Closed

Open

3.2v

Open

Open

Closed

Closed

Open

3.3v

Closed

Open

Closed

Closed

Open

3.4v

Open

Closed

Closed

Closed

Open

3.5v

Closed

Closed

Closed

Closed

Open