OCEAN INFORMATION SYSTEMS, INC.

HIPPO 10 486

Processor

CX486S/UMCU5/80486SX/CX486DX/(SL)AM486DX/80486DX/ (SL)80486DX/CX486DX2/(SL)AM486DX2/80486DX2/SL80486DX2/ AM486DX4/(SL)AM486DX4/80486DX4/P24D/P24T

Processor Speed

25/33/40/50(internal)/50/66(internal)/80(internal)/100(internal)MHz

Chip Set

Unidentified

Video Chip Set

None

Maximum Onboard Memory

64MB

Maximum Video Memory

None

Cache

128/256/512KB

BIOS

Unidentified

Dimensions

254mm x 218mm

I/O Options

32-bit VESA local bus slots (2), floppy drive interface, game interface, green PC connector, IDE interfaces (2), parallel port, serial ports (2)

NPU Options

None

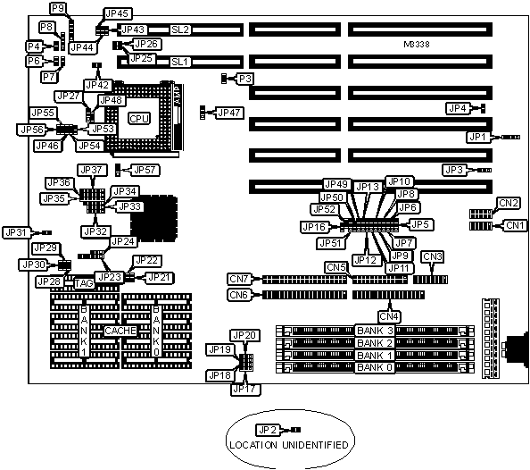
CONNECTIONS

Function

Label

Function

Label

Serial port 1

CN1

IDE interface 1

JP44

Serial port 2

CN2

IDE interface 2

JP45

Game interface

CN3

Chassis fan power

P3

Floppy drive interface

CN4

Turbo switch

P4

Parallel port

CN5

Turbo LED

P6

IDE interface 1

CN6

Reset switch

P7

IDE interface 2

CN7

Speaker

P8

External battery

JP1

Power LED & keylock

P9

Green PC connector

JP43

32-bit VESA local bus slots

SL1 & SL2

USER CONFIGURABLE SETTINGS

Setting

Label

Position

»

CMOS memory normal operation

JP1

Pins 2 & 3 closed

 

CMOS memory clear

JP1

Pins 3 & 4 closed

»

Factory configured - do not alter

JP2

Open

»

Factory configured - do not alter

JP3

Pins 1 & 2 closed

»

Factory configured - do not alter

JP4

Closed

 

Floppy drive interface enabled

JP7

Pins 1 & 2 closed

 

Floppy drive interface disabled

JP7

Pins 2 & 3 closed

 

Parallel port address select 378H

JP8

Pins 1 & 2 closed

 

Parallel port address select 278H

JP8

Pins 2 & 3 closed

 

Game port enabled

JP9

Pins 1 & 2 closed

 

Game port disabled

JP9

Pins 2 & 3 closed

 

Serial port 1 enabled

JP10

Pins 1 & 2 closed

 

Serial port 1 disabled

JP10

Pins 2 & 3 closed

 

Serial port 1 address select 3F8 - 3FFh

JP11

Pins 1 & 2 closed

 

Serial port 1 address select 3E8 - 3EFh

JP11

Pins 2 & 3 closed

 

Serial port 2 enabled

JP12

Pins 1 & 2 closed

 

Serial port 2 disabled

JP12

Pins 2 & 3 closed

 

Serial port 2 address select 2F8 - 2FFh

JP13

Pins 1 & 2 closed

 

Serial port 2 address select 2E8 - 2EFh

JP13

Pins 2 & 3 closed

»

Factory configured - do not alter

JP16

Open

 

IDE interface 2 enabled

JP19

Pins 1 & 2 closed

 

IDE interface 2 disabled

JP19

Pins 2 & 3 closed

 

IDE interface 1 enabled

JP20

Pins 1 & 2 closed

 

IDE interface 1 disabled

JP20

Pins 2 & 3 closed

»

Factory configured - do not alter

JP31

Closed

»

Factory configured - do not alter

JP42

Open

»

Factory configured - do not alter

JP47

Pins 2 & 3 closed

»

Factory configured - do not alter

JP49

Open

»

Factory configured - do not alter

JP50

Closed

»

Factory configured - do not alter

JP51

Open

»

Factory configured - do not alter

JP52

Closed

DRAM CONFIGURATION

Size

Bank 0

Bank 1

Bank 2

Bank 3

4MB

(1) 1M x 32

None

None

None

8MB

(1) 2M x 32

None

None

None

8MB

(1) 1M x 32

(1) 1M x 32

None

None

12MB

(1) 1M x 32

(1) 2M x 32

None

None

12MB

(1) 1M x 32

(1) 1M x 32

(1) 1M x 32

None

12MB

(1) 1M x 32

(1) 2M x 32

None

None

16MB

(1) 4M x 32

None

None

None

16MB

(1) 1M x 32

(1) 2M x 32

(1) 1M x 32

None

16MB

(1) 2M x 32

(1) 2M x 32

None

None

16MB

(1) 1M x 32

(1) 1M x 32

(1) 1M x 32

(1) 1M x 32

20MB

(1) 1M x 32

(1) 4M x 32

None

None

24MB

(1) 1M x 32

(1) 1M x 32

(1) 4M x 32

None

24MB

(1) 2M x 32

(1) 4M x 32

None

None

28MB

(1) 1M x 32

(1) 2M x 32

(1) 4M x 32

None

32MB

(1) 4M x 32

(1) 4M x 32

None

None

36MB

(1) 1M x 32

(1) 4M x 32

(1) 4M x 32

None

40MB

(1) 1M x 32

(1) 1M x 32

(1) 4M x 32

(1) 4M x 32

40MB

(1) 4M x 32

(1) 2M x 32

(1) 4M x 32

None

48MB

(1) 4M x 32

(1) 4M x 32

(1) 4M x 32

None

52MB

(1) 1M x 32

(1) 4M x 32

(1) 4M x 32

(1) 4M x 32

64MB

(1) 4M x 32

(1) 4M x 32

(1) 4M x 32

(1) 4M x 32

CACHE CONFIGURATION

Size

Bank 0

Bank 1

TAG

128KB

(4) 32K x 8

None

(1) 32K x 8

256KB (A)

(4) 64K x 8

None

(1) 32K x 8

256KB (B)

(4) 32K x 8

(4) 32K x 8

(1) 32K x 8

512KB

(4) 128K x 8

None

(1) 32K x 8

CACHE JUMPER CONFIGURATION

Size

JP21

JP22

JP23

JP24

128KB

Open

Open

2 & 3

1 & 2

256KB (A)

Open

Closed

2 & 3, 4 & 5

1 & 2

256KB (B)

Open

Closed

3 & 4

2 & 3

512KB

Closed

Closed

1 & 2, 3 & 4, 5 & 6

1 & 2

CPU SPEED SELECTION

Speed

JP28

JP29

JP30

25MHz

Open

Open

Closed

33MHz

Closed

Closed

Closed

40MHz

Open

Closed

Closed

50iMHz

Open

Open

Closed

50MHz

Closed

Open

Open

66iMHz

Closed

Closed

Closed

80iMHz

Open

Closed

Closed

100iMHz

Closed

Closed

Closed

CPU TYPE SELECTION

Type

JP32

JP33

JP34

JP35

CX486S

Open

2 & 3

2 & 3, 4 & 5

1 & 2, 3 & 4, 5 & 6

UMC U5

3 & 4

2 & 3

Open

2 & 3

80486SX

Open

2 & 3

Open

Open

CX486DX

1 & 2

1 & 2, 3 & 4

2 & 3

1 & 2, 3 & 4, 5 & 6

(SL)AM486DX

1 & 2

1 & 2, 3 & 4

1 & 2, 3 & 4

1 & 2

80486DX

1 & 2

1 & 2, 3 & 4

Open

Open

SL80486DX

1 & 2

1 & 2, 3 & 4

1 & 2, 3 & 4

1 & 2

CX486DX2

1 & 2

1 & 2, 3 & 4

2 & 3

1 & 2, 3 & 4, 5 & 6

AM486DX2

1 & 2, 3 & 4

1 & 2, 3 & 4

Open

2 & 3

(SL)AM486DX2

1 & 2

1 & 2, 3 & 4

1 & 2, 3 & 4

1 & 2

80486DX2

1 & 2

1 & 2, 3 & 4

Open

Open

SL80486DX2

1 & 2

1 & 2, 3 & 4

1 & 2, 3 & 4

1 & 2

AM486DX4

1 & 2, 3 & 4

1 & 2, 3 & 4

Open

2 & 3

(SL)AM486DX4

1 & 2

1 & 2, 3 & 4

1 & 2, 3 & 4

1 & 2

80486DX4

1 & 2

1 & 2, 3 & 4

1 & 2, 3 & 4

1 & 2

P24D

1 & 2

1 & 2, 3 & 4

1 & 2, 3 & 4

1 & 2, 4 & 5

P24T

2 & 3

1 & 2, 3 & 4

1 & 2, 3 & 4

1 & 2

Note: Pins designated should be in the closed position.

CPU TYPE SELECTION (CON’T)

Type

JP36

JP37

JP57

CX486S

2 & 3, 4 & 5

1 & 2, 3 & 4, 5 & 6

Open

UMC U5

1 & 2

2 & 3

Open

80486SX

Open

2 & 3

Open

CX486DX

2 & 3, 4 & 5

1 & 2, 3 & 4, 5 & 6

Open

(SL)AM486DX

5 & 6

1 & 2

Open

80486DX

Open

2 & 3

Open

SL80486DX

5 & 6

1 & 2

Open

CX486DX2

2 & 3, 4 & 5

1 & 2, 3 & 4, 5 & 6

Open

AM486DX2

1 & 2

2 & 3

2 & 3

(SL)AM486DX2

5 & 6

1 & 2

Open

80486DX2

Open

2 & 3

Open

SL80486DX2

5 & 6

1 & 2

Open

AM486DX4

1 & 2

2 & 3

1 & 2

(SL)AM486DX4

5 & 6

1 & 2

Open

80486DX4

5 & 6

1 & 2

Open

P24D

3 & 4, 5 & 6

1 & 2, 4 & 5

Open

P24T

5 & 6

1 & 2

Open

Note: Pins designated should be in the closed position.

CPU MULTIPLIER SELECTION

Multiplier

JP27

2x

Pins 2 & 3 closed

2.5x

Pins 1 & 2 closed

3x

Open

CPU VOLTAGE SELECTION

Voltage

JP46

JP48

JP53

JP54

JP55

JP56

3.45v/5v (auto)

Open

Open

Closed

Open

Open

Open

3.3v (fixed)

Open

Closed

Open

Open

Open

Open

3.45v (fixed)

Open

Open

Open

Open

Open

Open

3.6v (fixed)

Closed

Open

Open

Open

Open

Open

3.8v (fixed)

Open

Open

Open

Open

Closed

Open

4v (fixed)

Open

Open

Open

Open

Open

Closed

5v (fixed)

Open

Open

Open

Closed

Open

Open

VL BUS WAIT STATE SELECTION

Setting

JP25

0

Open

1

Closed

VL-BUS SPEED SELECTION

Setting

JP26

<= 33MHz

Open

>33 MHz

Closed

IDE SPEED SELECTION

Speed

JP17

JP18

Slow

Pins 1 & 2 closed

Pins 2 & 3 closed

Slower

Pins 1 & 2 closed

Pins 1 & 2 closed

Fast

Pins 2 & 3 closed

Pins 1 & 2 closed

Faster

Pins 2 & 3 closed

Pins 2 & 3 closed

PARALLEL PORT SELECTION

Setting

JP5

JP6

Disabled

Pins 2 & 3 closed

Pins 2 & 3 closed

SPP mode

Pins 1 & 2 closed

Pins 2 & 3 closed

EPP mode

Pins 2 & 3 closed

Pins 1 & 2 closed

ECP mode

Pins 1 & 2 closed

Pins 1 & 2 closed