MICRO-STAR INTERNATIONAL CO., LTD.
MS-5172
|
Device Type |
Mainboard |
|
Processor |
CX 6X86/CX 6X86L/CX 686MX/AM K5/AM K6/Pentium |
|
Processor Speed |
Unidentified |
|
Chip Set |
SIS |
|
Video Chip Set |
None |
|
Maximum Onboard Memory |
768MB (EDO & SDRAM supported) |
|
Maximum Video Memory |
None |
|
Cache |
512KB |
|
BIOS |
Unidentified |
|
Dimensions |
305mm x 186mm |
|
I/O Options |
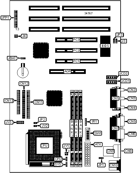
32-bit PCI slots (3), floppy drive interface, MIDI/game port, green PC connector, IDE interfaces (2), parallel port, PS/2 mouse port, serial ports (2), IR connector, USB connectors (2), ATX power connector, AGP slot, line in, line out, microphone in, audio in – CD-ROMs (2) |
|
NPU Options |
None |
|
CONNECTIONS | |||
|
Purpose |
Location |
Purpose |
Location |
|
AGP slot |
AGP |
Wake on LAN connector |
J2 |
|
ATX power connector |
ATX |
Wake on modem connector |
J3 |
|
Game/MIDI port |
CN1 |
Green PC LED |
J4/pins 1 & 2 |
|
Microphone in |
CN2 |
Soft off power supply |
J4/pins 3 & 4 |
|
Line in |
CN3 |
Audio in – CD-ROM |
JCD1 |
|
Line out |
CN4 |
Audio in – CD-ROM |
JCD2 |
|
Serial port 2 |
CN5 |
Turbo LED |
JFP1/pins 2 & 3 |
|
Serial port 1 |
CN6 |
Reset switch |
JFP1/pins 9 & 10 |
|
Parallel port |
CN7 |
IDE interface LED |
JFP1/pins 12 & 24 |
|
USB connector 1 |
CN8 |
Power LED & keylock |
JFP1/pins 13 - 17 |
|
USB connector 2 |
CN9 |
Speaker |
JFP1/pins 19 - 22 |
|
PS/2 mouse port |
CN10 |
Remote power on/off switch |
JP4/pins 3 & 4 |
|
IDE interface 2 |
CN11 |
IR connector |
IR1 |
|
IDE interface 1 |
CN12 |
32-bit PCI slots |
PC1 – PC3 |
|
Floppy drive interface |
CN13 |
Chassis fan power |
SYS |
|
CPU fan power |
CPU | ||
|
Note: The location of J2 & JP4 is unidentified. | |||
|
USER CONFIGURABLE SETTINGS | |||
|
Function |
Label |
Position | |
|
» |
CMOS memory normal operation |
JBAT |
Pins 1 & 2 closed |
|
CMOS memory clear |
JBAT |
Pins 2 & 3 closed | |
|
Power on mode voltage select 5v |
JP1 |
Pins 1 & 2 closed | |
|
Power on mode voltage select 5vsb |
JP1 |
Pins 2 & 3 closed | |
|
Cyrix linear mode enabled |
JP2 |
Closed | |
|
Cyrix linear mode disabled |
JP2 |
Open | |
|
» |
Flash BIOS voltage select 5v |
JP3 |
Pins 2 & 3 closed |
|
Flash BIOS voltage select 12v |
JP3 |
Pins 1 & 2 closed | |
|
» |
Factory configured - do not alter |
JV2 |
Unidentified |
|
DIMM CONFIGURATION | |||
|
Size |
Bank 0 |
Bank 1 |
Bank 2 |
|
8MB |
(1) 1M x 64 |
None |
None |
|
16MB |
(1) 2M x 64 |
None |
None |
|
16MB |
(1) 1M x 64 |
(1) 1M x 64 |
None |
|
24MB |
(1) 2M x 64 |
(1) 1M x 64 |
None |
|
24MB |
(1) 1M x 64 |
(1) 1M x 64 |
(1) 1M x 64 |
|
32MB |
(1) 4M x 64 |
None |
None |
|
32MB |
(1) 2M x 64 |
(1) 1M x 64 |
(1) 1M x 64 |
|
32MB |
(1) 2M x 64 |
(1) 2M x 64 |
None |
|
40MB |
(1) 4M x 64 |
(1) 1M x 64 |
None |
|
40MB |
(1) 2M x 64 |
(1) 2M x 64 |
(1) 1M x 64 |
|
DIMM CONFIGURATION (CON’T) | |||
|
Size |
Bank 0 |
Bank 1 |
Bank 2 |
|
32MB |
(1) 2M x 64 |
(1) 2M x 64 |
None |
|
40MB |
(1) 4M x 64 |
(1) 1M x 64 |
None |
|
40MB |
(1) 2M x 64 |
(1) 2M x 64 |
(1) 1M x 64 |
|
48MB |
(1) 4M x 64 |
(1) 1M x 64 |
(1) 1M x 64 |
|
48MB |
(1) 4M x 64 |
(1) 2M x 64 |
None |
|
48MB |
(1) 2M x 64 |
(1) 2M x 64 |
(1) 2M x 64 |
|
56MB |
(1) 4M x 64 |
(1) 2M x 64 |
(1) 1M x 64 |
|
64MB |
(1) 8M x 64 |
None |
None |
|
64MB |
(1) 4M x 64 |
(1) 2M x 64 |
(1) 2M x 64 |
|
64MB |
(1) 4M x 64 |
(1) 4M x 64 |
None |
|
72MB |
(1) 8M x 64 |
(1) 1M x 64 |
None |
|
72MB |
(1) 4M x 64 |
(1) 4M x 64 |
(1) 1M x 64 |
|
80MB |
(1) 8M x 64 |
(1) 1M x 64 |
(1) 1M x 64 |
|
80MB |
(1) 8M x 64 |
(1) 2M x 64 |
None |
|
80MB |
(1) 4M x 64 |
(1) 4M x 64 |
(1) 2M x 64 |
|
88MB |
(1) 8M x 64 |
(1) 2M x 64 |
(1) 1M x 64 |
|
96MB |
(1) 8M x 64 |
(1) 2M x 64 |
(1) 2M x 64 |
|
96MB |
(1) 8M x 64 |
(1) 4M x 64 |
None |
|
96MB |
(1) 4M x 64 |
(1) 4M x 64 |
(1) 4M x 64 |
|
104MB |
(1) 8M x 64 |
(1) 4M x 64 |
(1) 1M x 64 |
|
112MB |
(1) 8M x 64 |
(1) 4M x 64 |
(1) 2M x 64 |
|
128MB |
(1) 16M x 64 |
None |
None |
|
128MB |
(1) 8M x 64 |
(1) 4M x 64 |
(1) 4M x 64 |
|
128MB |
(1) 8M x 64 |
(1) 8M x 64 |
None |
|
136MB |
(1) 16M x 64 |
(1) 1M x 64 |
None |
|
136MB |
(1) 8M x 64 |
(1) 8M x 64 |
(1) 1M x 64 |
|
144MB |
(1) 16M x 64 |
(1) 1M x 64 |
(1) 1M x 64 |
|
144MB |
(1) 16M x 64 |
(1) 2M x 64 |
None |
|
144MB |
(1) 8M x 64 |
(1) 8M x 64 |
(1) 2M x 64 |
|
152MB |
(1) 16M x 64 |
(1) 2M x 64 |
(1) 1M x 64 |
|
160MB |
(1) 16M x 64 |
(1) 2M x 64 |
(1) 2M x 64 |
|
160MB |
(1) 16M x 64 |
(1) 4M x 64 |
None |
|
160MB |
(1) 8M x 64 |
(1) 8M x 64 |
(1) 4M x 64 |
|
168MB |
(1) 16M x 64 |
(1) 4M x 64 |
(1) 1M x 64 |
|
176MB |
(1) 16M x 64 |
(1) 4M x 64 |
(1) 2M x 64 |
|
192MB |
(1) 16M x 64 |
(1) 4M x 64 |
(1) 4M x 64 |
|
192MB |
(1) 16M x 64 |
(1) 8M x 64 |
None |
|
192MB |
(1) 8M x 64 |
(1) 8M x 64 |
(1) 8M x 64 |
|
200MB |
(1) 16M x 64 |
(1) 8M x 64 |
(1) 1M x 64 |
|
DIMM CONFIGURATION (CON’T) | |||
|
Size |
Bank 0 |
Bank 1 |
Bank 2 |
|
208MB |
(1) 16M x 64 |
(1) 8M x 64 |
(1) 2M x 64 |
|
224MB |
(1) 16M x 64 |
(1) 8M x 64 |
(1) 4M x 64 |
|
256MB |
(1) 16M x 64 |
(1) 8M x 64 |
(1) 8M x 64 |
|
384MB |
(1) 16M x 64 |
(1) 16M x 64 |
(1) 16M x 64 |
|
512MB |
(1) 32M x 64 |
(1) 32M x 64 |
None |
|
768MB |
(1) 32M x 64 |
(1) 32M x 64 |
(1) 32M x 64 |
|
Note: Board accepts EDO & SDRAM memory. 384MB maximum if using SDRAM memory. 768MB maximum if using EDO memory. | |||
|
CACHE CONFIGURATION |
|
Note: 512KB cache is factory installed and is not configurable. The location is unidentified. |
|
CPU CLOCK SPEED SELECTION | |||||
|
CPU speed |
AGP speed |
PCI speed |
SW1/4 |
SW1/5 |
SW1/6 |
|
60MHz |
60MHz |
30MHz |
On |
On |
On |
|
66MHz |
66MHz |
33MHz |
Off |
On |
On |
|
68.5MHz |
68.5MHz |
34MHz |
On |
Off |
On |
|
75MHz |
75MHz |
37.5MHz |
Off |
Off |
On |
|
75MHz |
64MHz |
32MHz |
On |
On |
Off |
|
83MHz |
66MHz |
33MHz |
Off |
On |
Off |
|
90MHz |
60MHz |
30MHz |
On |
Off |
Off |
|
100MHz |
66MHz |
33MHz |
Off |
Off |
Off |
|
CPU MULTIPLIER SELECTION | |||
|
Multiplier |
SW1/1 |
SW1/2 |
SW1/3 |
|
1.5x |
Off |
Off |
Off |
|
2x |
On |
Off |
Off |
|
2.5x |
On |
On |
Off |
|
3x |
Off |
On |
Off |
|
3.5x |
Off |
Off |
Off |
|
4x |
On |
Off |
On |
|
4.5x |
On |
On |
On |
|
CPU VOLTAGE SELECTION | ||
|
Voltage |
V core |
JV3 |
|
3.3v |
2.0v |
Open |
|
3.3v |
2.1v |
Pins 9 & 10 closed |
|
3.3v |
2.2v |
Pins 7 & 8 closed |
|
3.3v |
2.3v |
Pins 7 & 8, 9 & 10 closed |
|
3.3v |
2.4v |
Pins 5 & 6 closed |
|
3.3v |
2.5v |
Pins 5 & 6, 9 & 10 closed |
|
3.3v |
2.6v |
Pins 5 & 6, 7 & 8, closed |
|
3.3v |
2.7v |
Pins 5 & 6, 7 & 8, 9 & 10 closed |
|
3.3v |
2.8v |
Pins 3 & 4 closed |
|
3.3v |
2.9v |
Pins 3 & 4, 9 & 10 closed |
|
3.3v |
3.0v |
Pins 3 & 4, 7 & 8 closed |
|
3.3v |
3.1v |
Pins 3 & 4, 7 & 8, 9 & 10 closed |
|
3.3v |
3.2v |
Pins 3 & 4, 5 & 6 closed |
|
3.3v |
3.3v |
Pins 3 & 4, 5 & 6, 9 & 10 closed |
|
3.3v |
3.4v |
Pins 3 & 4, 5 & 6, 7 & 8 closed |
|
3.5v |
3.5v |
Pins 3 & 4, 5 & 6, 7 & 8, 9 & 10 closed |
|
CPU VOLTAGE SELECTION | |
|
Setting |
JV1 |
|
Single |
Open |
|
Dual |
Pins 1 & 2, 3 & 4 closed |