SIEMENS-NIXDORF INFORMATIONSSYSTEME AG

SYSTEM BOARD D990

Device Type

Mainboard

Processor

Pentium

Processor Speed

90/100/120/133/150/166/200MHz

Chip Set

Unidentified

Video Chip Set

Matrox

Maximum Onboard Memory

256MB (EDO & SDRAM supported)

Maximum Video Memory

4MB (SGRAM supported)

Cache

128/256/512KB

BIOS

Unidentified

Dimensions

305mm x 244mm

I/O Options

32-bit PCI slots (4), floppy drive interface, game/MIDI port, IDE interfaces (2), parallel port, PS/2 mouse port, serial port, VGA feature connector, VGA port, cache slot, IR connector, USB connector, ATX power connector, audio in – CD-ROM

NPU Options

None

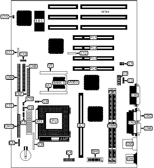
CONNECTIONS

Purpose

Location

Purpose

Location

ATX power connector

ATX

Front panel connector

C15

Voice modem connector

C1

Game/MIDI port

CN1

Auxiliary in

C2

VGA port

CN2

Audio in – CD-ROM

C3

Parallel port

CN3

Chip card reader

C4

Serial port 1

CN4

IR connector

C5

USB connector

CN5

Reset switch

C6

PS/2 mouse port

CN6

SCSI interface LED

C7

VGA feature connector

CN7

Soft off power supply

C8

IDE interface 1

CN8

Chassis fan power

C9

IDE interface 2

CN9

Speaker

C10

Floppy drive interface

CN10

I2C connector

C11

32-bit PCI slots

PC1 – PC4

Wake on modem connector

C13

Cache slot

SL1

Power on connector

C14

   

USER CONFIGURABLE SETTINGS

Function

Label

Position

»

Factory configured - do not alter

C12

Unidentified

»

Flash BIOS normal operation

SW1/5

Off

 

Flash BIOS recovery mode

SW1/5

On

»

Factory configured - do not alter

SW1/6

Off

»

Factory configured - do not alter

SW1/7

Unidentified

»

Floppy drive write protect disabled

SW1/8

Off

 

Floppy drive write protect enabled

SW1/8

On

DIMM CONFIGURATION

Size

Bank 0

Bank 1

8MB

(1) 1M x 64

None

16MB

(1) 2M x 64

None

16MB

(1) 1M x 64

(1) 1M x 64

24MB

(1) 2M x 64

(1) 1M x 64

32MB

(1) 4M x 64

None

32MB

(1) 2M x 64

(1) 2M x 64

40MB

(1) 4M x 64

(1) 1M x 64

48MB

(1) 4M x 64

(1) 2M x 64

64MB

(1) 8M x 64

None

DIMM CONFIGURATION (CON’T)

Size

Bank 0

Bank 1

64MB

(1) 4M x 64

(1) 4M x 64

72MB

(1) 8M x 64

(1) 1M x 64

80MB

(1) 8M x 64

(1) 2M x 64

96MB

(1) 8M x 64

(1) 4M x 64

128MB

(1) 16M x 64

None

128MB

(1) 8M x 64

(1) 8M x 64

136MB

(1) 16M x 64

(1) 1M x 64

144MB

(1) 16M x 64

(1) 2M x 64

160MB

(1) 16M x 64

(1) 4M x 64

192MB

(1) 16M x 64

(1) 8M x 64

256MB

(1) 16M x 64

(1) 16M x 64

Note: Board accepts EDO & SDRAM memory.

CACHE CONFIGURATION

Size

SL1

128KB

128KB module installed

256KB

256KB module installed

512KB

512KB module installed

VIDEO MEMORY CONFIGURATION

Size

Bank 0

V1

2MB

2MB

None

4MB

2MB

2MB module installed

CPU SPEED SELECTION

CPU speed

Clock speed

Multiplier

SW1/1

SW1/2

SW1/3

SW1/4

90MHz

60MHz

1.5x

Off

On

Off

Off

100MHz

66MHz

1.5x

On

Off

Off

Off

120MHz

60MHz

2x

Off

On

On

Off

133MHz

66MHz

2x

On

Off

On

Off

150MHz

60MHz

2.5x

Off

On

On

On

166MHz

66MHz

2.5x

On

Off

On

On

200MHz

66MHz

3x

On

Off

Off

On