SEANIX TECHNOLOGY, INC.

KOOTENAY (SEA440LX)

Device Type

Mainboard

Processor

Pentium II

Processor Speed

233/266/300/333MHz

Chip Set

Intel 440LX AGP

Maximum Onboard Memory

384MB DRAM (SDRAM supported)

Cache

512KB (located on the Pentium II CPU)

BIOS

AMI

I/O Options

32-bit PCI slots (4), floppy drive interface, IDE interface (2), parallel port, PS/2 mouse port, serial ports (2), IR connector, USB connectors (2), AGP slot, RJ-45 LAN connector, wake on LAN connector

Dimensions

220mm x 260mm

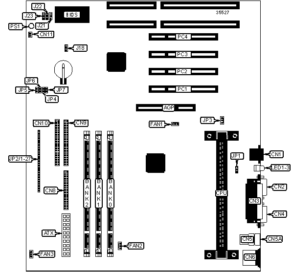
CONNECTIONS

Purpose

Location

Purpose

Location

AGP slot

AGP

Fan power

FAN1

ATX power connector

ATX

Fan power

FAN2

RJ-45 LAN connector

CN1

Fan power

FAN3

Serial port 2

CN2

Power on switch

JP2/pins 1 & 2

Parallel port

CN3

Green PC connector

JP2/pins 3 & 4

Serial port 1

CN4

IR connector

JP2/pins 6 - 11

USB connector 1

CN5

IDE interface LED

JP2/pins 13 - 16

USB connector 2

CN5A

Power LED

JP2/pins 18 - 20

PS/2 mouse port

CN6

Reset switch

JP2/pins 22 - 24

Floppy drive interface

CN8

Speaker

JP2/pins 24 - 27

IDE interface 2

CN9

Wake on LAN connector

JP3

IDE interface 1

CN10

PCI slots

PC1 - PC4

Chassis instruction connector

CN11

Photo-sensor

PS1

USER CONFIGURABLE SETTINGS

Function

Label

Position

»

5v standby voltage at 0.75A for wake on LAN function

JP1

Pins 1 & 2 closed

 

5v standby voltage at 0.1A for wake on LAN function

JP1

Pins 2 & 3 closed

»

CMOS memory normal operation

J18

Pins 1 & 2 closed

 

CMOS memory clear

J18

Pins 2 & 3 closed

»

Factory configured - do not alter

J22

Pins 2 & 3 closed

DRAM CONFIGURATION

Size

Bank 0

Bank 1

Bank 2

8MB

(1) 1MB x 64

None

None

16MB

(1) 1MB x 64

(1) 1MB x 64

None

16MB

(1) 2MB x 64

None

None

24MB

(1) 1MB x 64

(1) 1MB x 64

(1) 1MB x 64

32MB

(1) 2MB x 64

(1) 2MB x 64

None

32MB

(1) 4MB x 64

None

None

32MB

(1) 2MB x 64

(1) 1MB x 64

(1) 1MB x 64

40MB

(1) 2MB x 64

(1) 2MB x 64

(1) 1MB x 64

40MB

(1) 4MB x 64

(1) 1MB x 64

None

48MB

(1) 4MB x 64

(1) 1MB x 64

(1) 1MB x 64

48MB

(1) 2MB x 64

(1) 2MB x 64

(1) 2MB x 64

48MB

(1) 4MB x 64

(1) 2MB x 64

None

56MB

(1) 4MB x 64

(1) 2MB x 64

(1) 1MB x 64

64MB

(1) 4MB x 64

(1) 4MB x 64

None

64MB

(1) 8MB x 64

None

None

64MB

(1) 4MB x 64

(1) 2MB x 64

(1) 2MB x 64

72MB

(1) 8MB x 64

(1) 1MB x 64

None

80MB

(1) 8MB x 64

(1) 1MB x 64

(1) 1MB x 64

80MB

(1) 8MB x 64

(1) 2MB x 64

None

88MB

(1) 8MB x 64

(1) 2MB x 64

(1) 1MB x 64

96MB

(1) 4MB x 64

(1) 4MB x 64

(1) 4MB x 64

96MB

(1) 8MB x 64

(1) 2MB x 64

(1) 2MB x 64

96MB

(1) 8MB x 64

(1) 4MB x 64

None

104MB

(1) 8MB x 64

(1) 4MB x 64

(1) 1MB x 64

112MB

(1) 8MB x 64

(1) 4MB x 64

(1) 2MB x 64

128MB

(1) 8MB x 64

(1) 8MB x 64

None

128MB

(1) 16MB x 64

None

None

128MB

(1) 8MB x 64

(1) 4MB x 64

(1) 4MB x 64

192MB

(1) 8MB x 64

(1) 8MB x 64

(1) 8MB x 64

256MB

(1) 16MB x 64

(1) 16MB x 64

None

384MB

(1) 16MB x 64

(1) 16MB x 64

(1) 16MB x 64

FLASH DEVICE MODE SETTINGS

Setting

J21

J23

Programmable device

Pins 1 & 2 closed

Pins 1 & 2 closed

Plug and Play

Pins 1 & 2 closed

Pins 2 & 3 closed

Write protect

Pins 2 & 3 closed

Pins 2 & 3 closed

CPU SPEED SELECTION

CPU Speed

Clock speed

Multiplier

JP4

JP5

JP6

JP7

233MHz

66MHz

3.5x

On

Off

Off

On

266MHz

66MHz

4x

Off

On

On

On

300MHz

66MHz

4.5x

Off

On

Off

On

333MHz

66MHz

5x

Off

Off

On

On