SUPER MICRO

P6SBU

Device Type

Mainboard

Processor

Pentium II

Processor Speed

233/266/300/333/350/400/450MHz

Chip Set

Intel 440GX

Maximum Onboard Memory

2GB (SDRAM supported)

Cache

256/512KB (located on the Pentium II CPU)

BIOS

AMI

Dimensions

305mm x 244mm

I/O Options

32-bit PCI slots (4), floppy drive interface, IDE interfaces (2), Wide Ultra SCSI interface, Wide SCSI interface (2), parallel port, PS/2 mouse port, serial ports (2), IR connector, USB connectors (2), ATX power connector, AGP slot, SB link connector

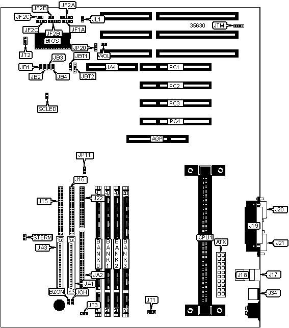
CONNECTIONS

Purpose

Location

Purpose

Location

AGP slot

AGP

Power LED & keylock

JF1B

ATX power connector

ATX

Speaker

JF1C

IDE interface 1

J15

IR connector

JF2A

IDE interface 2

J16

Power switch

JF2B

USB connector 1

J17

Reset switch

JF2C

USB connector 2

J18

Chassis intrusion

JL1

Parallel port

J19

Overheat LED

JOH

Serial port 1

J20

CPU fan power

JT1

Serial port 2

J21

CPU fan power

JT2

Floppy drive interface

J22

Chassis fan power

JT3

PS/2 mouse port

J34

32-bit PCI slots

PC1 - PC4

Ultra Wide SCSI interface

JA1

Secondary power connector

PWR2

SCSI 2 interface

JA2

SB link

SBL

Ultra Wide SCSI interface

JA3

SCSI LED

SCLED

RAID slot

JA4

Wake on LAN

WOL

IDE interface LED

JF1A

   

USER CONFIGURABLE SETTINGS

Function

Label

Position

»

Factory configured - do not alter

JAM

Unidentified

»

Pentium II CTL PD state

JP20

Pins 1 & 2 closed

 

BIOS CTL PD state

JP20

Pins 2 & 3 closed

»

CMOS memory normal operation

JBT1

Pins 1 & 2 closed

 

CMOS memory clear

JBT1

Pins 2 & 3 closed

 

Onboard buzzer enabled

BZON

Closed

 

Onboard buzzer disabled

BZON

Open

DIMM CONFIGURATION

Size

Bank 0

Bank 1

Bank 2

Bank 3

8MB

(1) 1MB x 64

None

None

None

16MB

(1) 1MB x 64

(1) 1MB x 64

None

None

16MB

(1) 2MB x 64

None

None

None

24MB

(1) 1MB x 64

(1) 1MB x 64

(1) 1MB x 64

 

32MB

(1) 1MB x 64

(1) 1MB x 64

(1) 1MB x 64

(1) 1MB x 64

32MB

(1) 2MB x 64

(1) 2MB x 64

None

None

32MB

(1) 4MB x 64

None

None

None

40MB

(1) 2MB x 64

(1) 2MB x 64

(1) 1MB x 64

None

48MB

(1) 2MB x 64

(1) 2MB x 64

(1) 2MB x 64

None

64MB

(1) 2MB x 64

(1) 2MB x 64

(1) 2MB x 64

(1) 2MB x 64

64MB

(1) 4MB x 64

(1) 4MB x 64

None

None

64MB

(1) 8MB x 64

None

None

None

88MB

(1) 4MB x 64

(1) 4MB x 64

(1) 2MB x 64

(1) 1MB x 64

96MB

(1) 4MB x 64

(1) 4MB x 64

(1) 4MB x 64

 

112MB

(1) 4MB x 64

(1) 4MB x 64

(1) 4MB x 64

(1) 2MB x 64

128MB

(1) 4MB x 64

(1) 4MB x 64

(1) 4MB x 64

(1) 4MB x 64

128MB

(1) 8MB x 64

(1) 8MB x 64

None

None

128MB

(1) 16MB x 64

None

None

None

176MB

(1) 8MB x 64

(1) 8MB x 64

(1) 4MB x 64

(1) 2MB x 64

192MB

(1) 8MB x 64

(1) 8MB x 64

(1) 8MB x 64

 

224MB

(1) 8MB x 64

(1) 8MB x 64

(1) 8MB x 64

(1) 4MB x 64

256MB

(1) 8MB x 64

(1) 8MB x 64

(1) 8MB x 64

(1) 8MB x 64

256MB

(1) 16MB x 64

(1) 16MB x 64

None

None

256MB

(1) 32MB x 64

None

None

None

352 MB

(1) 16MB x 64

(1) 16MB x 64

(1) 8MB x 64

(1) 4MB x 64

384MB

(1) 16MB x 64

(1) 16MB x 64

(1) 16MB x 64

 

448 MB

(1) 16MB x 64

(1) 16MB x 64

(1) 16MB x 64

(1) 8MB x 64

512MB

(1) 16MB x 64

(1) 16MB x 64

(1) 16MB x 64

(1) 16MB x 64

512MB

(1) 32MB x 64

(1) 32MB x 64

None

None

512MB

(1) 64MB x 64

None

None

None

704 MB

(1) 32MB x 64

(1) 32MB x 64

(1) 16MB x 64

(1) 8MB x 64

768MB

(1) 32MB x 64

(1) 32MB x 64

(1) 32MB x 64

None

896 MB

(1) 32MB x 64

(1) 32MB x 64

(1) 32MB x 64

(1) 16MB x 64

1024MB

(1) 32MB x 64

(1) 32MB x 64

(1) 32MB x 64

(1) 32MB x 64

1024MB

(1) 64MB x 64

(1) 64MB x 64

None

None

1408 MB

(1) 64MB x 64

(1) 64MB x 64

(1) 32MB x 64

(1) 16MB x 64

1536MB

(1) 64MB x 64

(1) 64MB x 64

(1) 64MB x 64

None

1792 MB

(1) 64MB x 64

(1) 64MB x 64

(1) 64MB x 64

(1) 32MB x 64

2048MB

(1) 64MB x 64

(1) 64MB x 64

(1) 64MB x 64

(1) 64MB x 64

CACHE CONFIGURATION

Note: The 256/512KB cache memory is located on the Pentium II CPU.

CPU SPEED SELECTION (PENTIUM II)

CPU speed

Clock speed

Multiplier

JB1

JB2

JB3

233MHz

66MHz

3.5x

Open

Open

Closed

266MHz

66MHz

4x

Closed

Closed

Open

300MHz

66MHz

4.5x

Open

Closed

Open

333MHz

66MHz

5x

Closed

Open

Open

350MHz

100MHz

3.5x

Open

Open

Closed

400MHz

100MHz

4x

Closed

Closed

Open

450MHz

100MHz

4.5x

Open

Closed

Open

CPU SPEED SELECTION (PENTIUM II CONT’)

CPU speed

Clock speed

Multiplier

JB4

JP11

233MHz

66MHz

3.5x

Closed

Pins 2 & 3 closed

266MHz

66MHz

4x

Closed

Pins 2 & 3 closed

300MHz

66MHz

4.5x

Closed

Pins 2 & 3 closed

333MHz

66MHz

5x

Closed

Pins 2 & 3 closed

350MHz

100MHz

3.5x

Closed

Open

400MHz

100MHz

4x

Closed

Open

450MHz

100MHz

4.5x

Closed

Open