SHUTTLE COMPUTER INTERNATIONAL, INC.

HOT-595

Device Type

Mainboard

Processor

CX 6X86/IBM 6X86/CX 6X86L/IBM 6X86L/CX 686MX/IBM 6X86MX/

AM K5/AM K6/Pentium/Pentium MMX

Processor Speed

75/90/100/120/133/150/166/200/233/266MHz

Chip Set

VIA VP3

Maximum Onboard Memory

384MB (EDO & SDRAM supported)

Cache

512/1024KB

BIOS

Unidentified

Dimensions

305mm x 210mm

I/O Options

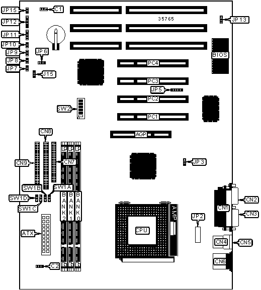
32-bit PCI slots (4), floppy drive interface, green PC connector, IDE interfaces (2), parallel port, PS/2 mouse port, serial ports (2), IR connector, USB connectors (2), ATX power connector, AGP slot, wake on LAN connector

CONNECTIONS

Purpose

Location

Purpose

Location

AGP slot

AGP

IDE interface 1

CN9

ATX power connector

ATX

Wake on LAN connector

J15

Chassis fan power

C1

EISCA connector

JP2

CPU fan power

C2

IR connector

JP5

Parallel port

CN1

Soft off power supply

JP7

Serial port 2

CN2

IDE interface LED

JP8

Serial port 1

CN3

Green PC LED

JP9

USB connector 1

CN4

Green PC connector

JP10

USB connector 2

CN5

Speaker

JP11

PS/2 mouse port

CN6

Power LED & keylock

JP12

Floppy drive interface

CN7

Reset switch

JP15

IDE interface 2

CN8

32-bit PCI slots

PC1 – PC4

USER CONFIGURABLE SETTINGS

Function

Label

Position

 

CPU burst mode select interleave

JP3

Pins 1 & 2 closed

 

CPU burst mode select linear

JP3

Pins 2 & 3 closed

»

CMOS memory normal operation

JP6

Pins 1 & 2 closed

 

CMOS memory clear

JP6

Pins 2 & 3 closed

 

Flash BIOS voltage select 12v

JP13

Pins 2 & 3 closed

 

Flash BIOS voltage select 5v

JP13

Pins 1 & 2 closed

DIMM CONFIGURATION

Size

Bank 0

Bank 1

Bank 2

8MB

(1) 1M x 64

None

None

16MB

(1) 2M x 64

None

None

16MB

(1) 1M x 64

(1) 1M x 64

None

24MB

(1) 2M x 64

(1) 1M x 64

None

24MB

(1) 1M x 64

(1) 1M x 64

(1) 1M x 64

32MB

(1) 4M x 64

None

None

32MB

(1) 2M x 64

(1) 1M x 64

(1) 1M x 64

32MB

(1) 2M x 64

(1) 2M x 64

None

40MB

(1) 4M x 64

(1) 1M x 64

None

40MB

(1) 2M x 64

(1) 2M x 64

(1) 1M x 64

DIMM CONFIGURATION (CON’T)

Size

Bank 0

Bank 1

Bank 2

48MB

(1) 4M x 64

(1) 1M x 64

(1) 1M x 64

48MB

(1) 4M x 64

(1) 2M x 64

None

48MB

(1) 2M x 64

(1) 2M x 64

(1) 2M x 64

56MB

(1) 4M x 64

(1) 2M x 64

(1) 1M x 64

64MB

(1) 8M x 64

None

None

64MB

(1) 4M x 64

(1) 2M x 64

(1) 2M x 64

64MB

(1) 4M x 64

(1) 4M x 64

None

72MB

(1) 8M x 64

(1) 1M x 64

None

72MB

(1) 4M x 64

(1) 4M x 64

(1) 1M x 64

80MB

(1) 8M x 64

(1) 1M x 64

(1) 1M x 64

80MB

(1) 8M x 64

(1) 2M x 64

None

80MB

(1) 4M x 64

(1) 4M x 64

(1) 2M x 64

88MB

(1) 8M x 64

(1) 2M x 64

(1) 1M x 64

96MB

(1) 8M x 64

(1) 2M x 64

(1) 2M x 64

96MB

(1) 4M x 64

(1) 4M x 64

(1) 4M x 64

104MB

(1) 8M x 64

(1) 4M x 64

(1) 1M x 64

112MB

(1) 8M x 64

(1) 4M x 64

(1) 2M x 64

128MB

(1) 16M x 64

None

None

128MB

(1) 8M x 64

(1) 4M x 64

(1) 4M x 64

128MB

(1) 8M x 64

(1) 8M x 64

None

136MB

(1) 16M x 64

(1) 1M x 64

None

144MB

(1) 16M x 64

(1) 1M x 64

(1) 1M x 64

144MB

(1) 16M x 64

(1) 2M x 64

None

152MB

(1) 16M x 64

(1) 2M x 64

(1) 1M x 64

160MB

(1) 16M x 64

(1) 2M x 64

(1) 2M x 64

160MB

(1) 16M x 64

(1) 4M x 64

None

176MB

(1) 16M x 64

(1) 4M x 64

(1) 2M x 64

192MB

(1) 16M x 64

(1) 4M x 64

(1) 4M x 64

192MB

(1) 16M x 64

(1) 8M x 64

None

192MB

(1) 8M x 64

(1) 8M x 64

(1) 8M x 64

200MB

(1) 16M x 64

(1) 8M x 64

(1) 1M x 64

208MB

(1) 16M x 64

(1) 8M x 64

(1) 2M x 64

224MB

(1) 16M x 64

(1) 8M x 64

(1) 4M x 64

256MB

(1) 16M x 64

(1) 8M x 64

(1) 8M x 64

384MB

(1) 16M x 64

(1) 16M x 64

(1) 16M x 64

Note: Board accepts EDO & SDRAM memory.

CACHE CONFIGURATION

Note: The location of the cache is unidentified.

CPU SPEED SELECTION (CX 6X86)

CPU speed

Clock speed

Multiplier

SW2/1

SW2/2

SW2/3

SW2/4

SW2/5

SW2/6

120MHz

50MHz

2x

On

On

On

On

Off

Off

150MHz

60MHz

2x

On

Off

Off

On

Off

Off

166MHz

66MHz

2x

Off

Off

Off

On

Off

Off

CPU SPEED SELECTION (IBM 6X86)

CPU speed

Clock speed

Multiplier

SW2/1

SW2/2

SW2/3

SW2/4

SW2/5

SW2/6

120MHz

50MHz

2x

On

On

On

On

Off

Off

150MHz

60MHz

2x

On

Off

Off

On

Off

Off

166MHz

66MHz

2x

Off

Off

Off

On

Off

Off

CPU SPEED SELECTION (CX 6X86L)

CPU speed

Clock speed

Multiplier

SW2/1

SW2/2

SW2/3

SW2/4

SW2/5

SW2/6

150MHz

60MHz

2x

On

Off

Off

On

Off

Off

166MHz

66MHz

2x

Off

Off

Off

On

Off

Off

CPU SPEED SELECTION (IBM 6X86L)

CPU speed

Clock speed

Multiplier

SW2/1

SW2/2

SW2/3

SW2/4

SW2/5

SW2/6

150MHz

60MHz

2x

On

Off

Off

On

Off

Off

166MHz

66MHz

2x

Off

Off

Off

On

Off

Off

CPU SPEED SELECTION (CX 6X86MX)

CPU speed

Clock speed

Multiplier

SW2/1

SW2/2

SW2/3

SW2/4

SW2/5

SW2/6

166MHz

60MHz

2.5x

On

Off

Off

On

On

Off

200MHz

66MHz

2.5x

Off

Off

Off

On

On

Off

233MHz

66MHz

3x

Off

Off

Off

Off

On

Off

266MHz

66MHz

3.5x

Off

Off

Off

Off

Off

Off

CPU SPEED SELECTION (IBM 6X86MX)

CPU speed

Clock speed

Multiplier

SW2/1

SW2/2

SW2/3

SW2/4

SW2/5

SW2/6

166MHz

60MHz

2.5x

On

Off

Off

On

On

Off

200MHz

66MHz

2.5x

Off

Off

Off

On

On

Off

233MHz

66MHz

3x

Off

Off

Off

Off

On

Off

266MHz

66MHz

3.5x

Off

Off

Off

Off

Off

Off

CPU SPEED SELECTION (IDT C6)

CPU speed

Clock speed

Multiplier

SW2/1

SW2/2

SW2/3

SW2/4

SW2/5

SW2/6

150MHz

60MHz

2.5x

On

Off

Off

On

On

Off

180MHz

60MHz

3x

On

Off

Off

Off

On

Off

200MHz

66MHz

3x

Off

Off

Off

Off

On

Off

CPU SPEED SELECTION (AM K5)

CPU speed

Clock speed

Multiplier

SW2/1

SW2/2

SW2/3

SW2/4

SW2/5

SW2/6

75MHz

50MHz

1.5x

On

On

On

Off

Off

Off

90MHz

60MHz

1.5x

On

Off

Off

Off

Off

Off

100MHz

66MHz

1.5x

Off

Off

Off

Off

Off

Off

120MHz

60MHz

1.5x

On

Off

Off

Off

Off

Off

133MHz

66MHz

1.5x

Off

Off

Off

Off

Off

Off

166MHz

66MHz

1.75x

Off

Off

Off

On

On

Off

CPU SPEED SELECTION (AM K6)

CPU speed

Clock speed

Multiplier

SW2/1

SW2/2

SW2/3

SW2/4

SW2/5

SW2/6

166MHz

66MHz

2.5x

Off

Off

Off

On

On

Off

200MHz

66MHz

3x

Off

Off

Off

Off

On

Off

233MHz

66MHz

3.5x

Off

Off

Off

Off

Off

Off

266MHz

66MHz

4x

Off

Off

Off

On

Off

On

CPU SPEED SELECTION (INTEL)

CPU speed

Clock speed

Multiplier

SW2/1

SW2/2

SW2/3

SW2/4

SW2/5

SW2/6

75MHz

50MHz

1.5x

On

On

On

Off

Off

Off

90MHz

60MHz

1.5x

On

Off

Off

Off

Off

Off

100MHz

66MHz

1.5x

Off

Off

Off

Off

Off

Off

120MHz

60MHz

2x

On

Off

Off

On

Off

Off

133MHz

66MHz

2x

Off

Off

Off

On

Off

Off

150MHz

60MHz

2.5x

On

Off

Off

On

On

Off

166MHz

66MHz

2.5x

Off

Off

Off

On

On

Off

200MHz

66MHz

3x

Off

Off

Off

Off

On

Off

CPU SPEED SELECTION (INTEL MMX)

CPU speed

Clock speed

Multiplier

SW2/1

SW2/2

SW2/3

SW2/4

SW2/5

SW2/6

166MHz

66MHz

2.5x

Off

Off

Off

On

On

Off

200MHz

66MHz

3x

Off

Off

Off

Off

On

Off

233MHz

66MHz

3.5x

Off

Off

Off

Off

Off

Off

CPU VOLTAGE SELECTION

Voltage

SW1A

SW1B

SW1C

SW1D

Auto

Pins 2 & 3 closed

Pins 2 & 3 closed

Pins 2 & 3 closed

Pins 2 & 3 closed

2.0v

Open

Open

Open

Open

2.1v

Pins 1 & 2 closed

Open

Open

Open

2.2v

Open

Pins 1 & 2 closed

Open

Open

2.3v

Pins 1 & 2 closed

Pins 1 & 2 closed

Open

Open

2.4v

Open

Open

Pins 1 & 2 closed

Open

2.5v

Pins 1 & 2 closed

Open

Pins 1 & 2 closed

Open

2.6v

Open

Pins 1 & 2 closed

Pins 1 & 2 closed

Open

2.7v

Pins 1 & 2 closed

Pins 1 & 2 closed

Pins 1 & 2 closed

Open

2.8v

Open

Open

Open

Pins 1 & 2 closed

2.9v

Pins 1 & 2 closed

Open

Open

Pins 1 & 2 closed

3.0v

Open

Pins 1 & 2 closed

Open

Pins 1 & 2 closed

3.1v

Pins 1 & 2 closed

Pins 1 & 2 closed

Open

Pins 1 & 2 closed

3.2v

Open

Open

Pins 1 & 2 closed

Pins 1 & 2 closed

3.3v

Pins 1 & 2 closed

Open

Pins 1 & 2 closed

Pins 1 & 2 closed

3.4v

Open

Pins 1 & 2 closed

Pins 1 & 2 closed

Pins 1 & 2 closed

3.52v

Pins 1 & 2 closed

Pins 1 & 2 closed

Pins 1 & 2 closed

Pins 1 & 2 closed