VEXTREC TECHNOLOGY, INC.

GMB-P57IPS (VER. 3.03)

Device Type

Mainboard

Processor

CX 6X86/CX 6X86L/CX 6X86MX/AM K5/AM K6/Pentium/Pentium MMX

Processor Speed

90/100/110/120/133/150/166/200/233MHz

Chip Set

Intel 430TX

Maximum Onboard Memory

256MB (EDO & SDRAM supported)

Cache

256/512KB

BIOS

Award

Dimensions

260mm x 220mm

I/O Options

32-bit PCI slots (4), floppy drive interface, IDE interface, parallel port, PS/2 mouse port, serial ports (2), USB connectors (2), IR connector

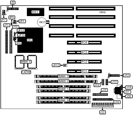
CONNECTIONS

Purpose

Location

Purpose

Location

IDE interface LED

J2/pins 1 & 2

IR connector

J12/pins 16 - 20

Turbo LED

J2/pins 3 & 4

Serial port 2

J13

SMI switch

J2/pins 5 & 6

Serial port 1

J14

Reset switch

J2/pins 9 & 10

Parallel port

J15

Power LED & keylock

J2/pins 11 - 15

Floppy drive interface

J16

Speaker

J2/pins 17 - 20

PS/2 mouse port

J19

IDE interface 2

J10

At keyboard connector

J20

IDE interface 1

J11

PS/2 keyboard connector

J21

USB1 connector

J12/pins 1 - 5

AT power connector

J22

PS/2 mouse interface

J12/pins 6 - 10

PCI slots

PC1 - PC4

USB2 connector

J12/pins 11 - 15

 

 

USER CONFIGURABLE SETTINGS

Function

Label

Position

 

Flash BIOS voltage select 12v

JP4

Pins 2 & 3 closed

 

Flash BIOS voltage select 5v

JP4

Pins 1 & 2 closed

SIMM CONFIGURATION

Size

Bank 0

Bank 1

4MB

(2) 1MB x 32

None

4MB

None

(2) 1MB x 32

8MB

(2) 1MB x 32

(2) 1MB x 32

16MB

(2) 4MB x 32

None

16MB

None

(2) 4MB x 32

20MB

(2) 4MB x 32

(2) 1MB x 32

32MB

(2) 4MB x 32

(2) 4MB x 32

32MB

(2) 4MB x 32

None

32MB

None

(2) 4MB x 32

36MB

(2) 4MB x 32

(2) 1MB x 32

48MB

(2) 4MB x 32

(2) 4MB x 32

48MB

(2) 4MB x 32

(2) 4MB x 32

64MB

(2)16MB x 32

None

64MB

None

(2) 16MB x 32

64MB

(2) 4MB x 32

(2) 4MB x 32

68MB

(2) 16MB x 32

(2) 1MB x 32

80MB

(2) 16MB x 32

(2) 4MB x 32

96MB

(2) 16MB x 32

(2) 4MB x 32

128MB

(2) 16MB x 32

(2) 16MB x 32

128MB

(2) 16MB x 32

None

128MB

None

(2) 16MB x 32

136MB

(2) 16MB x 32

(2) 1MB x 32

144MB

(2) 16MB x 32

(2) 4MB x 32

160MB

(2) 16MB x 32

(2) 4MB x 32

192MB

(2) 16MB x 32

(2) 16MB x 32

192MB

(2) 16MB x 32

(2) 16MB x 32

256MB

(2) 16MB x 32

(2) 16MB x 32

DIMM CONFIGURATION

Size

Bank 2

Bank 3

16MB

(1) 2MB x 64

None

32MB

(1) 2MB x 64

(1) 2MB x 64

32MB

(1) 4MB x 64

None

48MB

(1) 4MB x 64

(1) 2MB x 64

64MB

(1) 4MB x 64

(1) 4MB x 64

64MB

(2) 4MB x 64

None

80MB

(2) 4MB x 64

(1) 2MB x 64

96MB

(1) 4MB x 64

(2) 4MB x 64

96MB

(2) 4MB x 64

(1) 4MB x 64

128MB

(1)16MB x 64

None

128MB

(2) 4MB x 64

(2) 4MB x 64

144MB

(1) 16MB x 64

(1) 2MB x 64

160MB

(1) 16MB x 64

(1) 4MB x 64

192MB

(1) 16MB x 64

(2) 4MB x 64

256MB

(1) 16MB x 64

(1) 16MB x 64

CACHE CONFIGURATION

Cache size

Bank 0

TAG

256KB

(2) 32K x 8

8K/16K x 8

512KB

(2) 64K x 8

16K x 8

CPU SPEED SELECTION (INTEL)

CPU speed

Clock speed

Multiplier

JP9

JP10

JP12

JP13

90MHz

60MHz

1.5x

1 & 2

1 & 2

1 & 2

1 & 2

100MHz

66MHz

1.5x

1 & 2

1 & 2

Open

1 & 2

120MHz

60MHz

2x

2 & 3

1 & 2

1 & 2

1 & 2

133MHz

66MHz

2x

2 & 3

1 & 2

Open

1 & 2

150MHz

60MHz

2.5x

2 & 3

2 & 3

1 & 2

1 & 2

166MHz

66MHz

2.5x

2 & 3

2 & 3

Open

1 & 2

200MHz

66MHz

3x

1 & 2

2 & 3

Open

1 & 2

Note: Pins designated are in the closed position.

CPU SPEED SELECTION (INTEL MMX)

CPU speed

Clock speed

Multiplier

JP9

JP10

JP12

JP13

166MHz

66MHz

2.5x

2 & 3

2 & 3

Open

1 & 2

200MHz

66MHz

3x

1 & 2

2 & 3

Open

1 & 2

233MHz

66MHz

3.5x

1 & 2

1 & 2

Open

1 & 2

Note: Pins designated are in the closed position.

CPU SPEED SELECTION (CX 6X86)

CPU speed

Clock speed

Multiplier

JP9

JP10

JP12

JP13

133MHz

55MHz

2x

2 & 3

1 & 2

1 & 2, 3 & 4

1 & 2

150MHz

60MHz

2x

2 & 3

1 & 2

1 & 2

1 & 2

166MHz

66MHz

2x

2 & 3

1 & 2

Open

1 & 2

200MHz

75MHz

2x

2 & 3

1 & 2

3 & 4

1 & 2

Note: Pins designated are in the closed position.

CPU SPEED SELECTION (CX 6X86 MX)

CPU speed

Clock speed

Multiplier

JP9

JP10

JP12

JP13

166MHz

60MHz

2.5x

2 & 3

2 & 3

1 & 2

2 & 3

200MHz

66MHz

2.5x

2 & 3

2 & 3

Open

2 & 3

Note: Pins designated are in the closed position.

CPU SPEED SELECTION (AM K5)

CPU speed

Clock speed

Multiplier

JP9

JP10

JP12

JP13

90MHz

60MHz

1.5x

1 & 2

1 & 2

Open

1 & 2

100MHz

66MHz

1.5x

1 & 2

1 & 2

Open

1 & 2

120MHz

60MHz

2x

1 & 2

1 & 2

Open

1 & 2

133MHz

66MHz

2x

2 & 3

1 & 2

Open

1 & 2

150MHz

60MHz

2.5x

1 & 2

1 & 2

Open

1 & 2

166MHz

66MHz

2.5x

2 & 3

2 & 3

Open

1 & 2

Note: Pins designated are in the closed position.

CPU SPEED SELECTION (AM K6)

CPU speed

Clock speed

Multiplier

JP9

JP10

JP12

JP13

166MHz

66MHz

2.5x

2 & 3

2 & 3

Open

1 & 2

200MHz

66MHz

3x

1 & 2

2 & 3

Open

1 & 2

233MHz

66MHz

3.5x

1 & 2

1 & 2

Open

1 & 2

266MHz

66MHz

4x

2 & 3

1 & 2

Open

2 & 3

Note: Pins designated are in the closed position.

CPU VOLTAGE SELECTION (SINGLE)

Voltage

JP1

JP5

JP7

3.3V

Closed

Closed

3 & 4, 5 & 6, 7 & 8

3.5V

Closed

Closed

1 & 2, 3 & 4, 5 & 6, 7 & 8

Note: Pins designated are in the closed position.

CPU VOLTAGE SELECTION (DUAL)

V I/O

V Core

JP1

JP5

JP7

3.3V

2.2V

Open

Open

3 & 4

3.3V

2.8V

Open

Open

7 & 8

3.3V

2.9V

Open

Open

1 & 2, 7 & 8

3.3V

3.2V

Open

Open

1 & 2, 5 & 6, 7 & 8

Note: Pins designated are in the closed position.

CPU VOLTAGE SELECTION (DUAL CONT.)

V I/O

V Core

JP1/pins 1 & 2

JP1/pins 3 & 4

JP1/pins 5 & 6

JP5

3.3V

2.2V

Open

Open

Open

Open

3.3V

2.8V

Open

Open

Open

Open

3.3V

2.9V

Open

Open

Open

Open

3.3V

3.2V

Open

Open

Open

Open