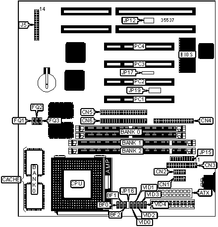
ZIDA TECHNOLOGIES INC.

TX98 (VER. 1.01)

Device Type

Mainboard

Processor

CX 6X86L/IBM 6X86L/CX 6X86MX/IBM 6X86MX/IDT C6/AM K5/

AM K6/Pentium/Pentium MMX

Processor Speed

100/120/133/150/166/200/225/233/266/300/333MHz

Chip Set

VIA VPX

Video Chip Set

None

Maximum Onboard Memory

256MB (EDO & SDRAM supported)

Maximum Video Memory

None

Cache

256/512KB

BIOS

AMI

Dimensions

220mm x 200mm

I/O Options

32-bit PCI slots (4), floppy drive interface, green PC connector, IDE interfaces (2), parallel port, PS/2 mouse interface, serial ports (2), IR connector, USB connectors (2), ATX power connector, TB-link connector, wake on LAN connector, TA-link connector

NPU Options

None

CONNECTIONS

Purpose

Location

Purpose

Location

ATX power connector

ATX

Speaker

J5/pins 10 - 13

Serial port 1

CN1

IDE interface LED

J5/pins 14 & 15

Serial port 2

CN2

TB-link connector

JP12

Parallel port

CN3

USB connector 1

JP15/pins 1 - 5

Floppy drive interface

CN4

PS/2 mouse interface

JP15/pins 6 - 10

IDE interface 1

CN5

USB connector 2

JP15/pins 11 - 15

IDE interface 2

CN6

IR connector

JP15/pins 16 - 20

Audio in - CD-ROM

J6

Wake on LAN connector

JP17

Audio in - CD-ROM

J7

Audio connector

JP18

Power LED & keylock

J5/pins 1 - 5

TA-link connector

JP19

Green PC connector

J5/pins 7 & 8

32-bit PCI slots

PC1 - PC4

USER CONFIGURABLE SETTINGS

Function

Label

Position

 

Auto jumper enabled

JP16

Pins 1 & 2 closed

 

Auto jumper disabled

JP16

Pins 2 & 3 closed

SIMM CONFIGURATION

Size

Bank 0

8MB

(2) 1M x 36

16MB

(2) 2M x 36

32MB

(2) 4M x 36

64MB

(2) 8M x 36

128MB

(2) 16M x 36

Note: Board accepts EDO memory.

DIMM CONFIGURATION

Size

Bank 1

Bank 2

8MB

(1) 1M x 64

None

16MB

(1) 2M x 64

None

16MB

(1) 1M x 64

(1) 1M x 64

24MB

(1) 2M x 64

(1) 1M x 64

32MB

(1) 4M x 64

None

32MB

(1) 2M x 64

(1) 2M x 64

40MB

(1) 4M x 64

(1) 1M x 64

48MB

(1) 4M x 64

(1) 2M x 64

64MB

(1) 8M x 64

None

DIMM CONFIGURATION (CON'T)

Size

Bank 0

Bank 1

64MB

(1) 4M x 64

(1) 4M x 64

72MB

(1) 8M x 64

(1) 1M x 64

80MB

(1) 8M x 64

(1) 2M x 64

96MB

(1) 8M x 64

(1) 4M x 64

128MB

(1) 16M x 64

None

128MB

(1) 8M x 64

(1) 8M x 64

136MB

(1) 16M x 64

(1) 1M x 64

144MB

(1) 16M x 64

(1) 2M x 64

160MB

(1) 16M x 64

(1) 4M x 64

192MB

(1) 16M x 64

(1) 8M x 64

256MB

(1) 16M x 64

(1) 16M x 64

Note: Board accepts SDRAM memory.

CACHE CONFIGURATION

Size

Bank 0

256KB

(2) 32K x 32

512KB

(2) 64K x 32

CPU SPEED SELECTION (CX 6X86L)

CPU speed

Clock speed

Multiplier

BF0

BF1

BF2

FQ1

FQ2

FQ3

150MHz

60MHz

2x

2 & 3

1 & 2

1 & 2

2 & 3

1 & 2

1 & 2

166MHz

66MHz

2x

2 & 3

1 & 2

1 & 2

1 & 2

1 & 2

1 & 2

Note: Pins designated should be in the closed position.

CPU SPEED SELECTION (IBM 6X86L)

CPU speed

Clock speed

Multiplier

BF0

BF1

BF2

FQ1

FQ2

FQ3

150MHz

60MHz

2x

2 & 3

1 & 2

1 & 2

2 & 3

1 & 2

1 & 2

166MHz

66MHz

2x

2 & 3

1 & 2

1 & 2

1 & 2

1 & 2

1 & 2

Note: Pins designated should be in the closed position.

CPU SPEED SELECTION (CX 6X86MX)

CPU speed

Clock speed

Multiplier

BF0

BF1

BF2

FQ1

FQ2

FQ3

200MHz

75MHz

2x

2 & 3

1 & 2

1 & 2

1 & 2

2 & 3

1 & 2

233MHz

66MHz

3x

1 & 2

2 & 3

1 & 2

1 & 2

1 & 2

1 & 2

233MHz

75MHz

2.5x

2 & 3

2 & 3

1 & 2

1 & 2

2 & 3

1 & 2

266MHz

66MHz

3.5x

1 & 2

1 & 2

1 & 2

1 & 2

1 & 2

1 & 2

300MHz

66MHz

3.5x

1 & 2

1 & 2

1 & 2

1 & 2

1 & 2

1 & 2

300MHz

75MHz

3x

1 & 2

2 & 3

1 & 2

1 & 2

2 & 3

1 & 2

333MHz

75MHz

3.5x

1 & 2

1 & 2

1 & 2

1 & 2

2 & 3

1 & 2

333MHz

83MHz

3x

1 & 2

2 & 3

1 & 2

2 & 3

1 & 2

2 & 3

Note: Pins designated should be in the closed position.

CPU SPEED SELECTION (IBM 6X86MX)

CPU speed

Clock speed

Multiplier

BF0

BF1

BF2

FQ1

FQ2

FQ3

200MHz

75MHz

2x

2 & 3

1 & 2

1 & 2

1 & 2

2 & 3

1 & 2

233MHz

66MHz

3x

1 & 2

2 & 3

1 & 2

1 & 2

1 & 2

1 & 2

233MHz

75MHz

2.5x

2 & 3

2 & 3

1 & 2

1 & 2

2 & 3

1 & 2

266MHz

66MHz

3.5x

1 & 2

1 & 2

1 & 2

1 & 2

1 & 2

1 & 2

300MHz

66MHz

3.5x

1 & 2

1 & 2

1 & 2

1 & 2

1 & 2

1 & 2

300MHz

75MHz

3x

1 & 2

2 & 3

1 & 2

1 & 2

2 & 3

1 & 2

333MHz

75MHz

3.5x

1 & 2

1 & 2

1 & 2

1 & 2

2 & 3

1 & 2

333MHz

83MHz

3x

1 & 2

2 & 3

1 & 2

2 & 3

1 & 2

2 & 3

Note: Pins designated should be in the closed position.

CPU SPEED SELECTION (IDT C6)

CPU speed

Clock speed

Multiplier

BF0

BF1

BF2

FQ1

FQ2

FQ3

150MHz

50MHz

3x

1 & 2

2 & 3

1 & 2

2 & 3

2 & 3

2 & 3

150MHz

75MHz

2x

2 & 3

1 & 2

1 & 2

1 & 2

2 & 3

1 & 2

180MHz

60MHz

3x

1 & 2

2 & 3

1 & 2

2 & 3

1 & 2

1 & 2

200MHz

66MHz

3x

1 & 2

2 & 3

1 & 2

1 & 2

1 & 2

1 & 2

225MHz

75MHz

3x

1 & 2

2 & 3

1 & 2

1 & 2

2 & 3

1 & 2

Note: Pins designated should be in the closed position.

CPU SPEED SELECTION (AM K5)

CPU speed

Clock speed

Multiplier

BF0

BF1

BF2

FQ1

FQ2

FQ3

100MHz

66MHz

1.5x

1 & 2

1 & 2

1 & 2

1 & 2

1 & 2

1 & 2

166MHz

66MHz

2.5x

2 & 3

2 & 3

1 & 2

1 & 2

1 & 2

1 & 2

Note: Pins designated should be in the closed position.

CPU SPEED SELECTION (AM K6)

CPU speed

Clock speed

Multiplier

BF0

BF1

BF2

FQ1

FQ2

FQ3

166MHz

66MHz

2.5x

2 & 3

2 & 3

1 & 2

1 & 2

1 & 2

1 & 2

200MHz

66MHz

3x

1 & 2

2 & 3

1 & 2

1 & 2

1 & 2

1 & 2

233MHz

66MHz

3.5x

1 & 2

1 & 2

1 & 2

1 & 2

1 & 2

1 & 2

266MHz

66MHz

4x

2 & 3

1 & 2

2 & 3

1 & 2

1 & 2

1 & 2

300MHz

66MHz

4.5x

2 & 3

2 & 3

2 & 3

1 & 2

1 & 2

1 & 2

333MHz

66MHz

5x

1 & 2

2 & 3

2 & 3

1 & 2

1 & 2

1 & 2

Note: Pins designated should be in the closed position.

CPU SPEED SELECTION (INTEL)

CPU speed

Clock speed

Multiplier

BF0

BF1

BF2

FQ1

FQ2

FQ3

100MHz

66MHz

1.5x

1 & 2

1 & 2

1 & 2

1 & 2

1 & 2

1 & 2

120MHz

60MHz

2x

2 & 3

1 & 2

1 & 2

2 & 3

1 & 2

1 & 2

133MHz

66MHz

2x

2 & 3

1 & 2

1 & 2

1 & 2

1 & 2

1 & 2

150MHz

60MHz

2.5x

2 & 3

2 & 3

1 & 2

2 & 3

1 & 2

1 & 2

166MHz

66MHz

2.5x

2 & 3

2 & 3

1 & 2

1 & 2

1 & 2

1 & 2

200MHz

66MHz

3x

1 & 2

2 & 3

1 & 2

1 & 2

1 & 2

1 & 2

Note: Pins designated should be in the closed position.

CPU SPEED SELECTION (INTEL MMX)

CPU speed

Clock speed

Multiplier

BF0

BF1

BF2

FQ1

FQ2

FQ3

166MHz

66MHz

2.5x

2 & 3

2 & 3

1 & 2

1 & 2

1 & 2

1 & 2

200MHz

66MHz

3x

1 & 2

2 & 3

1 & 2

1 & 2

1 & 2

1 & 2

233MHz

66MHz

3.5x

1 & 2

1 & 2

1 & 2

1 & 2

1 & 2

1 & 2

Note: Pins designated should be in the closed position.

CPU VOLTAGE SELECTION

Voltage

VID0

VID1

VID2

VID3

VID4

2.2v

1 & 2

2 & 3

1 & 2

1 & 2

1 & 2

2.8v

1 & 2

1 & 2

1 & 2

2 & 3

1 & 2

2.9v

2 & 3

1 & 2

1 & 2

2 & 3

1 & 2

3.2v

1 & 2

1 & 2

2 & 3

2 & 3

1 & 2

3.3v

2 & 3

1 & 2

2 & 3

2 & 3

1 & 2

3.4v

1 & 2

2 & 3

2 & 3

2 & 3

1 & 2

3.5v

2 & 3

2 & 3

2 & 3

2 & 3

1 & 2

Note: Pins designated should be in the closed position.