IET STARTECH
LANSTAR 2000T
|
NIC Type |
Ethernet |
|
Network Transfer Rate |
10Mbps |
|
Data Bus |
16-bit ISA |
|
Topology |
Linear Bus, Star |
|
Wiring Type |
Unshielded twisted pair AUI transceiver via DB-15 port |
|
Boot ROM |
Available |

|
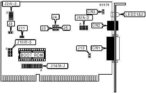
CONNECTIONS |
|||
|
Function |
Label |
Function |
Label |
|
AUI transceiver via DB-15 port |
CN1 |
External LED connector |
CN3 |
|
Unshielded twisted pair |
CN2 |
|
|
|
USER CONFIGURABLE SETTINGS |
|||
|
Function |
Label |
Position |
|
|
|
SQE test function enabled |
J3 |
Pins 1 & 2 closed |
|
|
SQE test function disabled |
J3 |
Pins 2 & 3 closed |
|
|
Cable length normal |
J4 |
Pins 1 & 2 closed |
|
|
Cable length extended |
J4 |
Pins 2 & 3 closed |
|
|
Link test enabled |
J5 |
Pins 2 & 3 closed |
|
|
Link test disabled |
J5 |
Pins 1 & 2 closed |
|
» |
Mainboard compatibility normal |
J8 |
Open |
|
|
Mainboard compatibility abnormal |
J8 |
Closed |
|
|
NE1000 compatible |
J11 |
Closed |
|
|
NE2000 compatible |
J11 |
Open |
|
BASE I/O ADDRESS SELECTION |
|||||
|
Address |
J10/0 |
J10/1 |
J10/2 |
J10/3 |
|
|
|
200h |
Open |
Closed |
Closed |
Closed |
|
|
220h |
Open |
Closed |
Closed |
Open |
|
|
240h |
Open |
Closed |
Open |
Closed |
|
|
260h |
Open |
Closed |
Open |
Open |
|
|
280h |
Open |
Open |
Closed |
Closed |
|
|
2A0h |
Open |
Open |
Closed |
Open |
|
|
2C0h |
Open |
Open |
Open |
Closed |
|
» |
300h |
Closed |
Closed |
Closed |
Closed |
|
|
320h |
Closed |
Closed |
Closed |
Open |
|
|
340h |
Closed |
Closed |
Open |
Closed |
|
|
360h |
Closed |
Closed |
Open |
Open |
|
|
380h |
Closed |
Open |
Closed |
Closed |
|
INTERRUPT SELECTION |
||||||||||
|
IRQ |
J14/A |
J14/B |
J14/C |
J14/D |
J14/E |
J14/F |
J14/G |
J14/H |
J14/I |
J14/J |
|
2 |
Closed |
Open |
Open |
Open |
Open |
Open |
Open |
Open |
Open |
Open |
|
3 |
Open |
Closed |
Open |
Open |
Open |
Open |
Open |
Open |
Open |
Open |
|
4 |
Open |
Open |
Closed |
Open |
Open |
Open |
Open |
Open |
Open |
Open |
|
5 |
Open |
Open |
Open |
Closed |
Open |
Open |
Open |
Open |
Open |
Open |
|
7 |
Open |
Open |
Open |
Open |
Closed |
Open |
Open |
Open |
Open |
Open |
|
10 |
Open |
Open |
Open |
Open |
Open |
Closed |
Open |
Open |
Open |
Open |
|
11 |
Open |
Open |
Open |
Open |
Open |
Open |
Closed |
Open |
Open |
Open |
|
12 |
Open |
Open |
Open |
Open |
Open |
Open |
Open |
Closed |
Open |
Open |
|
14 |
Open |
Open |
Open |
Open |
Open |
Open |
Open |
Open |
Closed |
Open |
|
15 |
Open |
Open |
Open |
Open |
Open |
Open |
Open |
Open |
Open |
Closed |
|
CABLE TYPE SELECTION |
||
|
Type |
J6/A-D |
J13 |
|
AUI transceiver via DB-15 port |
Open |
Closed |
|
Unshielded twisted pair |
Closed |
Open |
|
BOOT ROM CONFIGURATION |
||
|
Setting |
J2/3 |
|
|
|
Enabled |
Closed |
|
» |
Disabled |
Open |
|
ROM ADDRESS SELECTION |
|||
|
Address |
J2/0 |
J2/1 |
J2/2 |
|
C000:0h |
Open |
Open |
Open |
|
C400:0h |
Open |
Open |
Closed |
|
C800:0h |
Open |
Closed |
Open |
|
CC00:0h |
Open |
Closed |
Closed |
|
D000:0h |
Closed |
Open |
Open |
|
D400:0h |
Closed |
Open |
Closed |
|
D800:0h |
Closed |
Closed |
Open |
|
DC00:0h |
Closed |
Closed |
Closed |
|
DIAGNOSTIC LED(S) |
|||
|
LED |
Color |
Status |
Condition |
|
LED1 |
Yellow |
On |
10Base-T polarity reversed when auto polarity enabled |
|
LED1 |
Yellow |
Off |
10Base-T polarity normal |
|
LED2 |
Green |
On or Blinking |
During link test mode - 10Base-T network connection is good |
|
LED2 |
Green |
On or Blinking |
10Base-T circuit is receiving data when link test function disabled |
|
LED2 |
Green |
Off |
Network connection is broken or 10Base-T circuit is not receiving data |
|
Note: The locations of LED1 and LED2 are unidentified. |
|||