INVISIBLE SOFTWARE, INC.
ETHERNET 1000T/EP-8T
|
Card Type |
Network Interface Card |
|
NIC Type |
Ethernet |
|
Maximum Onboard Memory |
Unidentified |
|
Boot ROM |
Available |
|
Network Transfer Rate |
10Mbps |
|
Topology |
Linear Bus, Star |
|
Wiring Type |
RJ-45 Unshielded twisted pair, AUI transceiver via DB-15 port |
|
Data Bus |
8-bit ISA |

|
CONNECTIONS |
|||
|
Function |
Label |
Function |
Label |
|
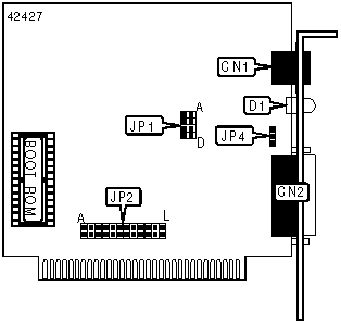
UTP connector (RJ-45) |
CN1 |
AUI connector |
CN2 |
|
DMA CHANNEL SELECTION |
|||||
|
Channel |
JP2/G |
JP2/H |
JP2/I |
JP2/J |
|
|
» |
Disabled |
Open |
Open |
Open |
Open |
|
|
1 |
Closed |
Open |
Closed |
Open |
|
|
3 |
Open |
Closed |
Open |
Closed |
|
BASE I/O ADDRESS SELECTION |
|||
|
Setting |
JP2/K |
JP2/L |
|
|
» |
300h |
Closed |
Closed |
|
|
320h |
Open |
Closed |
|
|
340h |
Closed |
Open |
|
|
360h |
Open |
Open |
|
INTERRUPT SELECTION |
|||||||
|
IRQ |
JP2/A |
JP2/B |
JP2/C |
JP2/D |
JP2/E |
JP2/F |
|
|
|
2 |
Closed |
Open |
Open |
Open |
Open |
Open |
|
» |
3 |
Open |
Closed |
Open |
Open |
Open |
Open |
|
|
4 |
Open |
Open |
Closed |
Open |
Open |
Open |
|
|
5 |
Open |
Open |
Open |
Closed |
Open |
Open |
|
|
6 |
Open |
Open |
Open |
Open |
Closed |
Open |
|
|
7 |
Open |
Open |
Open |
Open |
Open |
Closed |
|
CABLE TYPE SELECTION |
|
|
Type |
JP4 |
|
AUI transceiver via DB-15 port |
Pins 2 & 3 closed |
|
Unshielded twisted pair |
Pins 1 & 2 closed |
|
BOOT ROM CONFIGURATION |
||
|
Setting |
JP1/A |
|
|
|
Enabled |
Closed |
|
» |
Disabled |
Open |
|
ROM ADDRESS SELECTION |
||||
|
Address |
JP1/B |
JP1/C |
JP1/D |
|
|
» |
C8000h |
Closed |
Closed |
Closed |
|
|
CC000h |
Open |
Closed |
Closed |
|
|
D8000h |
Closed |
Open |
Closed |
|
|
DC000h |
Open |
Open |
Closed |
|
|
E8000h |
Closed |
Closed |
Open |
|
|
EC000h |
Open |
Closed |
Open |
|
DIAGNOSTIC LED(S) |
|
Note: The function of the LED is unidentified. |