VISTACOM, INC.

CP BOARD, DCT BOARD, NI/11 BOARD, NI/35 BOARD, NI/MVIP BOARD

Card Type

Serial/Sound coding

Chipset Controller

Texas Instruments

I/O Options

Serial ports (2)

Maximum DRAM

N/A

CONNECTIONS

Purpose

Location

Purpose

Location

9-pin D-connector

XP2

40-pin network interface connector

XP5

9-pin D-connector

XP3

40-pin audio codec connector

XP6

26-pin connector

XP4

16-pin analog audio/video connector

XP7

BASE I/O ADDRESS SELECTION

Address

W7

W8

W9

» 300h

Closed

Closed

Open

200h

Closed

Closed

Closed

220h

Open

Closed

Closed

240h

Closed

Open

Closed

260h

Open

Open

Closed

320h

Open

Closed

Open

340h

Closed

Open

Open

360h

Open

Open

Open

INTERRUPT SELECTION

IRQ

W1

W2

W3

W4

W5

»

15

Open

Open

Open

Open

Closed

 

9

Open

Open

Open

Closed

Open

 

10

Closed

Open

Open

Open

Open

 

11

Open

Closed

Open

Open

Open

 

12

Open

Open

Closed

Open

Open

DCT BOARD

Card Type

Video/Sound coding

Chipset Controller

Texas Instruments

I/O Options

Audio in, audio out, microphone in, telephone handset, video port

Maximum DRAM

N/A

CONNECTIONS

Purpose

Location

Purpose

Location

2-pin microphone connector

W3

16-pin audio/video connector

XP6

15-pin analog video port

XP2

26-pin daughter board connector

XP9

Audio in

XP3

26-pin daughter board connector

XP10

Audio out

XP4

10-pin connector

XP11

Telephone handset connector

XP5

 

 

BASE I/O ADDRESS SELECTION

Address

W1

W2

»320h

Closed

Open

300h

Closed

Closed

310h

Open

Closed

330h

Open

Open

FACTORY CONFIGURED - DO NOT ALTER

Jumper

Position

W7

N/A

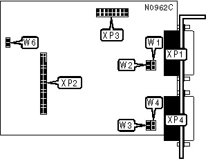
NI/11 BOARD

NIC Type

ISDN

Transfer Rate

56/64/112/128/768Kbps

Data Bus

Daughterboard

Topology

Peer-Peer

Wiring Type

Unshielded twisted pair

Boot ROM

Not available

CONNECTIONS

Purpose

Location

Purpose

Location

2-pin connector

W2

40-pin interface connector

XP2

2-pin connector

W4

16-pin synchronous connector

XP3

26-pin network interface connector

XP1

26-pin network interface connector

XP4

DIALING SELECT

Mode

W6

» DTMF

Closed

Non-DTMF

Open

FACTORY CONFIGURED - DO NOT ALTER

Jumper

Position

W7

Open

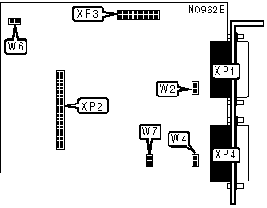
NI/35 BOARD

NIC Type

ISDN

Transfer Rate

56/64/112/128/768Kbps

Data Bus

Daughterboard

Topology

Peer-Peer

Wiring Type

Unshielded twisted pair

Boot ROM

Not available

CONNECTIONS

Purpose

Location

Purpose

Location

2-pin connector

W1

26-pin network interface connector

XP1

2-pin connector

W2

40-pin interface connector

XP2

2-pin connector

W3

16-pin synchronous connector

XP3

2-pin connector

W4

26-pin network interface connector

XP4

FACTORY CONFIGURED - DO NOT ALTER

Jumper

Position

W6

N/A

NI/MVIP BOARD

NIC Type

ISDN

Transfer Rate

56/64/112/128/768Kbps

Data Bus

Daughterboard

Topology

Peer-Peer

Wiring Type

Unshielded twisted pair

Boot ROM

Not available

CONNECTIONS

Purpose

Location

Purpose

Location

40-pin interface connector

XP2

40-pin interface connector

XP4

37-pin interface connector

XP3

 

 

BASE I/O ADDRESS SELECTION

Address

W3

W2

W1

» 300h

Closed

Closed

Open

200h

Closed

Closed

Closed

220h

Open

Closed

Closed

240h

Closed

Open

Closed

260h

Open

Open

Closed

320h

Open

Closed

Open

340h

Closed

Open

Open

360h

Open

Open

Open

MISCELLANEOUS TECHNICAL NOTE

Models AC/EC, AC16, MA, NI/E1, and NI/T1 are jumperless. The AC/EC, AC16, and MA may be found as V9999 records as separate entries in the I/O database, and the NI/E1 and NI/T1 may be found as N9999 records as separate entries in the NIC database.