NEWCOM, INC.
33600 IFX INTERNAL
|
Card Type |
Modem (asynchronous/synchronous) |
|
Chipset |
Rockwell |
|
Maximum Data Rate |
33.6Kbps |
|
Maximum Fax Rate |
14.4Kbps |
|
Data Modulation |
Bell 103A/212A ITU-T V.21, V.22, V.22bis, V.23, V.32, V.32bis, V.34 Rockwell V.FC |
|
Fax Modulation |
ITU-T V.17, V.21CH2, V.27ter, V.29 |
|
Error Correction/Compression |
MNP5, MNP10, V.42, V.42bis |
|
Fax Class |
Class II |
|
Data Bus |
8-bit ISA |
|
Card Size |
Full height, one-third length |

|
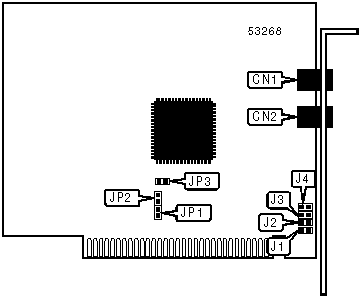
CONNECTIONS | |||
|
Function |
Label |
Function |
Label |
|
Telephone line |
CN1 |
Telephone line |
CN2 |
|
BASE I/O ADDRESS SELECTION | ||
|
Setting |
J3 |
J4 |
|
3F8h (COM1:) |
Closed |
Closed |
|
2F8h (COM2:) |
Closed |
Open |
|
3E8h (COM3:) |
Open |
Closed |
|
2E8h (COM4:) |
Open |
Open |
|
INTERRUPT SELECTION | |||||
|
Setting |
J1 |
J2 |
JP1 |
JP2 |
JP3 |
|
2 |
Open |
Open |
Open |
Open |
Closed |
|
3 |
Closed |
Open |
Open |
Open |
Open |
|
4 |
Open |
Closed |
Open |
Open |
Open |
|
5 |
Open |
Open |
Closed |
Open |
Open |
|
7 |
Open |
Open |
Open |
Closed |
Open |
|
SUPPORTED STANDARD COMMANDS |
|
Basic AT Commands |
|
+++, ‘comma’, A/ |
|
A, E, H, L, M, N, O, P, Q, T, V, W, X, Y, Z |
|
&C, &D, &F, &G, &J, &K, &L, &M, &P, &Q, &R, &S, &T, &V, &W, &X, &Y, &Z |
|
Extended AT Commands |
|
\A, \B, \J, \K, \L, \N |
|
%C, %E, %L, %Q, %TT |
|
Special AT Commands |
|
+MS |
|
S-Registers |
|
S0, S1, S2, S3, S4, S5, S6, S7, S8, S9, S10, S11, S12, S14, S16, S18, S21, S22, S23, S24, S25 |
|
S26, S27, S29, S30, S31, S32, S33, S36, S38, S39, S46, S48, S82, S86, S91, S92, S95 |
Note: See MHI help file for complete information. |
Proprietary AT Command Set
|
AUTOSYNC OPTIONS | ||
|
Type: |
Register | |
|
Format |
AT [cmds] S19=n [cmds] | |
|
Default: |
26 | |
|
Range: |
0 - 30 | |
|
Description: |
Controls autosync protocol, HDLC address detection, bit coding, and HDLC idle. | |
|
Bit |
Value |
Function |
|
0 |
0 |
Not used |
|
1 |
0 í 1 |
Binary synchronous protocol used. HDLC protocol used. |
|
2 |
í 01 |
HDLC address detect disabled. HDLC address detect enabled. |
|
3 |
0 í 1 |
NRZI bit coding used. NRZ bit coding used. |
|
4 |
0 í 1 |
HDLC idle sends MARK. HDLC idle sends FLAG or SYNC. |
|
AUTOSYNC HDLC ADDRESS | |
|
Type: |
Register |
|
Format: |
AT [cmds] S20=n [cmds] |
|
Default: |
0 |
|
Range: |
0-255 |
|
Unit: |
Unidentified |
|
Description: |
Sets the HDLC address and binary synchronous character. |
|
BIT-MAPPED REGISTER S28 | ||
|
Format |
AT [cmds] S28=n [cmds] | |
|
Default: |
0 | |
|
Range: |
0 - 31 | |
|
Description: |
Controls V.23 split speed, transmit/receive speed, half duplex; and pulse dialing, and MNP10 link negotiation. | |
|
Bit |
Value |
Function |
|
0 |
í 01 |
V.23 split speed operation disabled. V.23 split speed operation enabled. |
|
1 |
í 01 |
75bps transmit, 1200bps receive enabled. 1200bps transmit, 75bps receive enabled. |
|
2 |
0 |
Not used. |
|
4, 3 |
í 0001 10 11 |
39ms make/61ms break at 10pps. 33ms make/67ms break at 10pps. 39ms make/61ms break at 20pps. 33ms make/67ms break at 20pps. |
|
5 |
0 |
Not used. |
|
7, 6 |
í 0001 10 |
MNP10 link will be negotiated at highest possible speed. MNP10 link will be negotiated at 1200bps. MNP10 link will be negotiated at 4800bps. |
|
BIT-MAPPED REGISTER S40 | ||
|
Format |
AT [cmds] S40=n [cmds] | |
|
Default: |
107 | |
|
Range: |
0 - 255 | |
|
Description: |
Controls power level and break handling; selects MNP extended services, link negotiation, and block size. | |
|
Bit |
Value |
Function |
|
0 |
0 í 1 |
MNP10 disabled. MNP10 enabled. |
|
1 |
0 í 1 |
MNP10 at 2400 and 1200bps disabled. MNP10 at 2400 and 1200bps enabled. |
|
2 |
í 01 |
Power level adjustment enabled. Power level adjustment disabled. |
|
5 - 3 |
000 001 010 011 100 í 101 |
\K0 set. \K1 set. \K2 set. \K3 set. \K4 set. \K5 set. |
|
7, 6 |
00 í 0110 11 |
MNP block size is 64 characters. MNP block size is 128 characters. MNP block size is 192 characters. MNP block size is 256 characters. |
|
BIT-MAPPED REGISTER S41 | ||
|
Format |
AT [cmds] S41=n [cmds] | |
|
Default: |
131 | |
|
Range: |
128 - 223 | |
|
Description: |
Selects compression, auto-retrain, flow control, and MNP mode. | |
|
Bit |
Value |
Function |
|
1, 0 |
00 01 10 í 11 |
Data compression disabled. MNP5 enabled. V.42bis enabled. MNP5 and V.42bis enabled. |
|
6, 2 |
í 0001 10 |
Auto-retrain disabled. Auto-retrain enabled. Auto-fallback/fall-forward enabled. |
|
3 |
í 01 |
Flow control disabled. Flow control enabled. |
|
4 |
í 01 |
Stream mode for MNP. Block mode for MNP. |
|
5 |
0 |
Not used. |
|
7 |
1 |
Not used. |
|
COMMUNICATION PROTOCOLS | |
|
Type: |
Configuration |
|
Format: |
AT [cmds] Bn [cmds] |
|
Description: |
Selects the communication protocol for low-speed data calls. |
|
Command |
Protocol |
|
B0 |
Modem will use ITU-T V.22 at 1200bps. |
|
í B1 |
Modem will use Bell 212A at 1200bps. |
|
B15 |
Modem will use ITU-T V.21 at 300bps. |
|
B16 |
Modem will use Bell 103A at 300bps. |
|
DIAL | |
|
Type: |
Immediate |
|
Format: |
AT [cmds] D<#>;[cmds] |
|
Description: |
Dials the telephone number indicated according to any modifiers included in the string. |
|
Command |
Function |
|
DL |
Re-dial last number. |
|
DP |
Pulse dialing enabled. |
|
DR |
Answer mode enabled; originate mode disabled following handshake initiation. |
|
DS=n |
Dial stored telephone number n. |
|
DT |
Tone dialing enabled. |
|
DW |
Dialing resumed following dial tone detection. |
|
DIAL (CON'T) | |
|
Command |
Function |
|
D, |
Dialing paused for amount of time specified in S8 register. |
|
D! |
Flash function initiated. Modem commanded to go off-hook for specified time before returning on-hook. |
|
D@ |
Wait for Quiet Answer function enabled. Modem waits until a "quiet answer," a ring-back signal followed by silence up to the time specified in S7, is received prior to executing the rest of the dial string. |
|
D^ |
Enable calling tone for this call. |
|
D; |
Modem returned to idle state after dialing. The semicolon can only be placed at the end of the dial command. |
|
DISPLAY INFORMATION | |
|
Type: |
Immediate |
|
Format: |
AT [cmds] In [cmds] |
|
Description: |
Displays information requested about the modem. |
|
Command |
Function |
|
I0 |
Displays product identification code. |
|
I1 |
Displays ROM checksum. |
|
I2 |
Tests and displays ROM checksum result. |
|
I3 |
Displays firmware revision. |
|
I4 |
Displays product capabilities. |
|
I5 |
Displays the country code. |
|
I6 |
Displays the data pump model. |
|
LINE SPEED | |
|
Type: |
Register |
|
Format |
AT [cmds] S37=n [cmds] |
|
Description: |
Sets the maximum connect speed attempted during handshake process. |
|
Command |
Function |
|
í S37=0 |
Attempt to connect at speed of last AT command. |
|
S37=1 |
Attempt to connect at 300bps. |
|
S37=2 |
Attempt to connect at 300bps. |
|
S37=3 |
Attempt to connect at 300bps. |
|
S37=5 |
Attempt to connect at 1200bps. |
|
S37=6 |
Attempt to connect at 2400bps. |
|
S37=7 |
Attempt to connect with V.23 at 1200/75bps. |
|
S37=8 |
Attempt to connect at 4800bps. |
|
S37=9 |
Attempt to connect at 9600bps. |
|
S37=10 |
Attempt to connect at 12Kbps. |
|
S37=11 |
Attempt to connect at 14.4Kbps. |
|
S37=12 |
Attempt to connect at 7200bps. |