PHILIPS CONSUMER ELECTRONICS, CO.

PCA21IM (VER.2)

Card Type

Fax, Modem (asynchronous)

Chip Set

Unidentified

Maximum Data Rate

28.8Kbps

Maximum Fax Rate

14.4Kbps

Data Bus

8-bit ISA

Fax Class

Class I & II

Data Modulation Protocol

Bell 103/212

ITU-T V.21, V.22, V.22bis, V.23, V.32, V.32bis, V.32terbo, V.34

Fax Modulation Protocol

ITU-T V.17, V.21CH2, V.27ter, V.29

Error Correction/Compression

MNP5, V.42, V.42bis

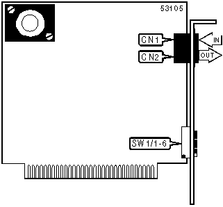
CONNECTIONS

Function

Label

Function

Label

Line in

CN1

Line out

CN2

SERIAL PORT ADDRESS

Setting

SW1/1

SW1/2

COM1 (3F8h)

On

On

COM2 (2F8h)

Off

On

COM3 (3E8h)

On

Off

í COM4 (2E8h)

Off

Off

INTERRUPT

Setting

SW1/3

SW1/4

SW1/5

SW1/6

2

On

Off

Off

Off

í 3

Off

On

Off

Off

4

Off

Off

On

Off

5

Off

Off

Off

On

SUPPORTED COMMAND SET

Basic AT Commands

AT, ‘+++’, ‘Comma’, A/

A, E, M, O, P, S, T, V, X, Y, Z

&C, &D, &F, &G, &K, &P, &S, &T, &V, &W, &X, &Y, &Z

Extended AT Commands

\A, \B, \C, \G, \J, \N, \Q, \V, \X, %A, %C, %E

S Registers

S0, S1, S2, S3, S4, S5, S6, S7, S8, S9, S10, S11, S12, S16, S18, S25, S26, S27, S91

Note: See MHI Help file for full command documentation.

Proprietary AT Command Set

For a full command summary, see PHILIPS CONSUMER ELECTRONICS, CO., PCA21EM