U.S. ROBOTICS, INC.

PASSWORD 300 MODEM

Modem Type

Data (synchronous/asynchronous)

Maximum Data Rate

300bps

Data Bus

External

Data Modulation Protocol

Bell 103A/212A

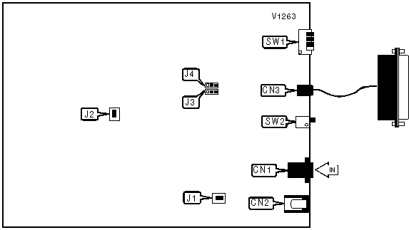
CONNECTIONS

Purpose

Location

Purpose

Location

Line in

CN1

RS-232/422

CN3

DC power

CN2

Power switch

SW2

CHARACTER LENGTH

Setting

J2

» 10-bit

Off

11-bit

On

TRANSMIT AND RECEIVE SIGNAL

Setting

J3

J4

» Normal pin assignment

Pins 1 & 2 closed

Pins 1 & 2 closed

Tx/Rx pins reversed

Pins 2 & 3 closed

Pins 2 & 3 closed

AUTO ANSWER

Setting

SW1/1

» Modem answers on first ring

Off

Modem does not answer on first ring

On

CARRIER DETECT

Setting

SW1/2

» CD normal

Off

CD forced high

On

DTR SIGNAL

Setting

SW1/4

» DTR normal

Off

DTR forced high

On

FACTORY CONFIGURED SETTINGS

Jumper

Setting

SW1/3

N/A

J1

N/A