MICRONICS COMPUTERS, INC.
MVC4000LB
|
Category |
Video |
|
Video Types Supported |
XVGA |
|
Video Processor |
Tseng Labs |
|
Highest Resolution Supported |
1280 x 1024 |
|
Data Bus Type |
32-bit Local VESA Bus |
|
Memory Type |
DRAM |
|
Maximum Onboard Memory |
1024KB |
|
CONNECTIONS | |
|
Purpose |
Location |
|
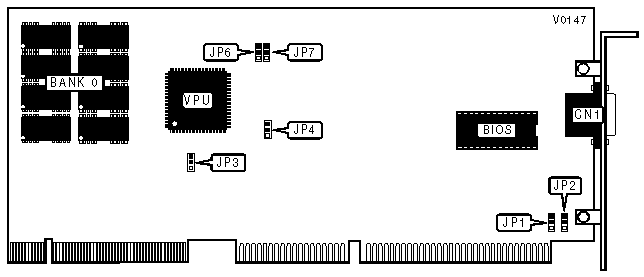
15-pin analog video port |
CN1 |
|
VIDEO INTERRUPT CONFIGURATION | ||
|
IRQ 2/9 |
JP2 | |
| » |
Disabled |
Pins 1 & 2 closed |
|
Enabled |
Pins 2 & 3 closed | |
|
FACTORY CONFIGURED - DO NOT ALTER | |
|
Jumper |
Position |
|
JP1 |
Pins 2 & 3 closed |
|
JP3 |
Pins 1 & 2 closed |
|
JP4 |
Pins 1 & 2 closed |
|
JP6 |
Pins 2 & 3 closed |
|
JP7 |
Pins 1 & 2 closed |