VIDEO SEVEN

V7 VEGA VGA (VER. 2)

Card Type

Video card

Video Chipset

Video Seven

Maximum Video Memory

512KB DRAM

I/O Options

EGA feature connector, light pen port, RF adapter port

Data Bus

8-bit ISA

Video Types Supported

XVGA

Highest Resolution Supported

800 x 600

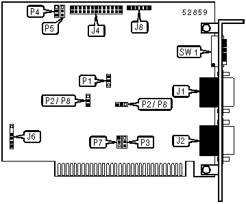
CONNECTIONS

Function

Label

Function

Label

15-pin analog VGA port

J1

Light pen port

J6

9-pin digital EGA port

J2

RF adapter port

J8

EGA feature connector

J4

   

USER CONFIGURABLE SETTINGS

Setting

Label

Position

»

EGA mode base I/O address set to 3D0h

P1

Pins 1 & 2 closed

 

EGA mode base I/O address set to 2D0h (reserved)

P1

Pins 2 & 3 closed

»

Factory configured - do not alter

P2

Pins 1 & 2 closed

»

Card is not installed in XT slot 8

P3

Pins 2 & 3 closed

 

Card is installed in XT slot 8

P3

Pins 1 & 2 closed

»

On-board oscillator enabled

P4

Pins 2 & 3 closed

 

Oscillator connected to feature adapter enabled

P4

Pins 1 & 2 closed

»

Factory configured - do not alter

P5

Pins 2 & 3 closed

»

Factory configured - do not alter

P8

Pins 2 & 3 closed

»

Card is primary display

SW1/4

Off

 

Card is secondary display

SW1/4

On

»

Card auto-detects software video mode

SW1/5

On

 

Card is in standard VGA mode

SW1/5

Off

»

Card is in VGA mode on boot

SW1/6

On

 

Card is in CGA or monochrome mode on boot

SW1/6

Off

Note:The two jumpers labeled P2/P8 indicate the locations of jumpers P2 and P8. Information of which jumper is in which location is unidentified.

MONITOR TYPE SELECTION

Setting

SW1/1

SW1/2

SW1/3

»

Auto-detect monitor type

Off

Off

Off

 

Nanao 8060/9070, NEC MultiSync, Princeton UltraSync

On

Off

Off

 

All Mitsubishi, Sony MultiScan, all Taxan, all Thomson

Off

On

Off

 

NEC Multisync Plus and XL

On

On

Off

 

IBM PS/2 Analog Display

Off

Off

On

 

IBM Color Display

On

Off

On

 

IBM Enhanced Color Display

Off

On

On

 

IBM Monochrome Display

On

On

On