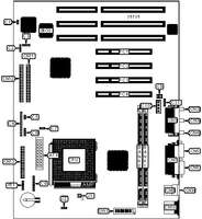
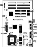
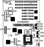
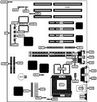
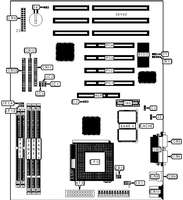
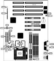
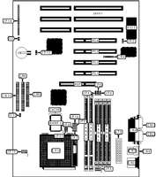
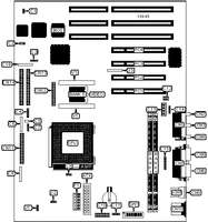
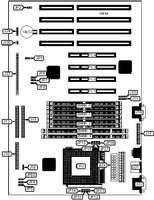
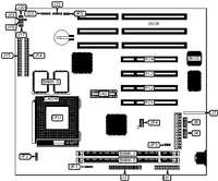
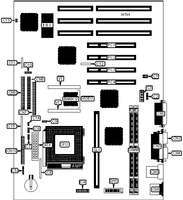
Motherboards. Pentium (socket 4,5,7)
I-Z