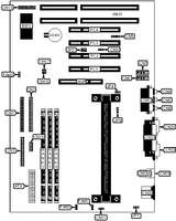
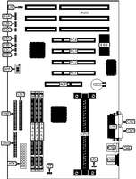
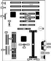
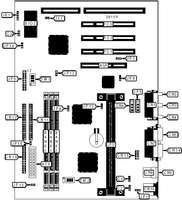
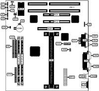
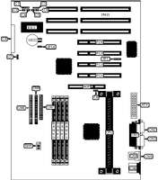
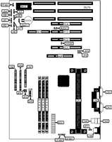
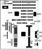
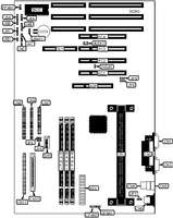
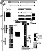
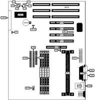
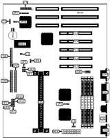
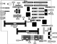
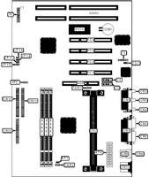
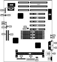
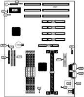
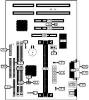
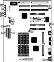
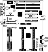
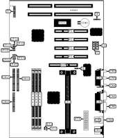
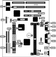
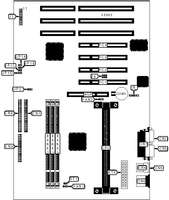
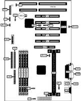
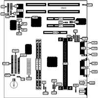
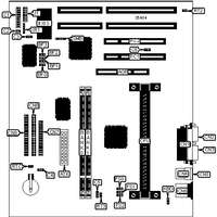
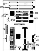
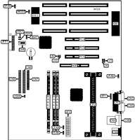
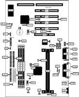
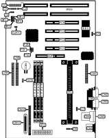
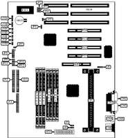
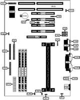
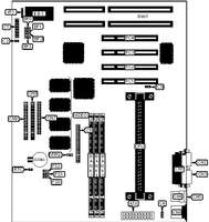
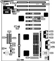
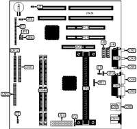
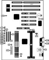
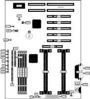
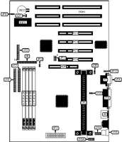
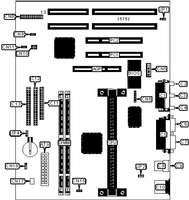
Motherboards. Pentium II (slot 1)